+7 933 113 06 10 | sale@unitservice-parts.ru | Москва · Ярцево | Написать Канал
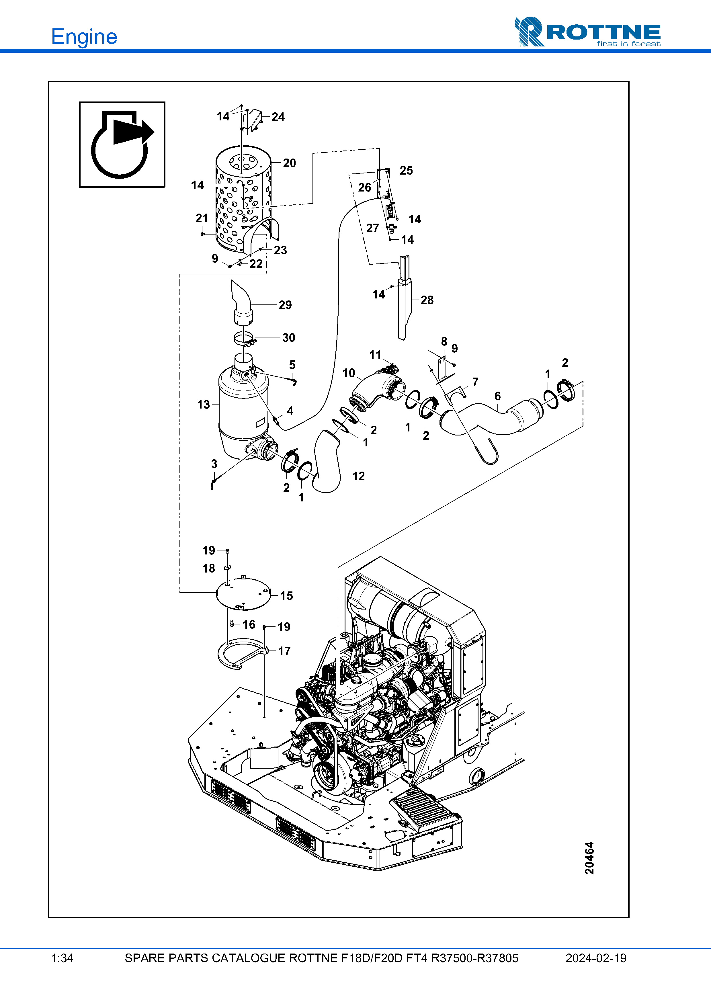
Двигатель

F18D/F20D Final Tier 4

Глушитель, продолжение

Глушитель, продолжение

Поз. Кол-во Артикул Наименование
21 4 607-1627 Винт с буртом M6SF 10 X 16
22 1 624-8815 Резиновый хомут с уплотнением 16/20
23 1 611-8008 Гайка
24 1 117-63605 Крышка
25 1 129-60159 129-60159
26 4 610-2006 Гайка
27 1 J-RE552186 Датчик температуры
28 1 117-64221 Крышка
28 1 117-71289 Крышка
29 1 118-63608 Труба (SCR)
30 1 096-0040 Хомут SUP 140
Не нашли нужную позицию или хотите уточнить стоимость?
Корзина