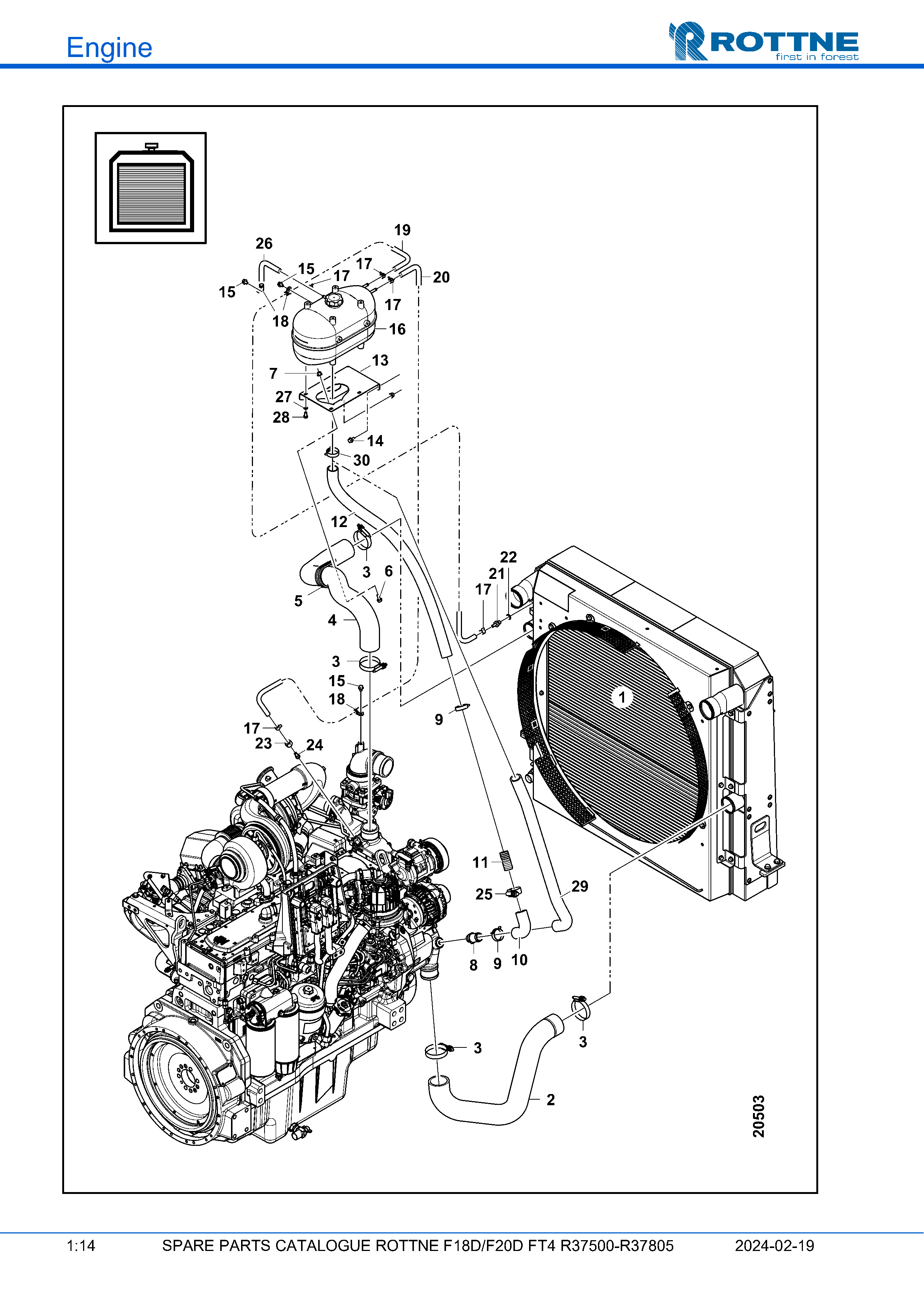
| 1 |
1 |
126-0006
|
Радиатор (вода) |
| 2 |
1 |
126-0018
|
Шланг радиатора |
| 3 |
4 |
096-0034
|
Хомут CT-300L 57-79 |
| 4 |
1 |
126-0013
|
Шланг радиатора |
| 5 |
1 |
624-8874
|
Хомут с резиновым покрытием 74/20 |
| 6 |
1 |
607-1620
|
Винт |
| 7 |
1 |
611-9008
|
Гайка |
| 8 |
1 |
126-57940
|
Накладка шланга M27X2-32mm SL |
| 9 |
2 |
624-3042
|
Гибкий стальной хомут 42 |
| 10 |
1 |
118-0043
|
Шланг 90° 32X150X150 |
| 11 |
1 |
118-0035
|
Коннектор труба Ø32 |
| 12 |
1 |
062-0422
|
шланг 3b 32X40 |
| 13 |
1 |
126-57044
|
Кронштейн для расширительного бачка |
| 14 |
3 |
607-1619
|
Винт |
| 15 |
3 |
607-1617
|
Винт с фланцем M6SF 8 X 12 |
| 16 |
1 |
J-RE549081
|
Расширительный бачок |
| 17 |
5 |
624-3014
|
Пружинный хомут 14/12 |
| 18 |
3 |
624-8812
|
Регулируемый хомут с резиновым уплотнением 12/20 |
| 19 |
1 |
062-0420
|
Шланг EPDM Ø8 |
| 21 |
1 |
113-50030
|
Шланговый ниппель R1/4-8mm SL |
| 22 |
1 |
640-0014
|
Резиновая стальная шайба GB-R 1/4" |
| 24 |
1 |
126-58569
|
Накладка шланга 8mm SL |
| 25 |
1 |
090-0106
|
Хомут для шланга CT-9428 33-57 |
| 27 |
4 |
620-5208
|
Шайба |
| 28 |
4 |
600-2147
|
Винт M6S 8 X 16 |
| 29 |
1 |
131-0024
|
Шланг |