+7 933 113 06 10 | sale@unitservice-parts.ru | Москва · Ярцево | Написать Канал
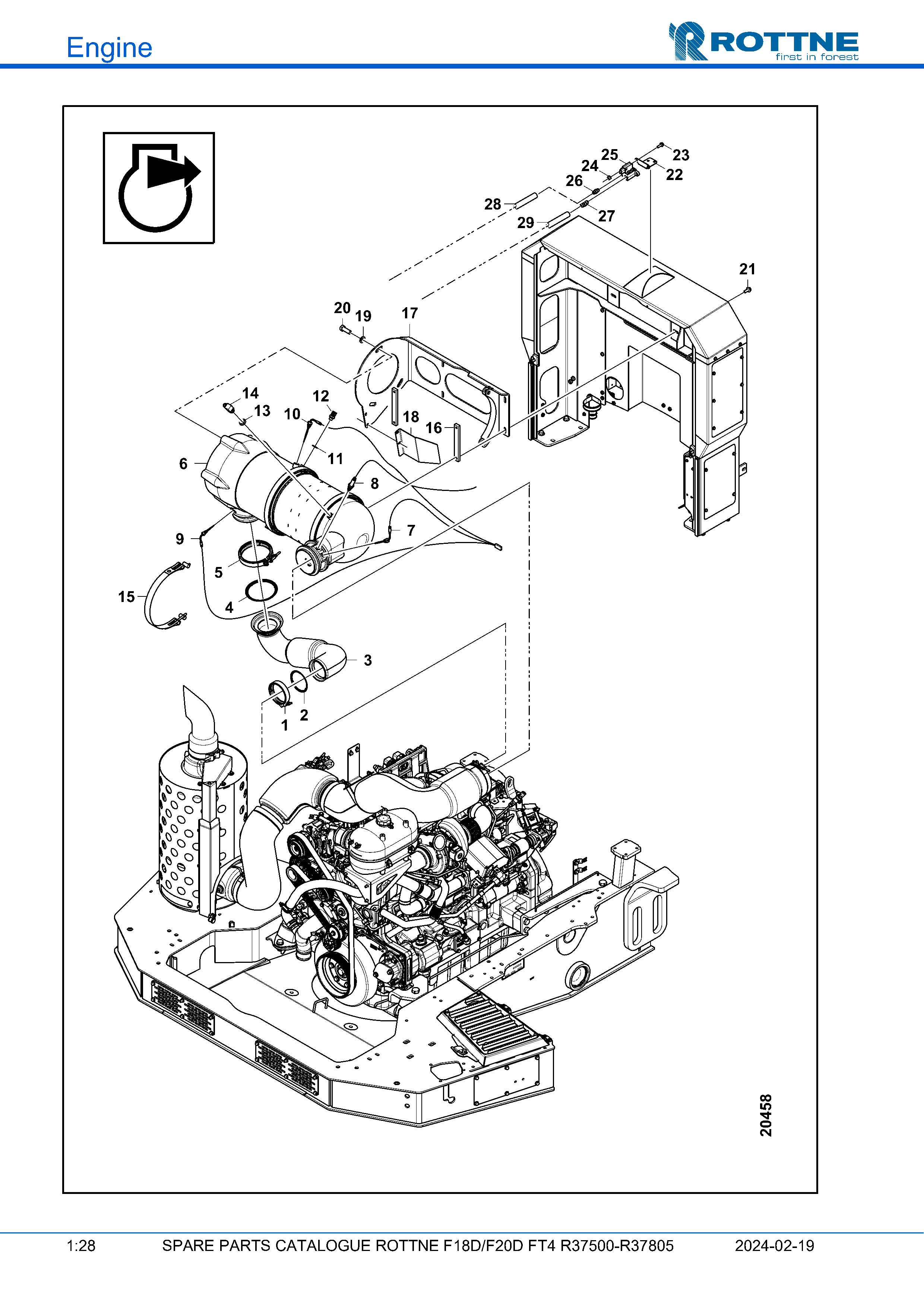
Двигатель

F18D/F20D Final Tier 4

Сажевый фильтр (DPF), -R37615

Сажевый фильтр (DPF), -R37615

Поз. Кол-во Артикул Наименование
1 1 096-0041 Хомут 4,5"
2 1 J-R529510 Прокладка
3 1 126-0027 Выхлопная труба
4 1 J-R529640 Прокладка
5 1 J-RE540348 Хомут
7 1 J-RE552185 Датчик температуры
8 1 J-RE552183 Химический датчик
11 1 100-0045 Шайба 15X24X2,5 FZB DIN 433
12 1 126-0023 ELBOW COUPLING 9/16 JIC 90°
13 1 100-0046 Шайба 19X30X2,5 FZB DIN 433
14 1 126-0024 ELBOW COUPLING 3/4 JIC 90°
15 1 106-0073 Монтажный ремень в сборе
16 1 129-60358 THREADED PLATE Order item
17 1 126-57036 Фильтр выхлопа консоли
19 3 620-1014 Шайба
20 3 600-3252 Винт
21 4 607-1629 Винт
22 1 129-58012
23 2 607-1621 Винт
24 2 611-9008 Гайка
25 1 J-RE538131 Датчик давления (DPF Delta P)
26 1 J-RE542003 Адаптер фитинг
27 1 J-RE543081 Адаптер фитинг
28 1 126-0021 Шланг METAL 10,3 L=260 R+90V
29 1 126-0026 Шланг METAL 10,3 L=260 R+R
Не нашли нужную позицию или хотите уточнить стоимость?
Корзина