+7 933 113 06 10 | sale@unitservice-parts.ru | Москва · Ярцево | Написать Канал
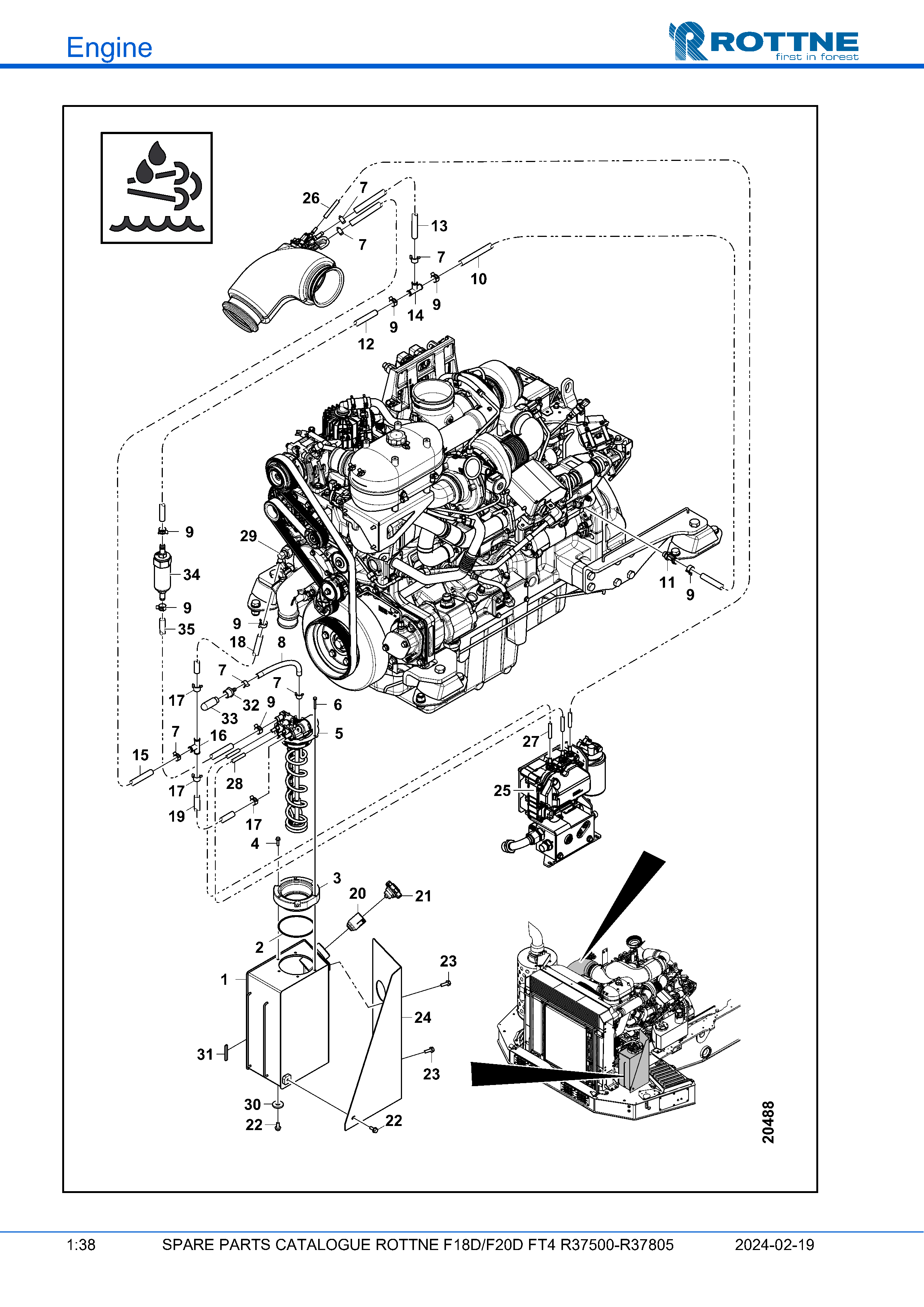
Двигатель

F18D/F20D Final Tier 4

Система DEF, продолжение, -R37615

Система DEF, продолжение, -R37615

Поз. Кол-во Артикул Наименование
26 1 J-RE560907 Линия DEF
27 1 J-RE560913 Линия DEF L=1450
28 1 J-RE560910 Линия DEF
29 1 626-2030 О-кольцо 24,2 X 3,0 70°
30 1 620-1076 Шайба TBRSB 13X36
31 1 647-8787 Краевая пленка PVC
34 1 J-DZ100304 Фильтр
35 1 062-0404 Шланг EPDM Ø16
Не нашли нужную позицию или хотите уточнить стоимость?
Корзина