| Поз. | Кол-во | Артикул | Наименование | |
|---|---|---|---|---|
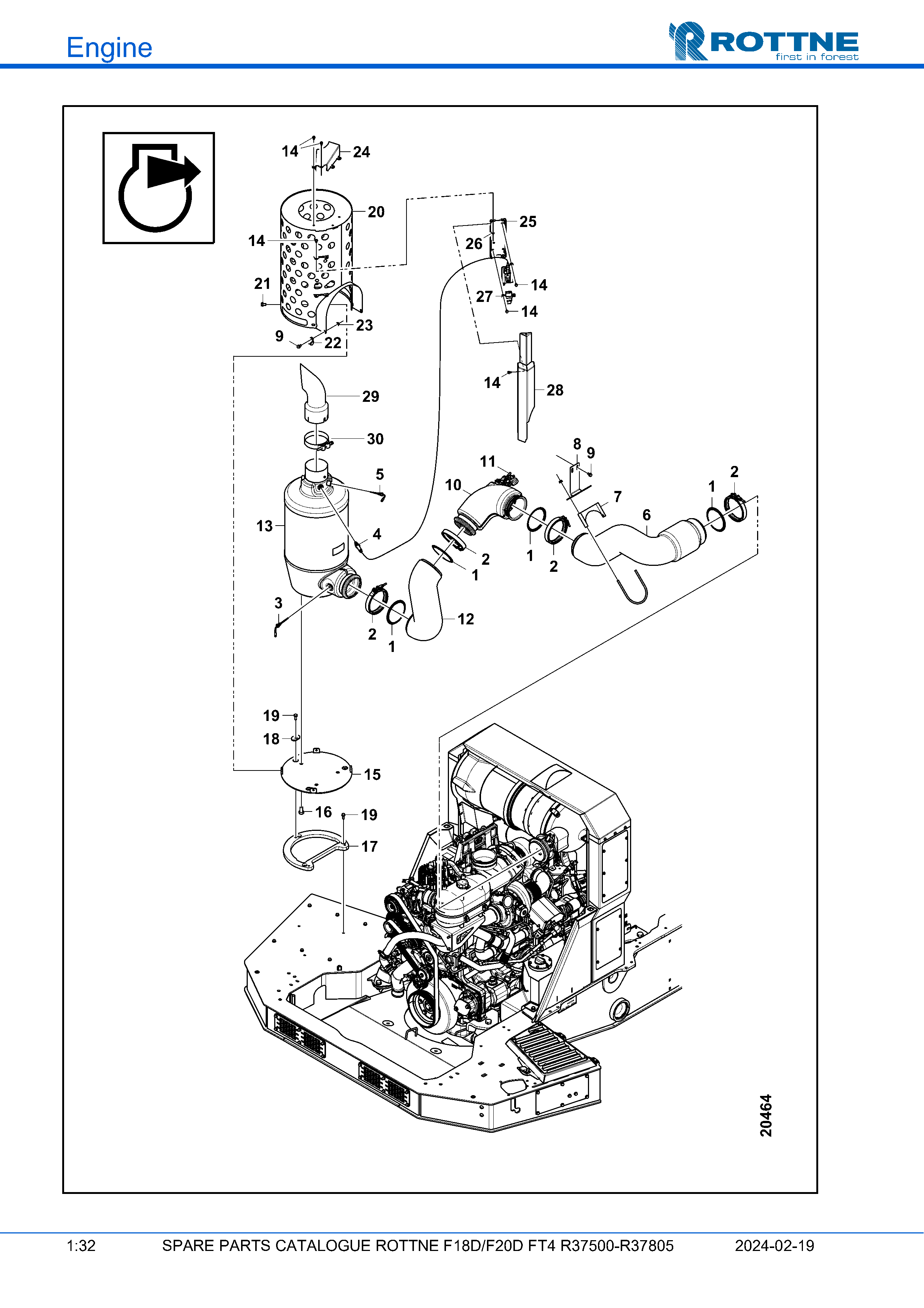
| 1 | 4 | J-R529640 | Прокладка | |
| 2 | 4 | J-RE540348 | Хомут | |
| 3 | 1 | J-RE552186 | Датчик температуры | |
| 4 | 1 | J-DZ109125 | Химический датчик | |
| 6 | 1 | 126-0031 | Выхлопная труба | |
| 6 | 1 | 126-61465 | Выхлопная труба | |
| 7 | 1 | 126-0012 | Хомут | |
| 8 | 1 | 126-71694 | 126-71694 | |
| 8 | 1 | 129-57492 | Опорный элемент | |
| 9 | 3 | 607-1619 | Винт | |
| 10 | 1 | J-RE565074 | Трубка | |
| 11 | 2 | 624-3016 | Гибкий стальной хомут 16 | |
| 12 | 1 | 126-0030 | Выхлопная труба | |
| 12 | 1 | 126-61466 | Выхлопная труба | |
| 14 | 15 | 607-1611 | Винт | |
| 15 | 1 | 129-57366 | Кронштейн, SCR | |
| 16 | 3 | 600-2269 | Винт M6S 16 X 30 | |
| 17 | 1 | 129-57686 | Крепежная плита, SCR | |
| 18 | 3 | 129-57689 | Шайба, T=6 SCR | |
| 19 | 6 | 600-2195 | Винт M6S 10 X 25 | |
| 20 | 1 | 117-63392 | Защита (SCR) | |
| 20 | 1 | 117-71285 | Защита (SCR) |