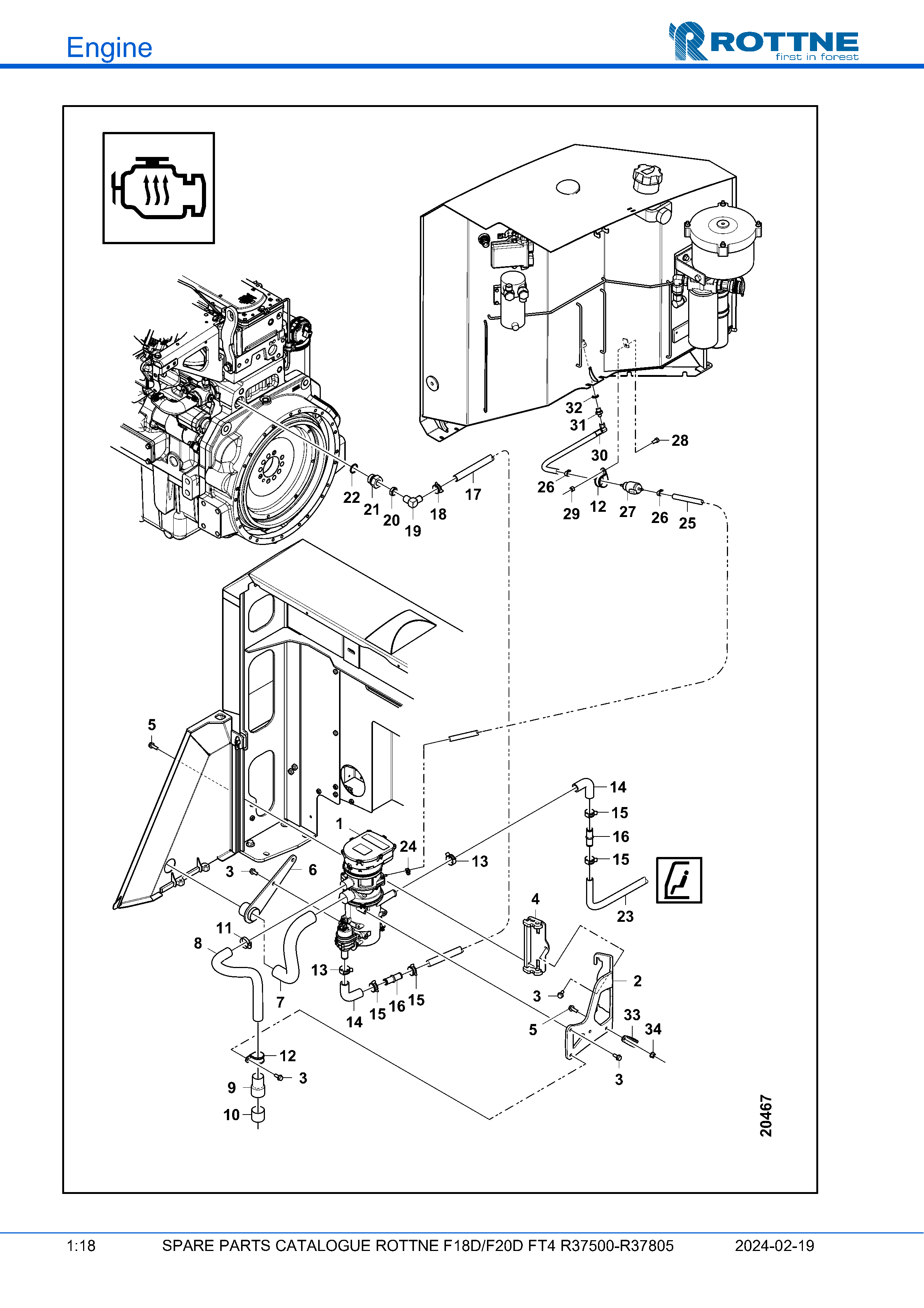
| 1 |
1 |
062-0466
|
Отопитель/контроль WEBASTO PRO 90 |
| 2 |
1 |
117-63141
|
Кронштейн |
| 3 |
6 |
607-1620
|
Винт |
| 4 |
1 |
117-63154
|
117-63154 |
| 5 |
2 |
607-1621
|
Винт |
| 6 |
1 |
117-63695
|
Выхлоп |
| 7 |
1 |
647-9932
|
Выхлопной шланг Ø38 мм |
| 8 |
1 |
647-9911
|
Шланг APK Ø30,5 мм |
| 9 |
1 |
658-4256
|
Усадочный шланг ADW 400 52/13 1,2м |
| 10 |
1 |
062-0142
|
Защитный кожух |
| 11 |
1 |
062-0141
|
Хомут R42 |
| 12 |
2 |
624-8835
|
Регулируемый хомут с резиновым уплотнением 35/20 |
| 13 |
1 |
624-3030
|
Гибкий стальной хомут 30 |
| 14 |
1 |
062-0265
|
Коннектор трубы |
| 15 |
4 |
624-3027
|
Гибкий стальной хомут 27 |
| 17 |
1 |
062-0405
|
Шланг EPDM Ø19 |
| 18 |
1 |
624-3026
|
Хомут для гибкого стального шланга 26 |
| 19 |
1 |
102-0045
|
Угловое соединение R1/2 - 3/4 |
| 20 |
1 |
089-0012
|
Контргайка R1/2" |
| 21 |
1 |
126-58257
|
Переходник M30X2-R1/2 |
| 22 |
1 |
626-3030
|
О-кольцо 26,2 X 3,0 70° |
| 24 |
1 |
624-0052
|
Зажим для шланга Ø 11 MINI |
| 25 |
1 |
631-9252
|
РВД 3/16 R1T |
| 26 |
2 |
624-0053
|
Хомут Ø 12 MINI |
| 27 |
1 |
062-0469
|
Дозирующий насос 12-24V (DP42) |
| 28 |
1 |
600-2148
|
Винт M6S 8 X 18 |
| 29 |
1 |
611-2008
|
Гайка M6M 8 8 LOC-KING |
| 30 |
1 |
655-1116
|
РВД 3/16" L=140 |
| 31 |
1 |
633-0204
|
Штуцер R1/8" X R1/4" |
| 32 |
1 |
640-0014
|
Резиновая стальная шайба GB-R 1/4" |