+7 933 113 06 10 | sale@unitservice-parts.ru | Москва · Ярцево | Написать Канал
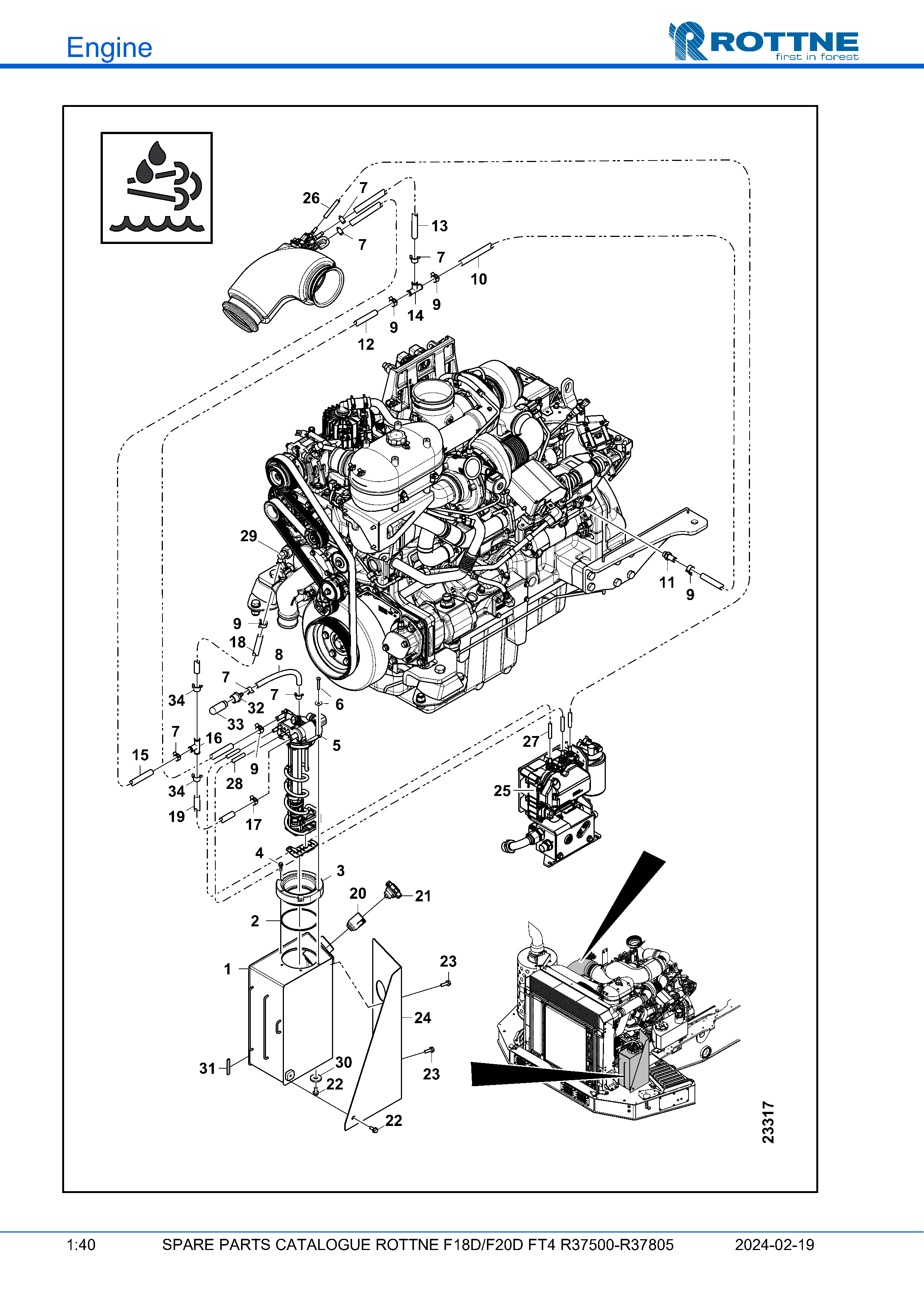
Двигатель

F18D/F20D Final Tier 4

Система DEF (выхлопная жидкость дизеля), R37701-

Система DEF (выхлопная жидкость дизеля), R37701-

Поз. Кол-во Артикул Наименование
1 1 118-61487 Резервуар (DEF)
2 1 627-4933 О-кольцо 117,07 X 3,53 70°
3 1 126-58357 Разъем (бак DEF)
4 3 607-1614 Винт
6 3 600-2090 Винт
7 6 624-3016 Гибкий стальной хомут 16
8 1 062-0428 Шланг EPDM Ø10
9 5 624-3022 Хомут гибкий стальной 22
10 1 062-0404 Шланг EPDM Ø16
11 1 106-50124 шланговый ниппель M18-16mm SL
14 1 J-T317541 Т-образный фитинг
16 1 J-T296925 Т-образный фитинг
17 3/1 624-3020 Гибкий стальной хомут 20
18 1 062-0458 Шланг EPDM Ø13
20 1 126-0004 Заливная горловина с магнитом
21 1 121-0015 Крышка заправочного отверстия
22 4 607-1620 Винт
23 2 607-1621 Винт
24 1 120-61495 Крышка бака DEF
25 1 J-DZ111284 Насос для дозирования DEF
Не нашли нужную позицию или хотите уточнить стоимость?
Корзина