+7 933 113 06 10 | sale@unitservice-parts.ru | Москва · Ярцево | Написать Канал
Двигатель

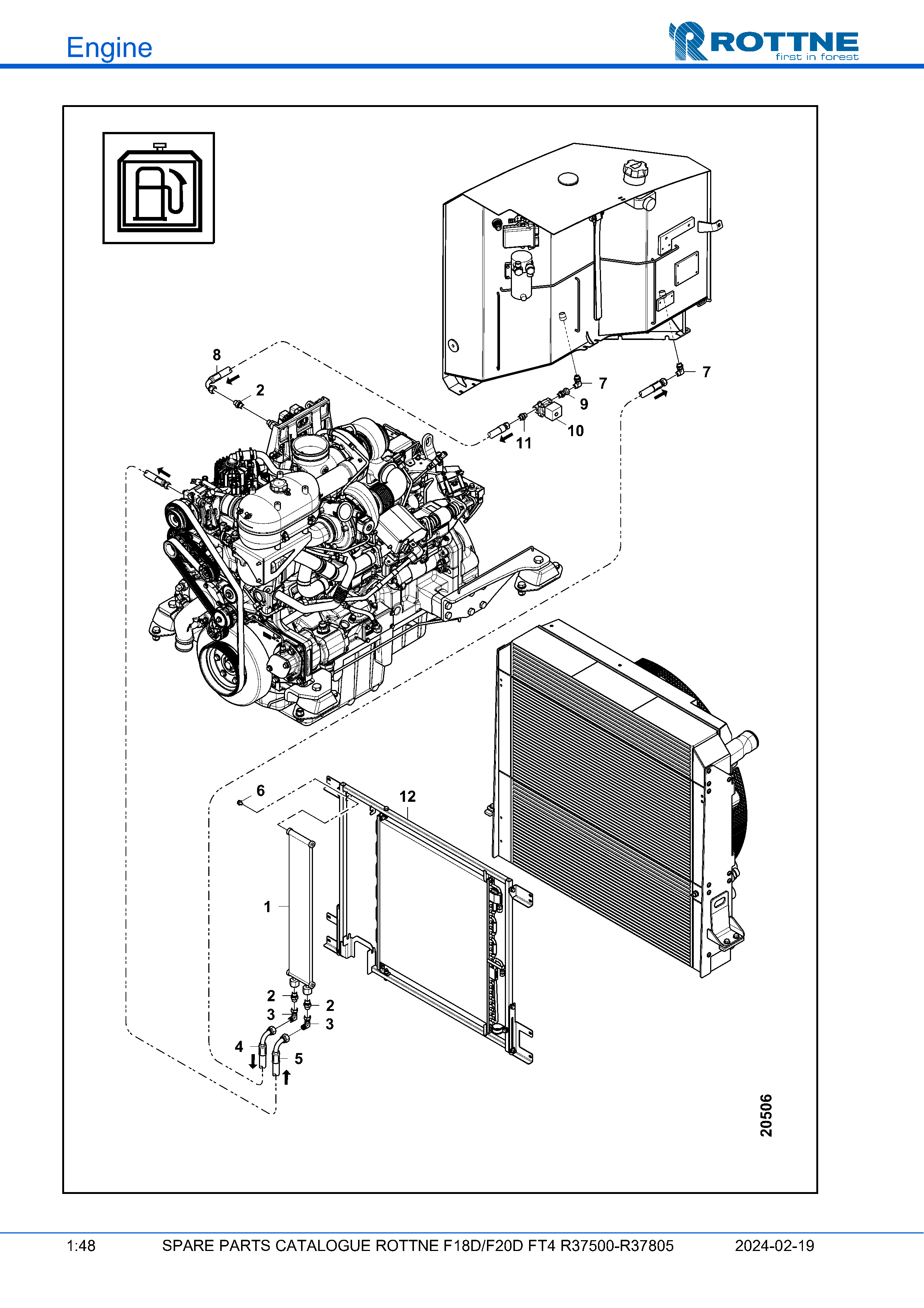
F18D/F20D Final Tier 4

Охладитель топлива

Охладитель топлива

Поз. Кол-во Артикул Наименование
1 1 118-0023 Радиатор (топливо)
2 3 118-0028 Соединение 6M18F87OMLOS прямой
3 2 126-0025 Соединение ORFS 06 90V
4 1 655-1340 РВД 3/8" L=5000
5 1 655-1213 РВД 3/8" L=1800
6 2 607-1617 Винт с фланцем M6SF 8 X 12
7 1 096-0055 Соединение 6-6C4OMLOS 90V
8 1 655-1342 РВД 3/8" L=3500
9 2 087-0225 Соединение 6-6F642EDMLS прямое
10 1 096-0016 Электромагнитный клапан 3/8" 24V комплект.
11 1 096-0057 Соединение 6-6F42EDMLOS прямое
12 1 118-53603 Консоль конденсатора
Не нашли нужную позицию или хотите уточнить стоимость?
Корзина