| 1 |
1 |
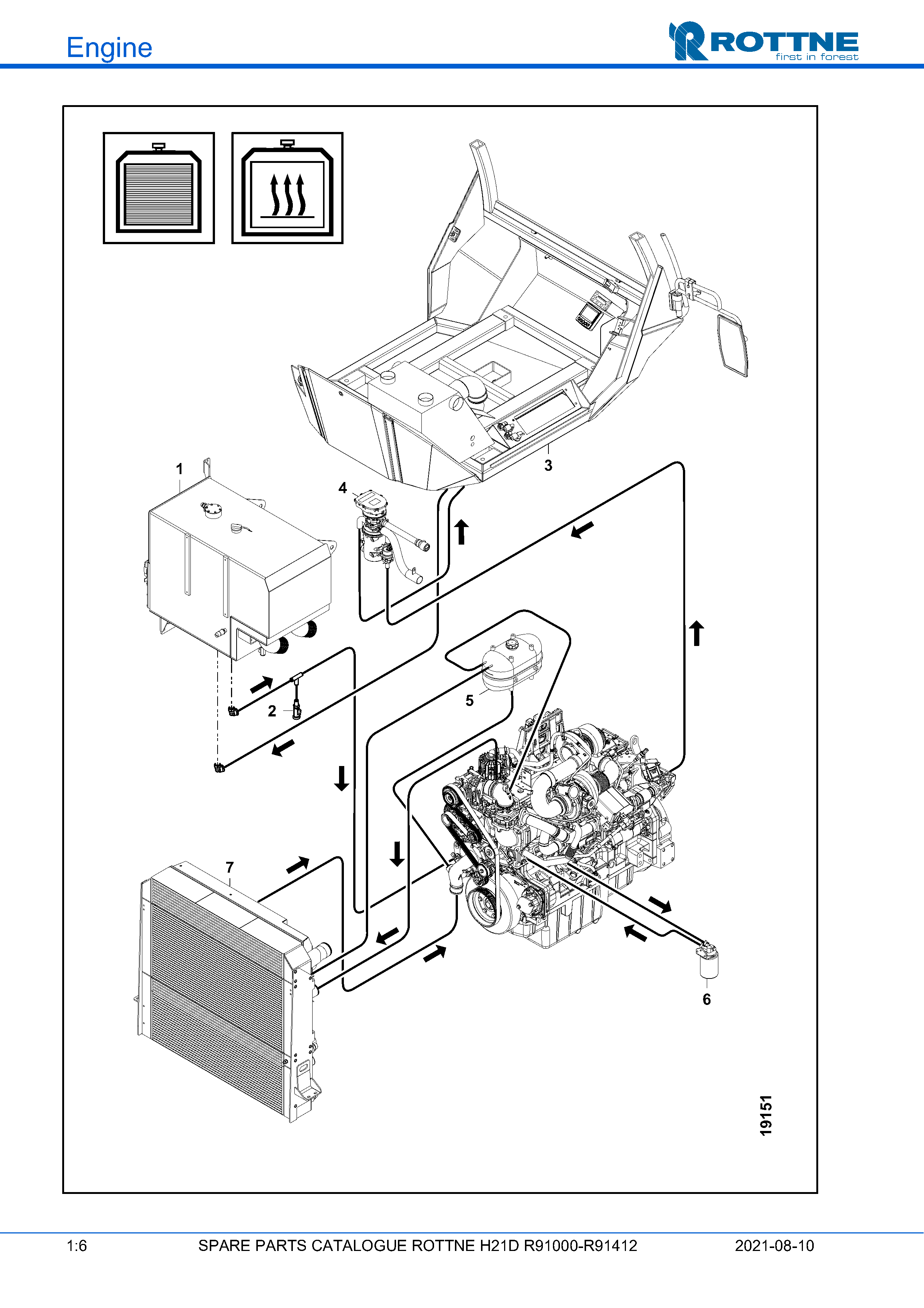
127-0019
|
Гидравлический бак с подогревом C |
| 2 |
2 |
640-0023
|
Резиновая стальная шайба GB-R 1" |
| 3 |
2 |
059-0137
|
Опорная втулка |
| 4 |
2 |
059-0048
|
Прямой соединитель CONEX 22XR25 |
| 4 |
1 |
062-0466
|
Отопитель/контроль WEBASTO PRO 90 |
| 5 |
2 |
059-0049
|
Опорная втулка |
| 5 |
1 |
J-RE549081
|
Расширительный бачок |
| 6 |
2 |
059-0047
|
Соединение CONEX угловое 22XR20 |
| 6 |
1 |
096-0144
|
Головка фильтра |
| 7 |
2 |
113-50048
|
Фитинг R3/4-19mm SL |
| 7 |
1 |
126-0006
|
Радиатор (вода) |
| 8 |
8 |
624-3022
|
Хомут гибкий стальной 22 |
| 9 |
1 |
062-0405
|
Шланг EPDM Ø19 |
| 11 |
2 |
037-0116
|
Контргайка R3/4" |
| 12 |
2 |
099-50058
|
Шланговый ниппель R3/8-19mm SL |
| 13 |
2 |
078-0112
|
Контргайка R3/8" |
| 14 |
2 |
102-0043
|
Угловое соединение R3/8 - 5/8 |
| 18 |
1 |
113-50050
|
Накладка шланга R1/2-19mm SL |
| 19 |
2 |
640-0018
|
Резиновая шайба GBR 1/2" |
| 20 |
1 |
086-0012
|
Шаровой клапан R1/2" |
| 21 |
1 |
638-5404
|
Заглушка с уплотнением R1/2" VSTI |
| 23 |
1 |
102-0045
|
Угловое соединение R1/2 - 3/4 |
| 24 |
1 |
089-0012
|
Контргайка R1/2" |
| 25 |
1 |
126-57945
|
Переходник M27X2-R1/2 |
| 26 |
1 |
626-2030
|
О-кольцо 24,2 X 3,0 70° |