+7 933 113 06 10 | sale@unitservice-parts.ru | Москва · Ярцево | Написать Канал
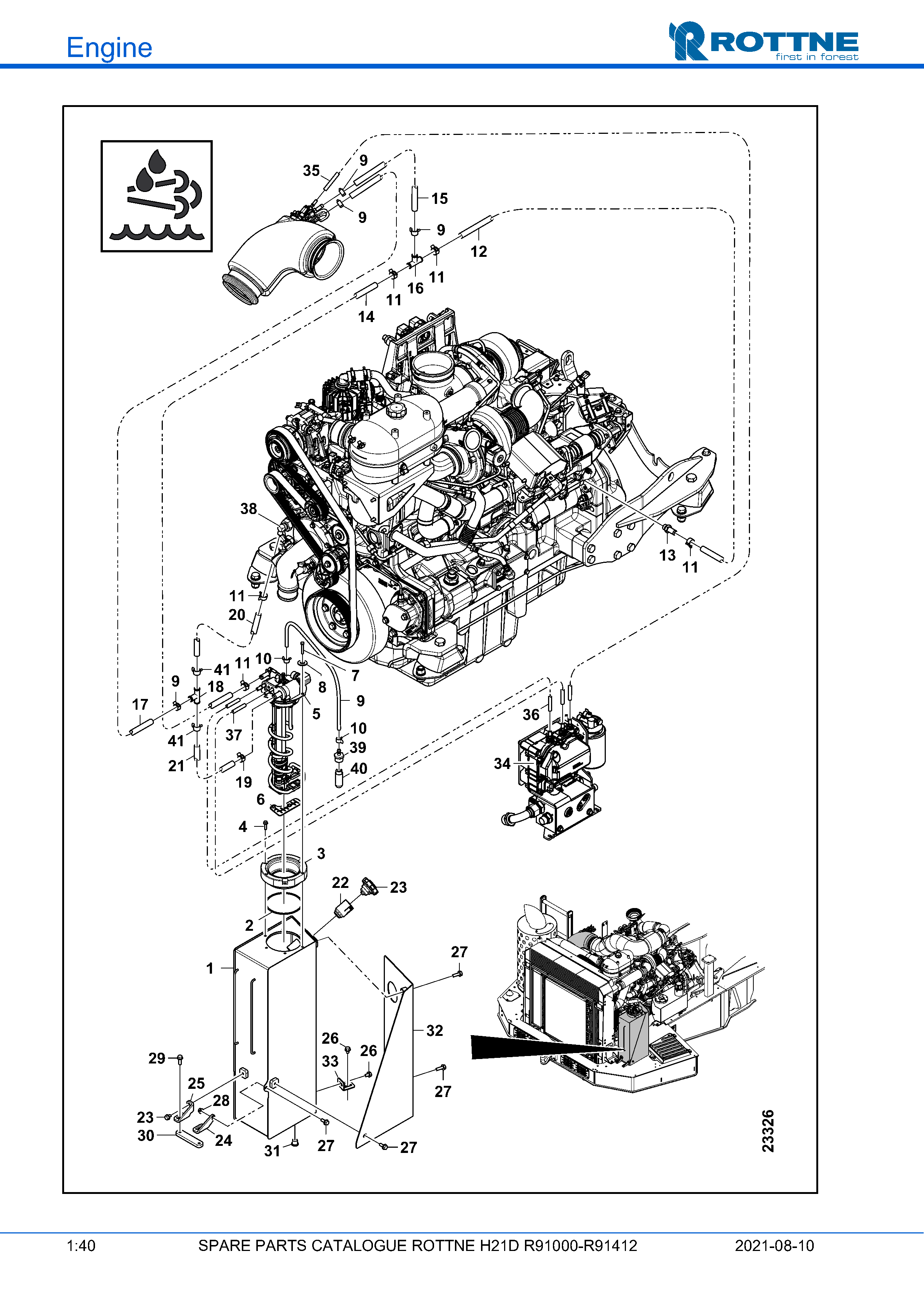
Двигатель

H21D Final Tier 4

Система DEF, продолжение, R91301-

Система DEF, продолжение, R91301-

Поз. Кол-во Артикул Наименование
18 1 J-T296925 Т-образный фитинг
19 3/1 624-3020 Гибкий стальной хомут 20
20 1 062-0458 Шланг EPDM Ø13
22 1 126-0004 Заливная горловина с магнитом
23 1 121-0015 Крышка заправочного отверстия
24 1 129-58548 Угловой кронштейн
25 1 129-58549 Угловой кронштейн
26 3 607-1617 Винт с фланцем M6SF 8 X 12
27 2 607-1620 Винт
28 1 611-8008 Гайка
29 4 607-1621 Винт
30 1 129-58552 Резьбовая пластина M8X2
31 1 096-0184 Заглушка с уплотнением R3/8" VSTI
32 1 129-60202 Крышка резервуара DEF
33 1 129-58547 Угловой кронштейн
34 1 J-RE553796 Насос для дозирования DEF
35 1 J-RE560907 Линия DEF
36 1 J-RE560913 Линия DEF L=1450
37 1 J-RE560910 Линия DEF
38 1 626-2030 О-кольцо 24,2 X 3,0 70°
41 2 624-3019 Гибкий стальной хомут 19
Не нашли нужную позицию или хотите уточнить стоимость?
Корзина