+7 933 113 06 10 | sale@unitservice-parts.ru | Москва · Ярцево | Написать Канал
Двигатель

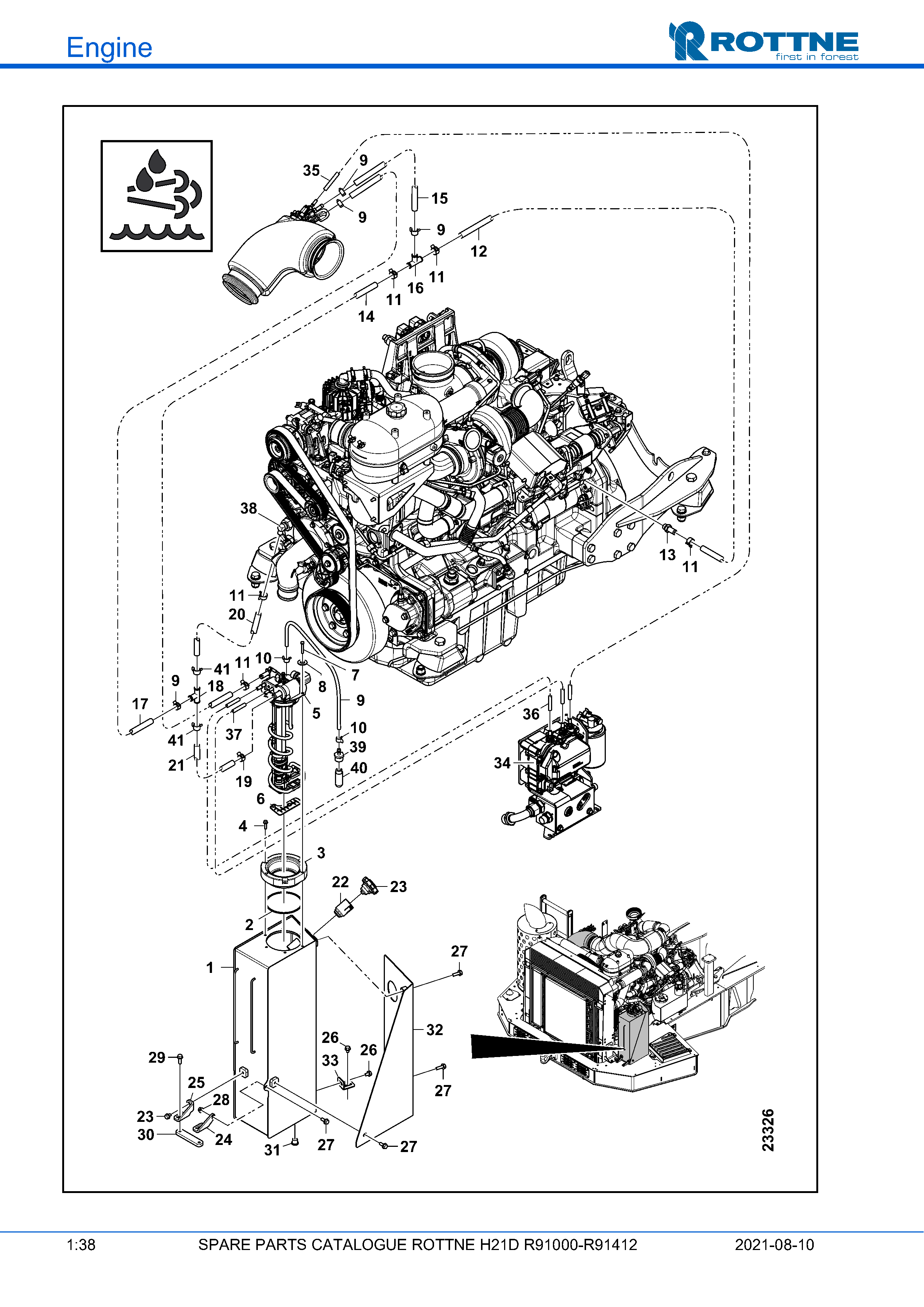
H21D Final Tier 4

Система DEF (выхлопная жидкость дизеля), R91301-

Система DEF (выхлопная жидкость дизеля), R91301-

Поз. Кол-во Артикул Наименование
1 1 126-58303 Бак (DEF)
2 1 627-4933 О-кольцо 117,07 X 3,53 70°
3 1 126-58357 Разъем (бак DEF)
4 3 607-1614 Винт
7 3 600-2090 Винт
8 3 620-2003 Шайба SRKB 7X22 1/4"
9 1 062-0428 Шланг EPDM Ø10
10 6 624-3016 Гибкий стальной хомут 16
11 5 624-3022 Хомут гибкий стальной 22
12 1 062-0404 Шланг EPDM Ø16
13 1 106-50124 шланговый ниппель M18-16mm SL
16 1 J-T317541 Т-образный фитинг
Не нашли нужную позицию или хотите уточнить стоимость?
Корзина