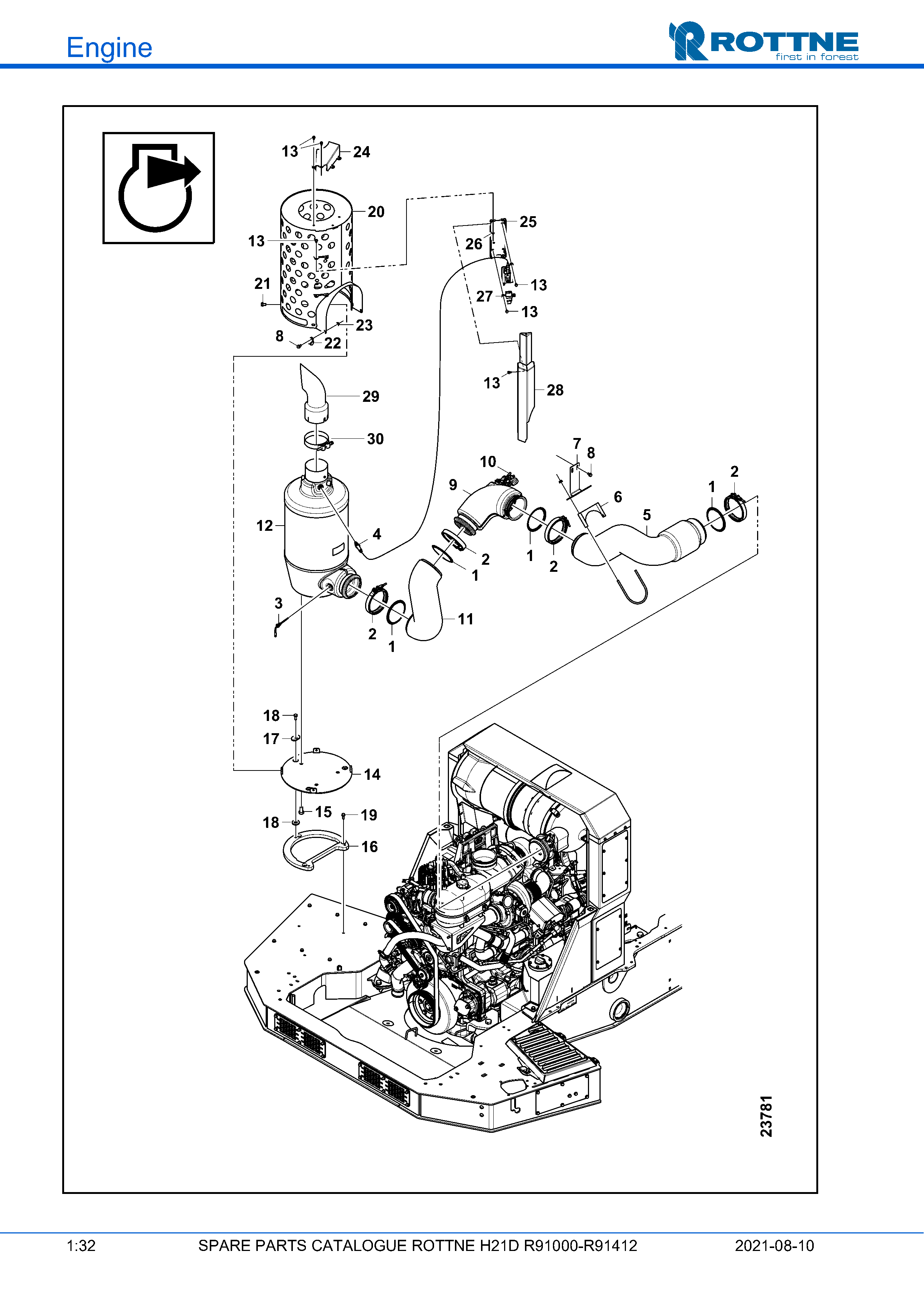
| 1 |
4 |
J-R529640
|
Прокладка |
| 2 |
4 |
J-RE540348
|
Хомут |
| 3 |
1 |
J-RE566739
|
Датчик температуры |
| 4 |
1 |
J-DZ109125
|
Химический датчик |
| 5 |
1 |
126-0031
|
Выхлопная труба |
| 6 |
1 |
126-0012
|
Хомут |
| 7 |
1 |
126-71694
|
126-71694 |
| 8 |
3 |
607-1619
|
Винт |
| 9 |
1 |
J-RE565074
|
Трубка |
| 10 |
1 |
J-RE560468
|
Дозирующий инжектор |
| 11 |
1 |
126-0030
|
Выхлопная труба |
| 13 |
15 |
607-1611
|
Винт |
| 14 |
1 |
129-57366
|
Кронштейн, SCR |
| 15 |
3 |
600-2269
|
Винт M6S 16 X 30 |
| 16 |
1 |
129-57686
|
Крепежная плита, SCR |
| 17 |
3 |
129-57689
|
Шайба, T=6 SCR |
| 18 |
3 |
129-57691
|
129-57691 |
| 19 |
3 |
607-1621
|
Винт |
| 20 |
1 |
117-71285
|
Защита (SCR) |
| 21 |
4 |
607-1627
|
Винт с буртом M6SF 10 X 16 |
| 22 |
1 |
624-8815
|
Резиновый хомут с уплотнением 16/20 |
| 23 |
1 |
611-8008
|
Гайка |
| 24 |
1 |
117-63605
|
Крышка |
| 25 |
1 |
129-60159
|
129-60159 |
| 26 |
4 |
610-2006
|
Гайка |
| 27 |
1 |
J-RE552186
|
Датчик температуры |
| 28 |
1 |
117-71289
|
Крышка |
| 29 |
1 |
118-63608
|
Труба (SCR) |
| 30 |
1 |
096-0040
|
Хомут SUP 140 |