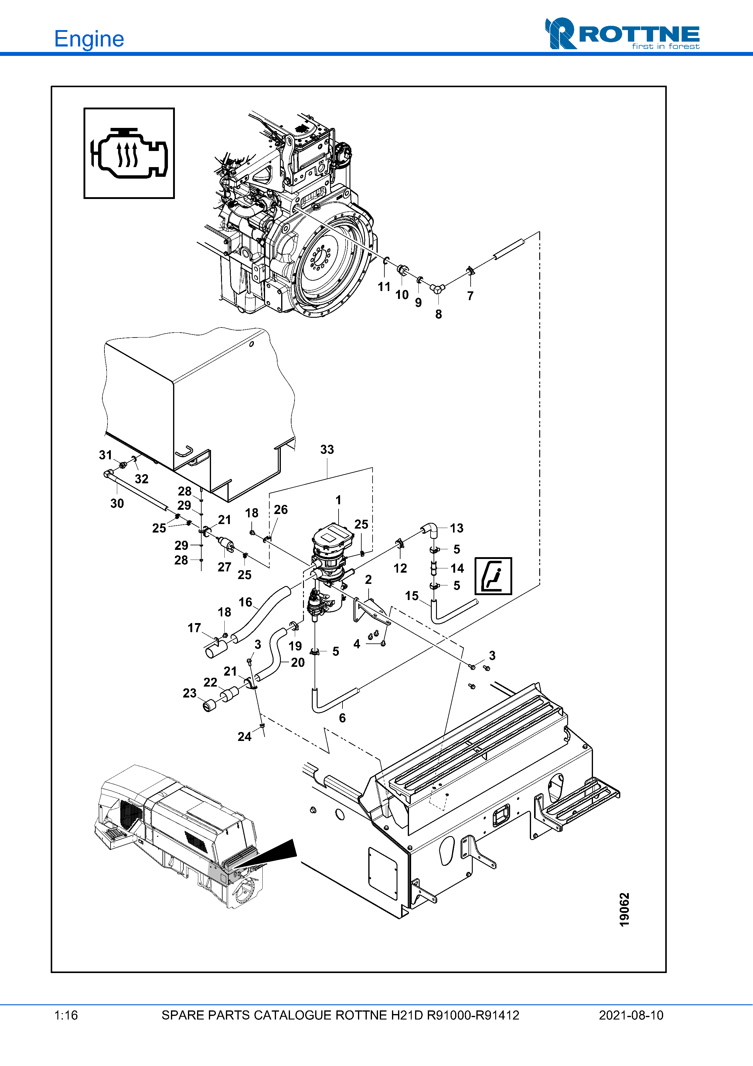
| 1 |
1 |
062-0466
|
Отопитель/контроль WEBASTO PRO 90 |
| 2 |
1 |
129-58765
|
Кронштейн |
| 3 |
4 |
607-1620
|
Винт |
| 4 |
3 |
607-1619
|
Винт |
| 5 |
3 |
624-3027
|
Гибкий стальной хомут 27 |
| 6 |
1 |
062-0405
|
Шланг EPDM Ø19 |
| 7 |
1 |
624-3026
|
Хомут для гибкого стального шланга 26 |
| 8 |
1 |
102-0045
|
Угловое соединение R1/2 - 3/4 |
| 9 |
1 |
089-0012
|
Контргайка R1/2" |
| 10 |
1 |
126-58257
|
Переходник M30X2-R1/2 |
| 11 |
1 |
626-3030
|
О-кольцо 26,2 X 3,0 70° |
| 12 |
1 |
624-3030
|
Гибкий стальной хомут 30 |
| 13 |
1 |
062-0095
|
Шланг 3/4" угольный |
| 14 |
1 |
062-0265
|
Коннектор трубы |
| 16 |
1 |
647-9932
|
Выхлопной шланг Ø38 мм |
| 17 |
1 |
129-58502
|
Выхлоп |
| 18 |
2 |
607-1617
|
Винт с фланцем M6SF 8 X 12 |
| 19 |
1 |
624-0064
|
Хомут для шланга 26-38 |
| 20 |
1 |
647-9911
|
Шланг APK Ø30,5 мм |
| 21 |
1 |
624-8835
|
Регулируемый хомут с резиновым уплотнением 35/20 |
| 22 |
1 |
658-4256
|
Усадочный шланг ADW 400 52/13 1,2м |
| 23 |
1 |
062-0142
|
Защитный кожух |
| 24 |
1 |
611-9008
|
Гайка |
| 25 |
3 |
624-0052
|
Зажим для шланга Ø 11 MINI |
| 26 |
1 |
624-8812
|
Регулируемый хомут с резиновым уплотнением 12/20 |
| 27 |
1 |
062-0469
|
Дозирующий насос 12-24V (DP42) |
| 28 |
2 |
610-2006
|
Гайка |
| 29 |
2 |
620-1005
|
Шайба |
| 30 |
1 |
655-1699
|
РВД 3/16" L=350 |
| 31 |
1 |
633-0206
|
Штуцер R1/8" X R3/8" |
| 32 |
1 |
640-0016
|
Резиновая шайба GBR 3/8" |
| 33 |
1 |
631-9252
|
РВД 3/16 R1T |