+7 933 113 06 10 | sale@unitservice-parts.ru | Москва · Ярцево | Написать Канал
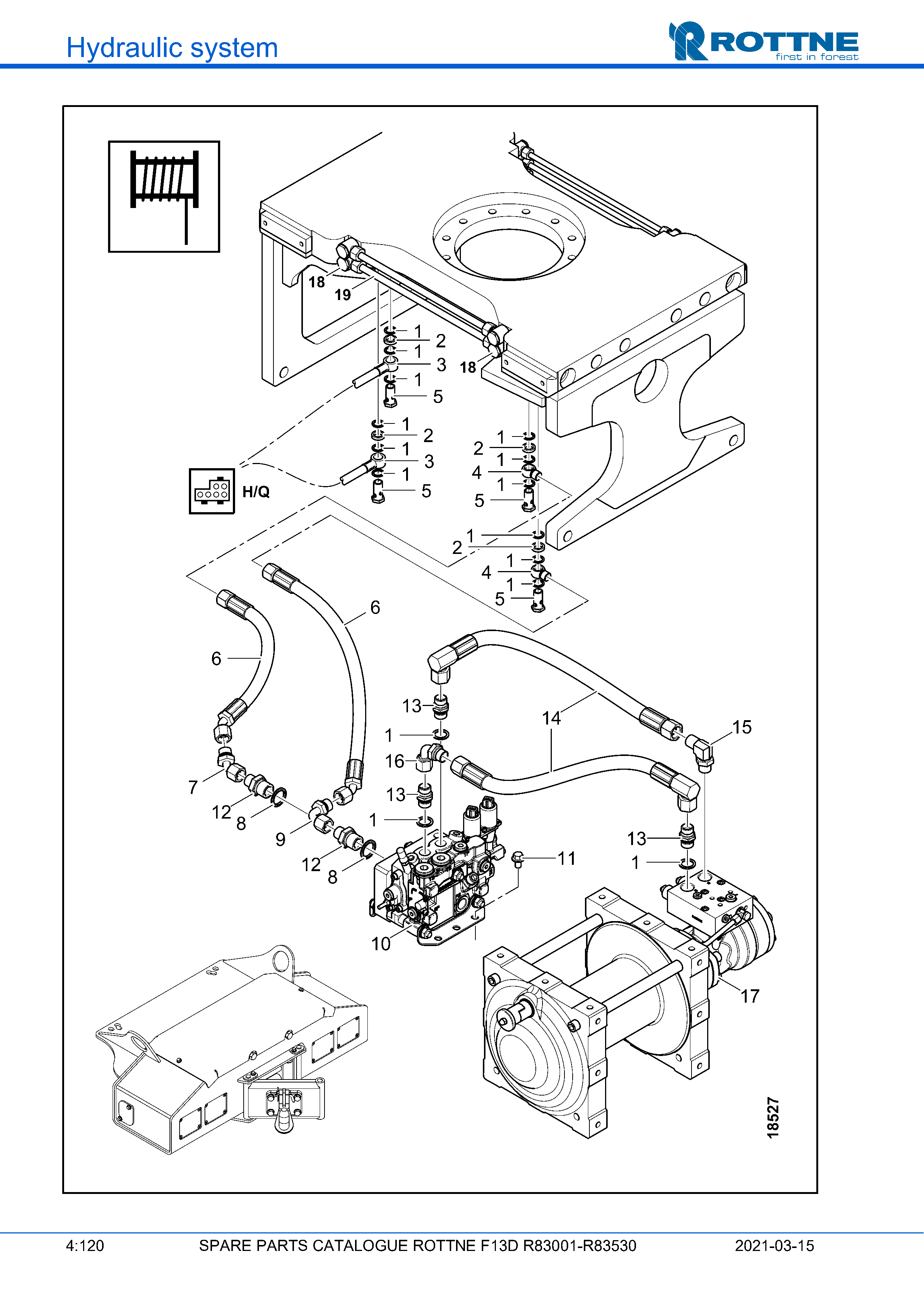
Гидравлическая система

F13D/ F15D Final Tier 4

Лебёдка (F13D R83001–R83530, 2021-03-15)

Лебёдка (F13D R83001–R83530, 2021-03-15)

Поз. Кол-во Артикул Наименование
1 15 640-0018 Резиновая шайба GBR 1/2"
2 4 120-59072 Проставка 30X21X7
3 2 655-1798 РВД 1/2" L=3200
4 2 081-0001 Банжо R1/2"
5 4 631-3775 Поворотное соединение 1/2"l=45
6 2 655-0166 РВД 1/2" L=2200
7 1 637-0808 Соединение 1/2 гайка X 1/2 45°
8 2 640-0020 Резиновая шайба GBR 3/4"
9 1 637-5808 Фитинг 1/2" гайка на 1/2" 90°
10 1 086-0094 Распределитель L90LS-01-12807-1
11 6 607-1627 Винт с буртом M6SF 10 X 16
12 2 633-0812 Штуцер R1/2" X R3/4"
13 3 633-0808 Штуцер R1/2" X R1/2"
14 2 655-0497 РВД 1/2" L=950
15 1 633-6808 Штуцер 1/2X1/2 90°ADJUSTA
17 1 028-0230 WINCH H60P INCL. HYDR.MOTOR
19 1 120-59076 Трубка 16X2 L=456
Не нашли нужную позицию или хотите уточнить стоимость?
Корзина