+7 933 113 06 10 | sale@unitservice-parts.ru | Москва · Ярцево | Написать Канал
Двигатель

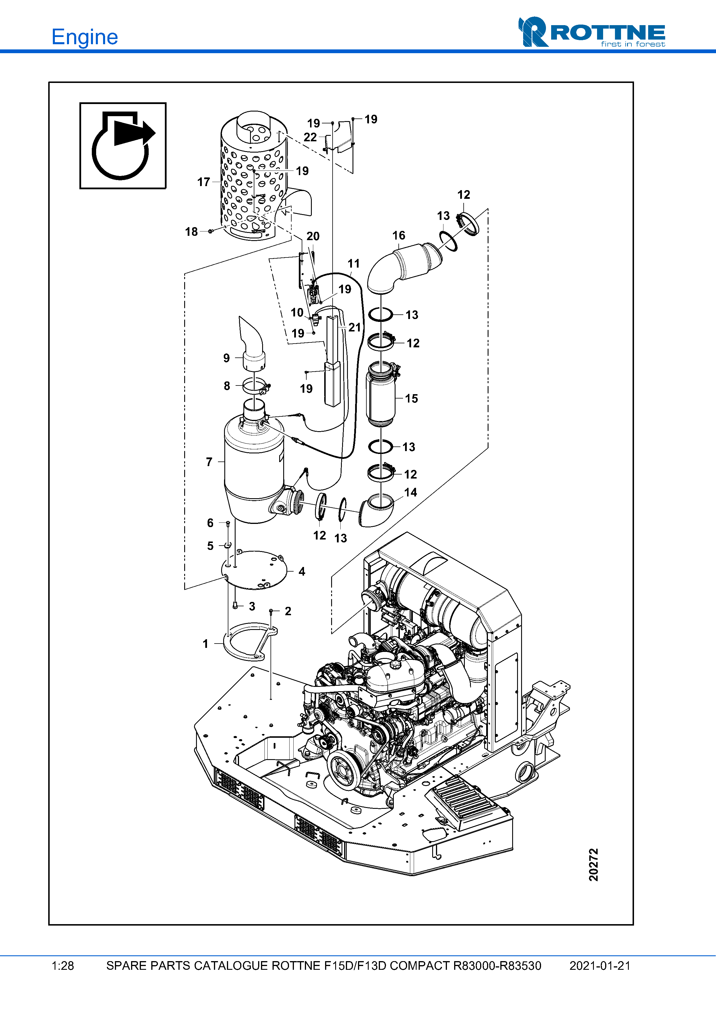
F13D/ F15D Final Tier 4

Глушитель, -R83230 (F15D/F13D COMPACT R83000–R83530, 2021-01-21)

Глушитель, -R83230 (F15D/F13D COMPACT R83000–R83530, 2021-01-21)

Поз. Кол-во Артикул Наименование
1 1 129-57686 Крепежная плита, SCR
2 3 607-1622 Винт
3 3 600-2269 Винт M6S 16 X 30
4 1 129-57366 Кронштейн, SCR
5 3 129-57689 Шайба, T=6 SCR
6 3 600-2195 Винт M6S 10 X 25
8 1 096-0040 Хомут SUP 140
9 1 118-63608 Труба (SCR)
10 1 J-RE552186 Датчик температуры
11 1 J-DZ109125 Химический датчик
12 4 J-RE540348 Хомут
13 4 J-R529640 Прокладка
14 1 118-64702 Выхлопная труба
15 1 J-RE565073 Трубка
16 1 118-64700 Выхлопная труба
17 1 120-59438 Защита (SCR)
18 4 607-1627 Винт с буртом M6SF 10 X 16
19 16 607-1611 Винт
20 1 129-60159 129-60159
21 1 120-60160 Крышка
22 1 120-63825 Крышка
Не нашли нужную позицию или хотите уточнить стоимость?
Корзина