+7 933 113 06 10 | sale@unitservice-parts.ru | Москва · Ярцево | Написать Канал
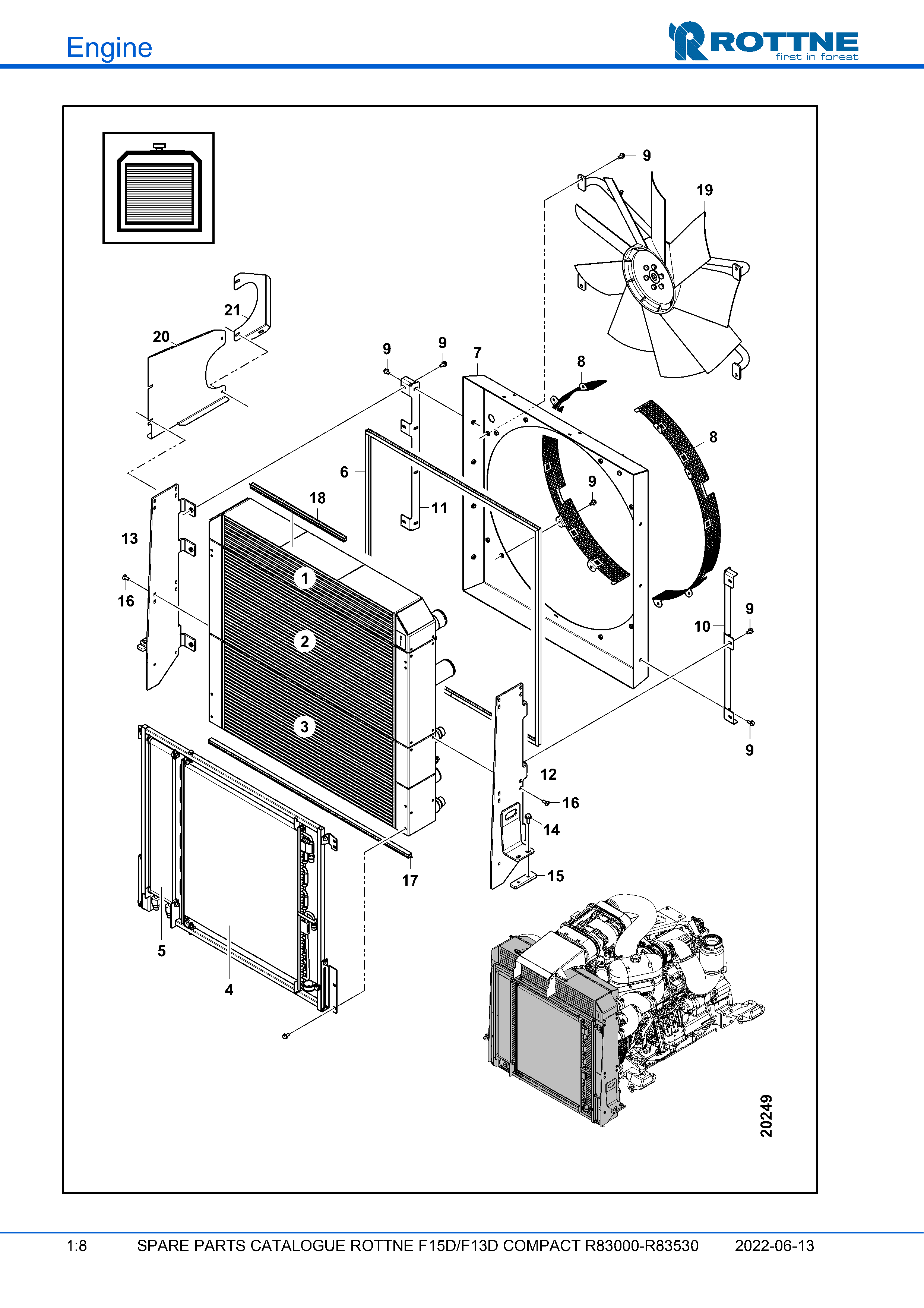
Двигатель

F13D/ F15D Final Tier 4

Крышка вентилятора (F15D/F13D COMPACT R83000–R83530, 2022-06-13)

Крышка вентилятора (F15D/F13D COMPACT R83000–R83530, 2022-06-13)

Поз. Кол-во Артикул Наименование
1 1 118-0021 Радиатор (наддувочный воздух)
2 1 118-0022 Радиатор (вода)
5 1 118-0023 Радиатор (топливо)
6 1 647-8774 Край/уплотнительная лента
7 1 118-60072 Крышка вентилятора
8 2 118-55154 Защитный кожух
9 21 607-1619 Винт
10 1 118-54799 Кронштейн, крышка вентилятора
11 1 118-54807 Кронштейн, крышка вентилятора
12 1 118-59683 Боковая плита, правая
13 1 118-59681 Боковая плита, левая
14 4 607-1629 Винт
15 2 120-54106 Резьбовая деталь
16 20 601-6283 Винт MK6SF 8 X 20 10.9
17 1 647-8770 Уплотнительная лента EPDM
20 1 118-61473 Экранирование
21 1 118-61483 Экранирование
Не нашли нужную позицию или хотите уточнить стоимость?
Корзина