+7 933 113 06 10 | sale@unitservice-parts.ru | Москва · Ярцево | Написать Канал
Двигатель

F13D/ F15D Final Tier 4

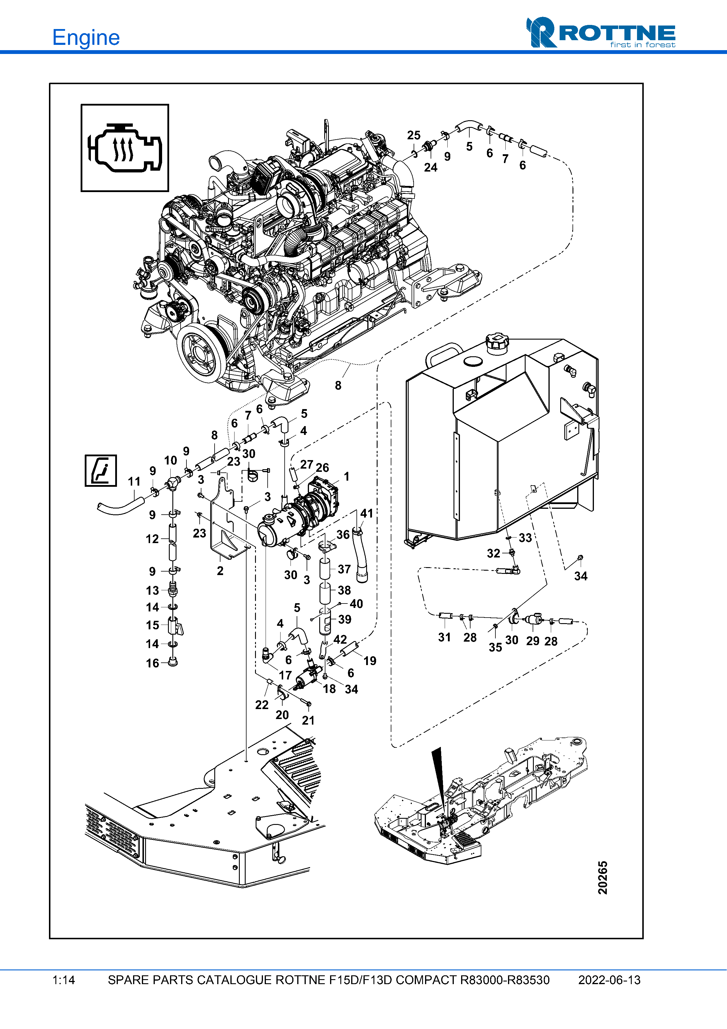
Подогреватель двигателя Thermo PRO 90 (F15D/F13D COMPACT R83000–R83530, 2022-06-13)

Подогреватель двигателя Thermo PRO 90 (F15D/F13D COMPACT R83000–R83530, 2022-06-13)

Поз. Кол-во Артикул Наименование
1 1 062-0466 Отопитель/контроль WEBASTO PRO 90
2 1 120-62028 Кронштейн
3 6 607-1620 Винт
4 2 624-3030 Гибкий стальной хомут 30
5 2 062-0095 Шланг 3/4" угольный
6 7 624-3027 Гибкий стальной хомут 27
7 2 062-0265 Коннектор трубы
8 1 062-0405 Шланг EPDM Ø19
9 5 624-3026 Хомут для гибкого стального шланга 26
10 1 062-0222 Т-образный соединитель 18X18X18
13 1 113-50050 Накладка шланга R1/2-19mm SL
14 2 640-0018 Резиновая шайба GBR 1/2"
15 1 086-0012 Шаровой клапан R1/2"
16 1 638-5404 Заглушка с уплотнением R1/2" VSTI
17 1 062-0335 Угловой фитинг
18 1 062-0475 Циркуляционный насос воды 24V
20 1 624-8848 Резиновый хомут 48/20
21 1 600-2157 Винт M6S 8 X 45
22 1 037-41992 Проставка
23 2 611-9008 Гайка
24 1 118-49831 Штуцер шланга M27X2-19mm SL
Не нашли нужную позицию или хотите уточнить стоимость?
Корзина