+7 933 113 06 10 | sale@unitservice-parts.ru | Москва · Ярцево | Написать Канал
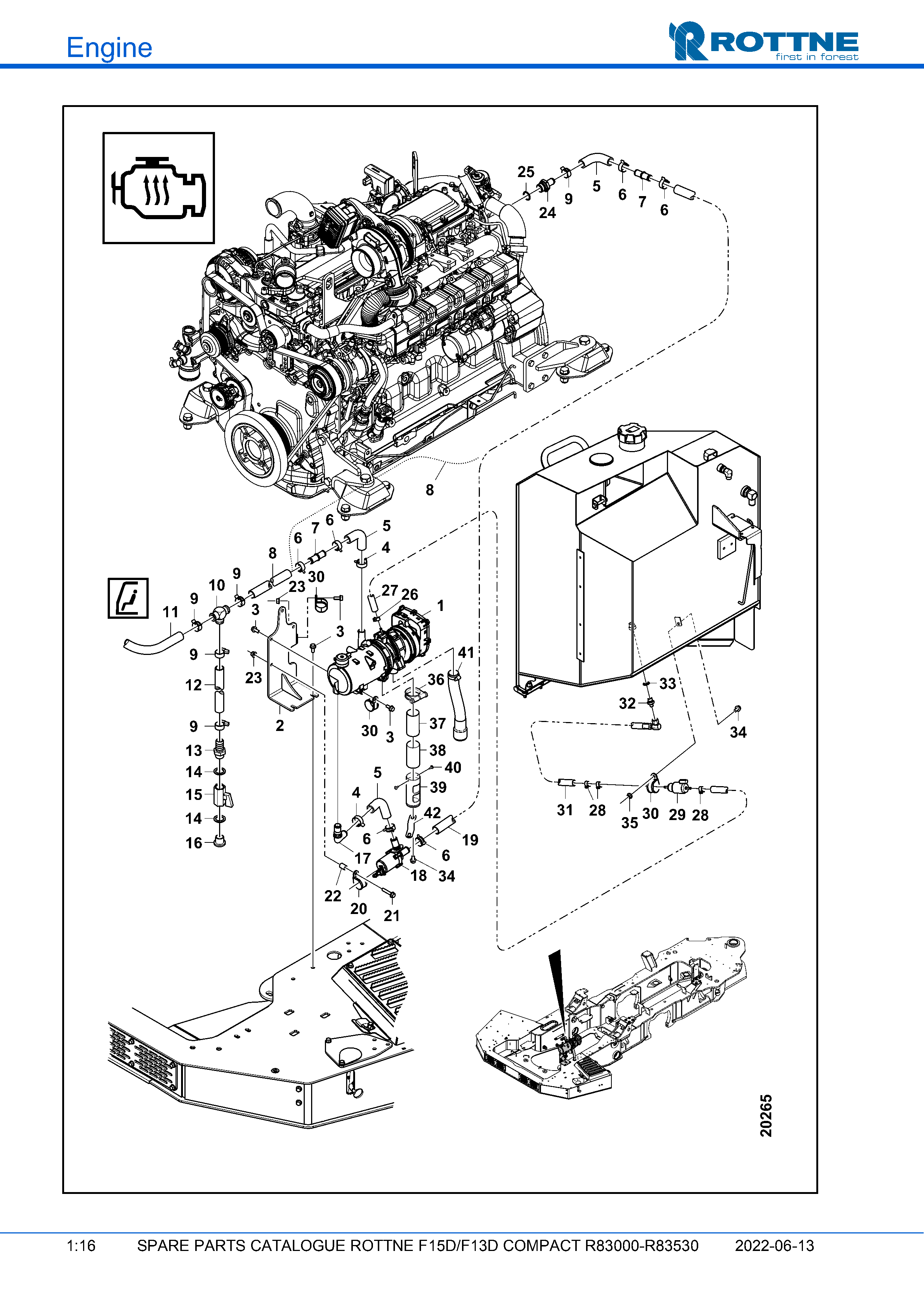
Двигатель

F13D/ F15D Final Tier 4

Подогреватель двигателя Thermo PRO 90 (F15D/F13D COMPACT R83000–R83530, 2022-06-13)

Подогреватель двигателя Thermo PRO 90 (F15D/F13D COMPACT R83000–R83530, 2022-06-13)

Поз. Кол-во Артикул Наименование
25 1 626-2030 О-кольцо 24,2 X 3,0 70°
26 1 624-0052 Зажим для шланга Ø 11 MINI
27 1 631-9252 РВД 3/16 R1T
28 3 624-0053 Хомут Ø 12 MINI
29 1 062-0469 Дозирующий насос 12-24V (DP42)
30 1 624-8835 Регулируемый хомут с резиновым уплотнением 35/20
31 1 655-1116 РВД 3/16" L=140
32 1 633-0204 Штуцер R1/8" X R1/4"
33 1 640-0014 Резиновая стальная шайба GB-R 1/4"
34 1 607-1619 Винт
35 1 611-9008 Гайка
36 1 062-0141 Хомут R42
37 1 647-9932 Выхлопной шланг Ø38 мм
38 1 062-47014 Сеть, защита от искр
39 1 062-47015 Защита от искр
40 2 607-1380 Винт 4,2 X 14 черный
41 1 647-9911 Шланг APK Ø30,5 мм
42 1 120-67899 120-67899
Не нашли нужную позицию или хотите уточнить стоимость?
Корзина