+7 933 113 06 10
|
sale@unitservice-parts.ru
|
Москва · Ярцево
|
Написать
Канал
Rottne
Komatsu Forest
Техбаза
Запросить детали
+7 933 113 06 10
sale@unitservice-parts.ru
Москва · Ярцево
Написать в Telegram
Telegram канал
Каталог Rottne
Каталог Komatsu Forest
Техбаза
Rottne
›
Харвестеры
Форвардеры
Харвестеры
Харвестерные головки
›
H11D Stage V
H11D Stage V
S/N R56901–R57325
H11D Tier 4 Final
S/N R56600–R56824
H11E
S/N R57401-
H21D Final Tier 4
S/N R91000–R91412
H21D Stage V
S/N R91501–R92108
H21E
S/N R92201-
H8D Final Tier 4
S/N R63600–R63820
H8D Stage V
S/N R63901–R63920
H8E
S/N R64001-
›
Система трансмиссии
Двигатель
Система трансмиссии
Гидравлическая система
Электрическая система
Кабина
Рама/шасси
Кран
Харвестерная головка
Блок навесного оборудования
Разное
Техническое обслуживание
Система управления
Инструкции для оператора
Безопасность
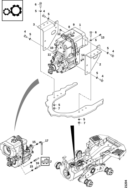
H11D Stage V
Система трансмиссии
✕
Валы привода
Гидравлический масляный бак
Гидростатический гидромотор A6VM 170
Колесо
Насос трансмиссии A4VG110
Обзор, гидростатика
Одиночная ось, задняя (BOE87)
Ось тележки передняя (BOE98)
Ось тележки передняя/задняя (BOE95)
Распределительная коробка передач
Теплообменник
Не нашли нужную деталь?
Отправьте запрос — подберём запчасти для Система трансмиссии по артикулу или описанию.
Запросить запчасти
✕
Запрос деталей
Имя *
Телефон *
Способ связи
Телефон
Telegram
MAX
Email
По артикулу
?
Можно прикрепить файл со списком
артикулов вместо ручного ввода
По названию
?
Опишите нужную деталь словами —
укажите название, модель и серийный номер
Артикул
Кол.
Примечание
✕
+ Добавить позицию
Модель техники *
Серийный номер *
Отправить ПТС / документы вместо заполнения
Прикрепите файл ниже — поля заполнять не нужно
отменить
📎 Перетащите файлы или нажмите для выбора
Excel, PDF, фото — любые форматы
Отправить запрос
✅
Запрос отправлен!
Менеджер свяжется с вами в ближайшее время.
Закрыть
0
Корзина
0
×
Очистить корзину
Прикрепить фото, список или документы
▾
✓ Данные прикреплены
изменить
×
Запросить по названию
Отправить ПТС / документы вместо заполнения
Прикрепите файл ниже — поля заполнять не нужно
отменить
📎 Перетащите файлы или нажмите
Прикрепить к заказу
Узнать стоимость и наличие →
Ваши контакты
Телефон
Telegram
MAX
Email
Отправить заявку →
✅
Заявка отправлена!
Мы свяжемся с вами в ближайшее время
Закрыть