+7 933 113 06 10
|
sale@unitservice-parts.ru
|
Москва · Ярцево
|
Написать
Канал
Rottne
Komatsu Forest
Техбаза
Запросить детали
+7 933 113 06 10
sale@unitservice-parts.ru
Москва · Ярцево
Написать в Telegram
Telegram канал
Каталог Rottne
Каталог Komatsu Forest
Техбаза
Rottne
›
Харвестеры
Форвардеры
Харвестеры
Харвестерные головки
›
H11D Stage V
H11D Stage V
H11D Tier 4 Final
H11E
H21D Final Tier 4
H21D Stage V
H21E
H8D Final Tier 4
H8D Stage V
H8E
›
Рама/шасси
Двигатель
Система трансмиссии
Гидравлическая система
Электрическая система
Кабина
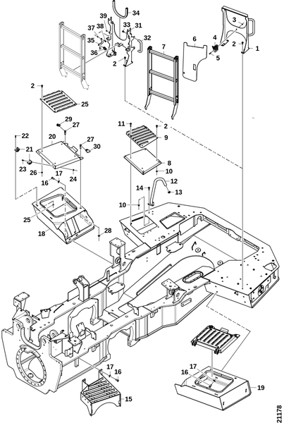
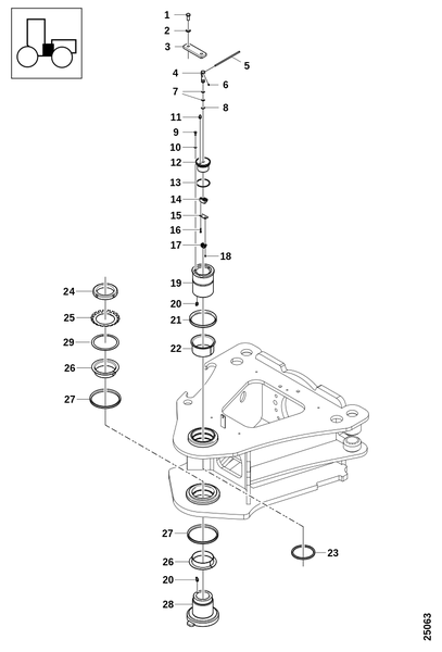
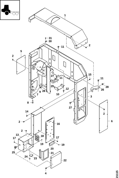
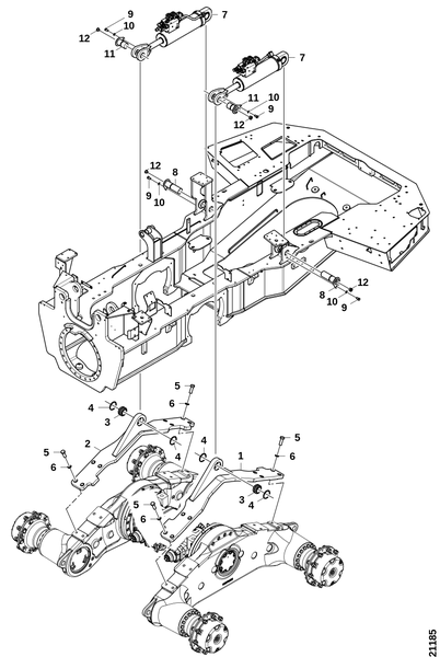
Рама/шасси
Кран
Харвестерная головка
Блок навесного оборудования
Разное
Техническое обслуживание
Система управления
Инструкции для оператора
Безопасность
H11D Stage V
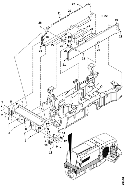
Рама/шасси
✕
Дополнительная защита радиатора
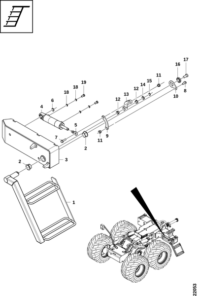
Защита от скольжения и сервисная лестница
Защитные пластины
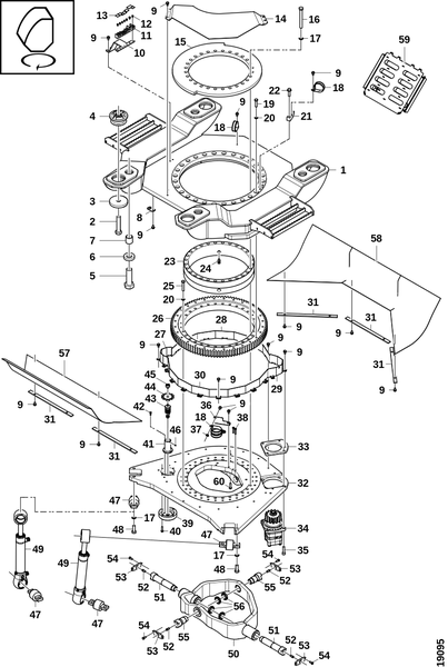
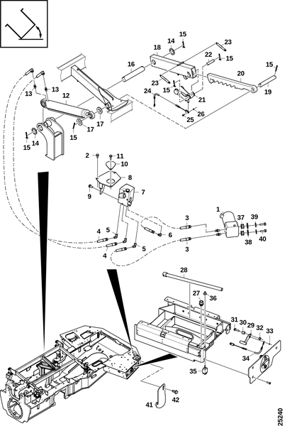
Защиты, соединение рамы
Капот двигателя
Крепление кабины
Крепление тележки, задняя рама
Крышка бака
Крышка бака
Крышки, задняя рама
Лестница кабины
Люки и крышки
Основание манипулятора и крепление тележки
Отсек для аккумулятора
Отсек для инструментов
Передний ящик
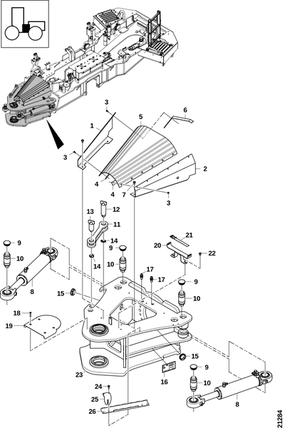
Подъём бака
Подъём задней тележки
Подъём передней тележки
Промежуточная крышка
Соединение рамы и шаровой поворотный стол
Соединительные оси
Не нашли нужную деталь?
Отправьте запрос — подберём запчасти для Рама/шасси по артикулу или описанию.
Запросить запчасти
✕
Запрос деталей
Имя *
Телефон *
Способ связи
Телефон
Telegram
MAX
Email
По артикулу
?
Можно прикрепить файл со списком
артикулов вместо ручного ввода
По названию
?
Опишите нужную деталь словами —
укажите название, модель и серийный номер
Артикул
Кол.
Примечание
✕
+ Добавить позицию
Модель техники *
Серийный номер *
Отправить ПТС / документы вместо заполнения
Прикрепите файл ниже — поля заполнять не нужно
отменить
📎 Перетащите файлы или нажмите для выбора
Excel, PDF, фото — любые форматы
Отправить запрос
✅
Запрос отправлен!
Менеджер свяжется с вами в ближайшее время.
Закрыть
0
Корзина
0
×
Очистить корзину
Прикрепить фото, список или документы
▾
✓ Данные прикреплены
изменить
×
Запросить по названию
Отправить ПТС / документы вместо заполнения
Прикрепите файл ниже — поля заполнять не нужно
отменить
📎 Перетащите файлы или нажмите
Прикрепить к заказу
Узнать стоимость и наличие →
Ваши контакты
Телефон
Telegram
MAX
Email
Отправить заявку →
✅
Заявка отправлена!
Мы свяжемся с вами в ближайшее время
Закрыть