+7 933 113 06 10
|
sale@unitservice-parts.ru
|
Москва · Ярцево
|
Написать
Канал
Rottne
Komatsu Forest
Техбаза
Запросить детали
+7 933 113 06 10
sale@unitservice-parts.ru
Москва · Ярцево
Написать в Telegram
Telegram канал
Каталог Rottne
Каталог Komatsu Forest
Техбаза
Rottne
›
Харвестеры
Форвардеры
Харвестеры
Харвестерные головки
›
H11D Stage V
H11D Stage V
S/N R56901–R57325
H11D Tier 4 Final
S/N R56600–R56824
H11E
S/N R57401-
H21D Final Tier 4
S/N R91000–R91412
H21D Stage V
S/N R91501–R92108
H21E
S/N R92201-
H8D Final Tier 4
S/N R63600–R63820
H8D Stage V
S/N R63901–R63920
H8E
S/N R64001-
›
Кабина
Двигатель
Система трансмиссии
Гидравлическая система
Электрическая система
Кабина
Рама/шасси
Кран
Харвестерная головка
Блок навесного оборудования
Разное
Техническое обслуживание
Система управления
Инструкции для оператора
Безопасность
H11D Stage V
Кабина
✕
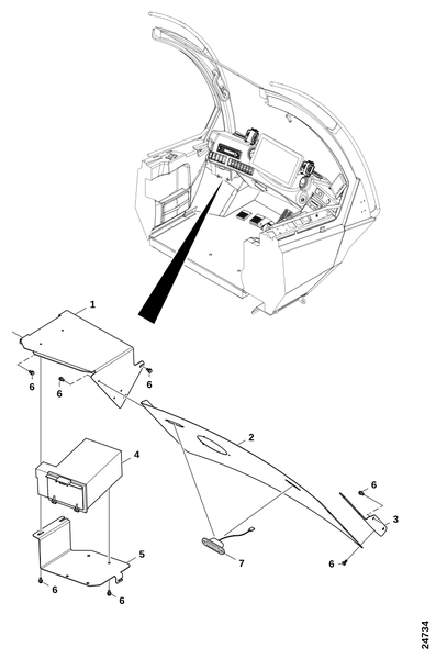
SITTAB, скользящая направляющая
Внутренние панели
Воздуховод
Воздуховод и внешние фильтры
Дверь, левая
Дверь, правая
Защитные гофры
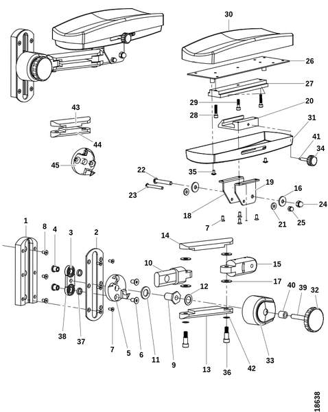
Зеркала заднего вида
Кабина внутри, левая дверь
Кабина внутри, правая дверь
Комплект солнцезащиты переднего окна
Комплект, охладитель топлива — Запасные части
Конденсатор
Конденсатор Aftermarket
PDF
Конденсаторный комплект для вторичного рынка — Запасные части
Кондиционер
Крышки
Окна
Омывающая жидкость
Планировочный демпфер, 2-сторонний
Планировочный демпфер, 4-сторонний
Пластина сиденья
Поддержка поясницы
Подлокотник, Armflex 120/80 мм
Подогреватель ланч-бокса
Подушка
Подушка, спинка и подлокотник
Пол
Потолочные панели
Световая сборка
Сиденье, BE-GE 3100DPS Airvent
Сиденье, BE-GE 7100 FL Airvent
Солнцезащитные шторы
Спинка
Стеклоочистители, боковые окна
Стеклоочиститель, передний
Управление
Ходовая часть
Шланги, система охлаждения
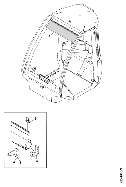
Шумоизоляция
Электропроводка
Ящик для инструментов
Не нашли нужную деталь?
Отправьте запрос — подберём запчасти для Кабина по артикулу или описанию.
Запросить запчасти
✕
Запрос деталей
Имя *
Телефон *
Способ связи
Телефон
Telegram
MAX
Email
По артикулу
?
Можно прикрепить файл со списком
артикулов вместо ручного ввода
По названию
?
Опишите нужную деталь словами —
укажите название, модель и серийный номер
Артикул
Кол.
Примечание
✕
+ Добавить позицию
Модель техники *
Серийный номер *
Отправить ПТС / документы вместо заполнения
Прикрепите файл ниже — поля заполнять не нужно
отменить
📎 Перетащите файлы или нажмите для выбора
Excel, PDF, фото — любые форматы
Отправить запрос
✅
Запрос отправлен!
Менеджер свяжется с вами в ближайшее время.
Закрыть
0
Корзина
0
×
Очистить корзину
Прикрепить фото, список или документы
▾
✓ Данные прикреплены
изменить
×
Запросить по названию
Отправить ПТС / документы вместо заполнения
Прикрепите файл ниже — поля заполнять не нужно
отменить
📎 Перетащите файлы или нажмите
Прикрепить к заказу
Узнать стоимость и наличие →
Ваши контакты
Телефон
Telegram
MAX
Email
Отправить заявку →
✅
Заявка отправлена!
Мы свяжемся с вами в ближайшее время
Закрыть