+7 933 113 06 10 | sale@unitservice-parts.ru | Москва · Ярцево | Написать Канал
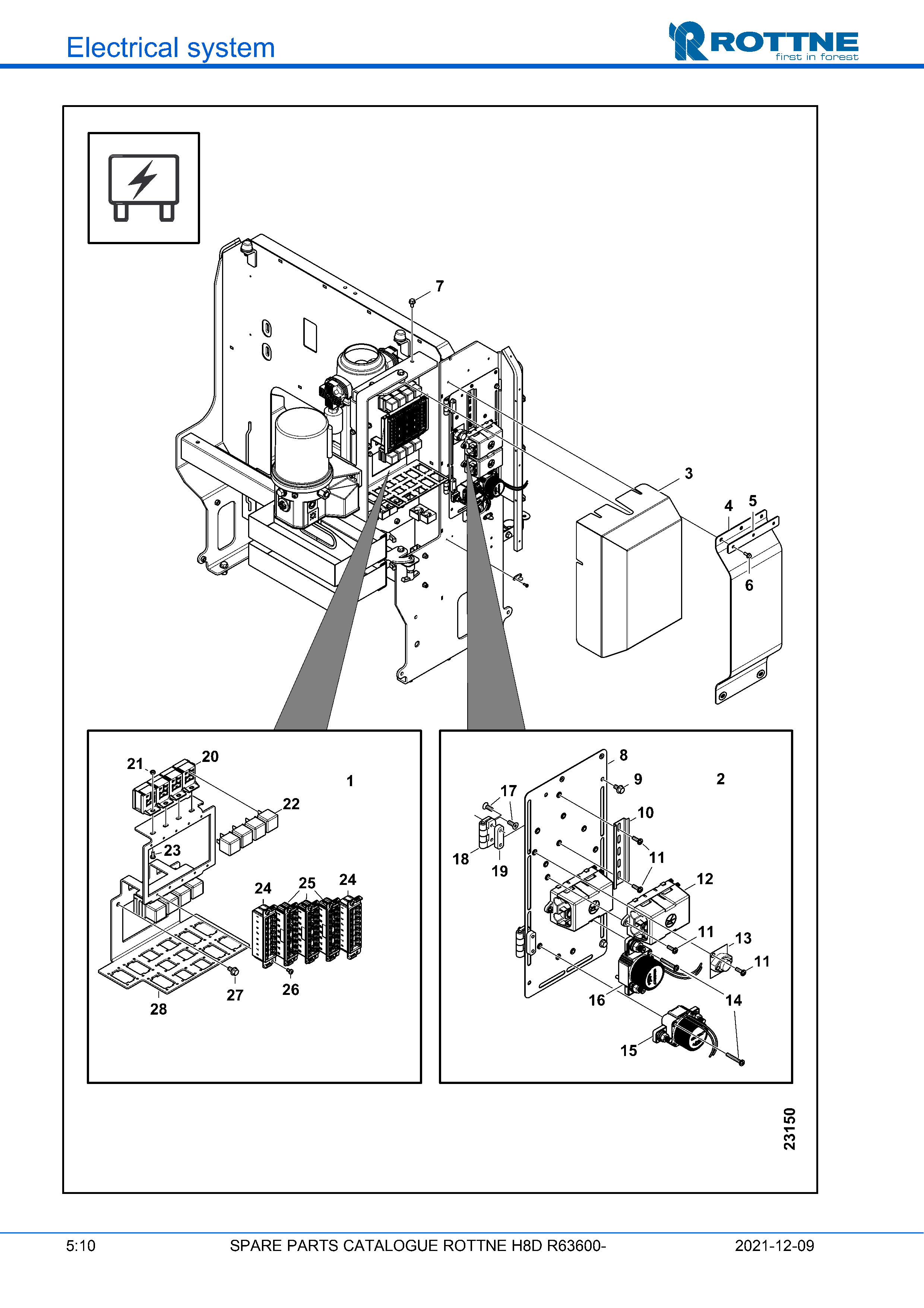
Электрическая система

H8D Final Tier 4

Распределительный бокс в среднем капоте

Распределительный бокс в среднем капоте

Поз. Кол-во Артикул Наименование
1 1 136-71012
2 1 136-71011 136-71011
3 1 137-71876 137-71876
4 1 137-72177 137-72177
5 1 137-71916 137-71916
6 3 607-1612 Винт
7 3 607-1611 Винт
8 1 115-54845 115-54845
10 1 991-0502 Рельс носителя TS35X7,5 L2M
11 8 602-5187 Винт
12 2 115-0112 Блок предохранителей
13 1 J-AT163022 Защита от перенапряжения
14 4 602-5191 Винт MRX 5 X 35
15 1 991-3251 CONTAKTOR MX11CB M.KABEL L=610
16 1 991-3252
17 8 601-6522 Винт MF6S 6 X 16 10.9 FZB
18 2 088-0044 Петля 50X50
19 2 120-61950 Резьбовая часть M6X2
20 8 012-0190 Розетка реле
21 4 610-2005 Гайка
22 8 085-0010 Реле 24V 30A/15A
23 4 602-5184 Винт MRX 5 X 10
24 2 098-0054 Блок предохранителей
25 3 098-0053 Блок предохранителей
26 10 602-5169 Винт MRX 4 X 8
28 1 137-70591 Кронштейн
Не нашли нужную позицию или хотите уточнить стоимость?
Корзина