+7 933 113 06 10
|
sale@unitservice-parts.ru
|
Москва · Ярцево
|
Написать
Канал
Rottne
Komatsu Forest
Техбаза
Запросить детали
+7 933 113 06 10
sale@unitservice-parts.ru
Москва · Ярцево
Написать в Telegram
Telegram канал
Каталог Rottne
Каталог Komatsu Forest
Техбаза
Rottne
›
Харвестеры
Форвардеры
Харвестеры
Харвестерные головки
›
H8D Final Tier 4
H11D Stage V
H11D Tier 4 Final
H11E
H21D Final Tier 4
H21D Stage V
H21E
H8D Final Tier 4
H8D Stage V
H8E
›
Харвестерная головка
Двигатель
Система трансмиссии
Гидравлическая система
Электрическая система
Кабина
Рама/ шасси
Кран
Харвестерная головка
Блок навесного оборудования
Разное
Система управления
Безопасность
Инструкции для оператора
Техническое обслуживание
H8D Final Tier 4
Харвестерная головка
✕
Saw
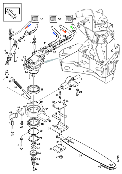
Блок пилы "A7"
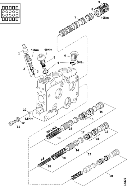
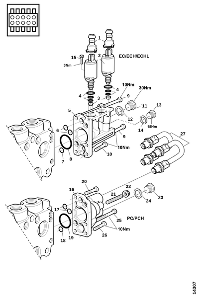
Входной блок L90LS
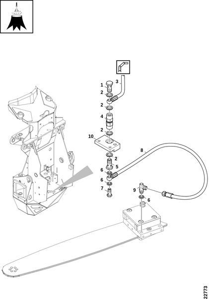
Гидроцилиндр давления s. 17 № 02–
Гидроцилиндр давления s. –17 № 01
Гидроцилиндр, ножи сучкорезки
Гидроцилиндр, пила
Гидроцилиндр, рычаги колёс
Гидроцилиндр, устройство измерения длины s. 17 № 02–
Гидроцилиндр, устройство измерения длины s. –17 № 01
Импульсный энкодер s. 17 № 02–
Импульсный энкодер s. –17 № 01
Качающийся рычаг и оси
Качающийся рычаг, гидроцилиндр
Комплект шлангов EGS406 s.15–
PDF
Механизм измерения диаметра
Ножи сучкорезки
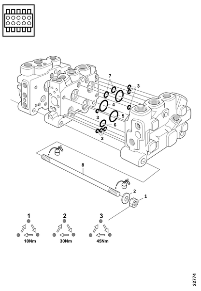
О-ринги L90LS
Обзор, L90LS
Обзор, устройство измерения длины s. 17 № 02–
Обзор, устройство измерения длины s.–17 № 01
Подающее колесо и гидромотор
Полевой ремонтный комплект EGS406 s.15–
PDF
Применение системы распыления на пни
Рычаги колёс
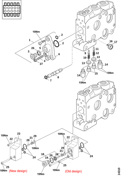
Секция управления L90LS
Секция управления L90LS, продолжение
Секция управления L90LS, продолжение
Сервисный комплект EGS406 s.15–
PDF
Система цветовой маркировки
Смазка цепи
Соединения, верхние ножи сучкорезки "A2"
Соединения, входной блок L90LS
Соединения, качающийся рычаг "A5"
Соединения, нижние ножи сучкорезки "A4"
Соединения, пила "A7"
Соединения, подающее колесо
Соединения, рычаги колёс "A1"
Устройство измерения длины s. 17 № 02–
Устройство измерения длины s. –7 № 01
Харвестерная головка, задняя
Харвестерная головка, передняя
Харвестерная головка, рама
Электропроводка, электроника и датчик
Энкодер положения пилы
Не нашли нужную деталь?
Отправьте запрос — подберём запчасти для Харвестерная головка по артикулу или описанию.
Запросить запчасти
✕
Запрос деталей
Имя *
Телефон *
Способ связи
Телефон
Telegram
MAX
Email
По артикулу
?
Можно прикрепить файл со списком
артикулов вместо ручного ввода
По названию
?
Опишите нужную деталь словами —
укажите название, модель и серийный номер
Артикул
Кол.
Примечание
✕
+ Добавить позицию
Модель техники *
Серийный номер *
Отправить ПТС / документы вместо заполнения
Прикрепите файл ниже — поля заполнять не нужно
отменить
📎 Перетащите файлы или нажмите для выбора
Excel, PDF, фото — любые форматы
Отправить запрос
✅
Запрос отправлен!
Менеджер свяжется с вами в ближайшее время.
Закрыть
0
Корзина
0
×
Очистить корзину
Прикрепить фото, список или документы
▾
✓ Данные прикреплены
изменить
×
Запросить по названию
Отправить ПТС / документы вместо заполнения
Прикрепите файл ниже — поля заполнять не нужно
отменить
📎 Перетащите файлы или нажмите
Прикрепить к заказу
Узнать стоимость и наличие →
Ваши контакты
Телефон
Telegram
MAX
Email
Отправить заявку →
✅
Заявка отправлена!
Мы свяжемся с вами в ближайшее время
Закрыть