+7 933 113 06 10
|
sale@unitservice-parts.ru
|
Москва · Ярцево
|
Написать
Канал
Rottne
Komatsu Forest
В наличии
Техбаза
Запросить детали
+7 933 113 06 10
sale@unitservice-parts.ru
Москва · Ярцево
Написать в Telegram
Telegram канал
Каталог Rottne
Каталог Komatsu Forest
Техбаза
Rottne
›
Harvester
Форвардеры
Харвестеры
Харвестерные головки
›
H8D Final Tier 4
H11D Stage V
S/N R56901–R57325
H11D Tier 4 Final
S/N R56600–R56824
H11E
S/N R57401-
H21D Final Tier 4
S/N R91000–R91412
H21D Stage V
S/N R91501–R92108
H21E
S/N R92201-
H8D Final Tier 4
S/N R63600–R63820
H8D Stage V
S/N R63901–R63920
H8E
S/N R64001-
›
Кабина
Двигатель
Система трансмиссии
Гидравлическая система
Электрическая система
Кабина
Рама/ шасси
Кран
Харвестерная головка
Блок навесного оборудования
Разное
Система управления
Безопасность
Инструкции для оператора
Техническое обслуживание
›
Подогреватель контейнера для еды
Кабина — Запасные части
Бокс для шлангов
Световая панель
Бокс шины и сервисная лестница
Зеркало заднего вида
Дверь, правая
Дверь, левая
Стёкла, кронштейны и ручка
Стеклоочиститель, передний
Боковые окна
Жидкость омывателя
Солнцезащитный козырёк
Дверь, правая
Дверь, левая
Панели
Половая панель
Ящик для инструментов
Подогреватель контейнера для еды
Отопитель ECC
Система охлаждения
Воздуховоды и наружный фильтр
Конденсатор, кронштейн
Подушка сиденья, спинка и подлокотник
Подлокотник Armflex E 120/80 мм
Слайдер
Шасси
Управление
Крышки
Спинка
Подушка сиденья
Электропроводка
Вентиляция кабины
Слайдер
Плоскостной демпфер одинарный, доп. оборудование
Плоскостной демпфер двойной, доп. оборудование
Кабина
H8D Final Tier 4
Подогреватель контейнера для еды
Сортировка
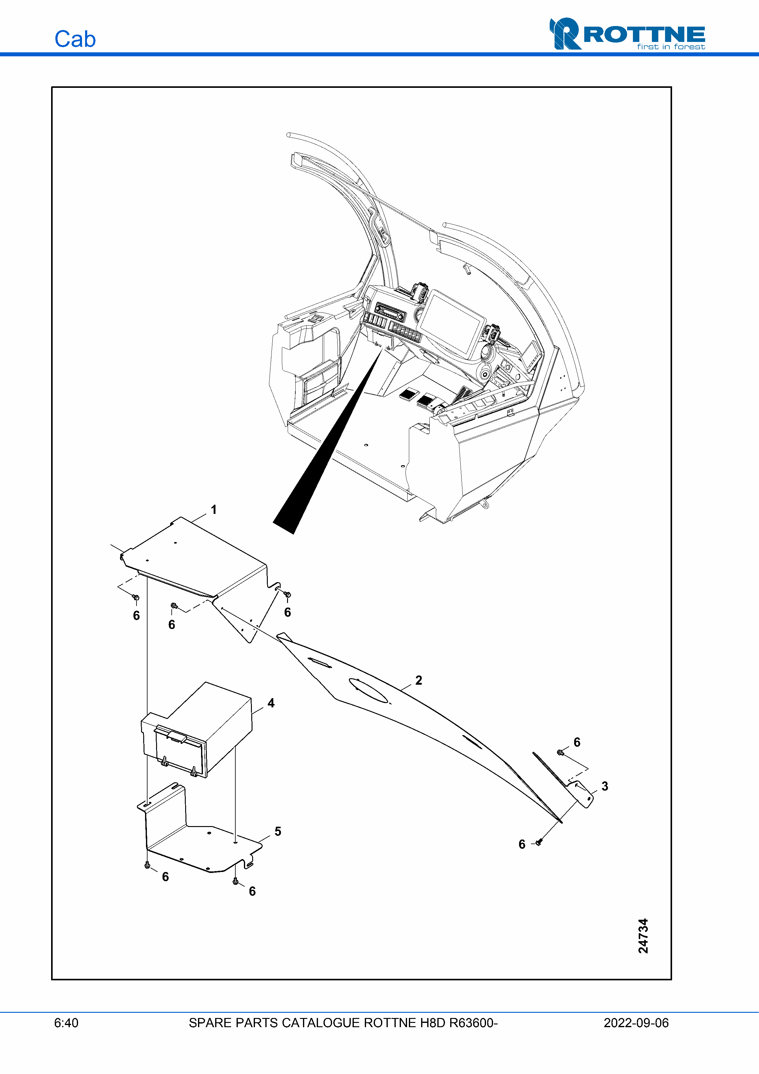
Поз.
Кол-во
Артикул
Наименование
1
1
099-74061
Плита
2
1
099-74076
Ударная плита
3
1
099-74080
Кронштейн
4
1
116-72330
Электрический обогреватель 24 в X606
5
1
099-74059
Кронштейн
6
18
607-1605
Винт с буртом M6SF 5 X 10
Не нашли нужную позицию или хотите уточнить стоимость?
Запросить у менеджера
✕
Запрос деталей
Имя *
Телефон *
Способ связи
Телефон
Telegram
MAX
Email
По артикулу
?
Можно прикрепить файл со списком
артикулов вместо ручного ввода
По названию
?
Опишите нужную деталь словами —
укажите название, модель и серийный номер
Артикул
Кол.
Примечание
✕
+ Добавить позицию
Модель техники *
Серийный номер *
Отправить ПТС / документы вместо заполнения
Прикрепите файл ниже — поля заполнять не нужно
отменить
📎 Перетащите файлы или нажмите для выбора
Excel, PDF, фото — любые форматы
Отправить запрос
✅
Запрос отправлен!
Менеджер свяжется с вами в ближайшее время.
Закрыть
0
Корзина
0
×
Очистить корзину
Прикрепить фото, список или документы
▾
✓ Данные прикреплены
изменить
×
Запросить по названию
Отправить ПТС / документы вместо заполнения
Прикрепите файл ниже — поля заполнять не нужно
отменить
📎 Перетащите файлы или нажмите
Прикрепить к заказу
Узнать стоимость и наличие →
Ваши контакты
Телефон
Telegram
MAX
Email
Отправить заявку →
✅
Заявка отправлена!
Мы свяжемся с вами в ближайшее время
Закрыть