+7 933 113 06 10
|
sale@unitservice-parts.ru
|
Москва · Ярцево
|
Написать
Канал
Rottne
Komatsu Forest
Техбаза
Запросить детали
+7 933 113 06 10
sale@unitservice-parts.ru
Москва · Ярцево
Написать в Telegram
Telegram канал
Каталог Rottne
Каталог Komatsu Forest
Техбаза
Rottne
›
Харвестеры
Форвардеры
Харвестеры
Харвестерные головки
›
H8D Stage V
H11D Stage V
H11D Tier 4 Final
H11E
H21D Final Tier 4
H21D Stage V
H21E
H8D Final Tier 4
H8D Stage V
H8E
›
Электрическая система
Двигатель
Система трансмиссии
Гидравлическая система
Электрическая система
Кабина
Рама/шасси
Кран
Харвестерная головка
Блок навесного оборудования
Разное
Инструкции для оператора
Система управления
Безопасность
Техническое обслуживание
H8D Stage V
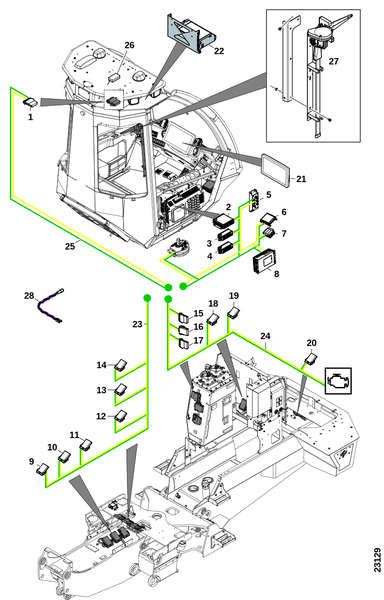
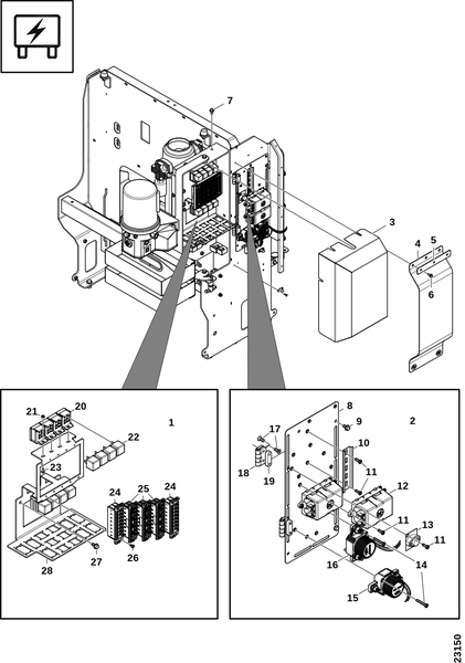
Электрическая система
✕
Генератор
Главная распределительная коробка, кабина
Датчики
Держатель экрана управления и мобильного телефона
Компоненты, внутри
Компоненты, снаружи
Коробки, дисплеи и принтер
Панель рычагов, левая
Панель рычагов, правая
Питание
Распределительная коробка, промежуточная крышка
Реле, предохранители
Экран камеры заднего вида
Электропроводка, кабина
Электропроводка, манипулятор
Электропроводка, рама
Не нашли нужную деталь?
Отправьте запрос — подберём запчасти для Электрическая система по артикулу или описанию.
Запросить запчасти
✕
Запрос деталей
Имя *
Телефон *
Способ связи
Телефон
Telegram
MAX
Email
По артикулу
?
Можно прикрепить файл со списком
артикулов вместо ручного ввода
По названию
?
Опишите нужную деталь словами —
укажите название, модель и серийный номер
Артикул
Кол.
Примечание
✕
+ Добавить позицию
Модель техники *
Серийный номер *
Отправить ПТС / документы вместо заполнения
Прикрепите файл ниже — поля заполнять не нужно
отменить
📎 Перетащите файлы или нажмите для выбора
Excel, PDF, фото — любые форматы
Отправить запрос
✅
Запрос отправлен!
Менеджер свяжется с вами в ближайшее время.
Закрыть
0
Корзина
0
×
Очистить корзину
Прикрепить фото, список или документы
▾
✓ Данные прикреплены
изменить
×
Запросить по названию
Отправить ПТС / документы вместо заполнения
Прикрепите файл ниже — поля заполнять не нужно
отменить
📎 Перетащите файлы или нажмите
Прикрепить к заказу
Узнать стоимость и наличие →
Ваши контакты
Телефон
Telegram
MAX
Email
Отправить заявку →
✅
Заявка отправлена!
Мы свяжемся с вами в ближайшее время
Закрыть