+7 933 113 06 10 | sale@unitservice-parts.ru | Москва · Ярцево | Написать Канал
H21E

HARVESTER HEAD

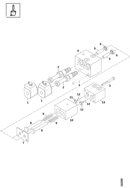
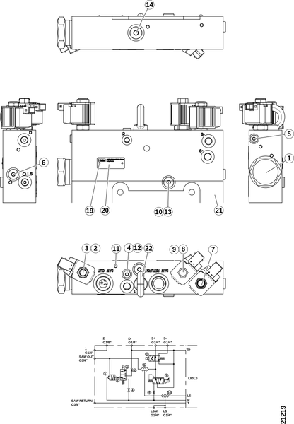
L90LS, средний входной блок
L90LS, средний входной блок
Верхние подающие колёса
Верхние подающие колёса
Гидромотор пилы PARKER F11-IP
Гидромотор пилы PARKER F11-IP
Гидромотор пилы QXM42-HS
Гидромотор пилы QXM42-HS
Гидроцилиндр пилы
Гидроцилиндр пилы
Гидроцилиндр пилы
Гидроцилиндр пилы
Гидроцилиндр пилы, продолжение
Гидроцилиндр пилы, продолжение
Гидроцилиндр, верхние ножи сучкорезки
Гидроцилиндр, верхние ножи сучкорезки
Гидроцилиндр, нижние ножи сучкорезки
Гидроцилиндр, нижние ножи сучкорезки
Гидроцилиндр, рычаги колёс
Гидроцилиндр, рычаги колёс
Гидроцилиндр, устройство измерения длины
Гидроцилиндр, устройство измерения длины
Импульсный энкодер
Импульсный энкодер
Качающийся рычаг и оси
Качающийся рычаг и оси
Качающийся рычаг, гидроцилиндр
Качающийся рычаг, гидроцилиндр
Клапан возврата пильной шины
Клапан возврата пильной шины
Клапан пильной шины
Клапан пильной шины
Комплект для переоборудования, распределительный клапан EGS706
Комплект для переоборудования, распределительный клапан EGS706
Комплект конденсатора Aftermarket
Комплект конденсатора Aftermarket
Комплект уплотнений крышки EC/EC2/ECS2/PC
Комплект уплотнений крышки EC/EC2/ECS2/PC
PDF
Комплект уплотнительных колец компенсатора K220
Комплект уплотнительных колец компенсатора K220
Комплект, охладитель топлива
Комплект, охладитель топлива
Конечная секция L90LS
Конечная секция L90LS
Корпус с энкодером положения пилы
Корпус с энкодером положения пилы
Корпус с энкодером положения пилы
Корпус с энкодером положения пилы
Крепление пильной шины
Крепление пильной шины
Крепление пильной шины
Крепление пильной шины
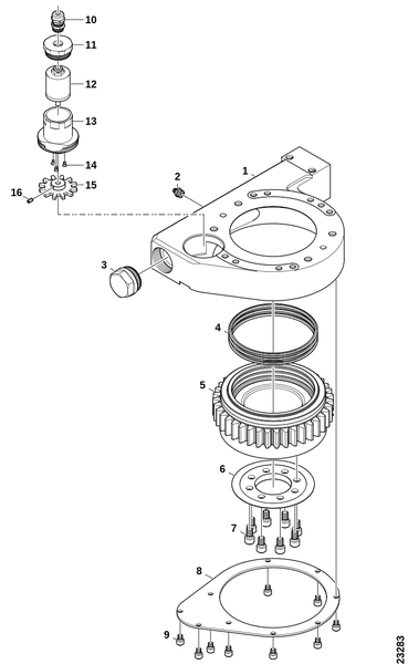
Механизм измерения диаметра
Механизм измерения диаметра
Монтажная плита
Монтажная плита
Насос системы цветовой маркировки
Насос системы цветовой маркировки
Натяжитель цепи
Натяжитель цепи
Натяжитель цепи, пилотный клапан
Натяжитель цепи, пилотный клапан
Натяжитель цепи, пилотный клапан
Натяжитель цепи, пилотный клапан
Нижние подающие колёса
Нижние подающие колёса
Ножи сучкорезки и оси
Ножи сучкорезки и оси
Обзор, L90LS
Обзор, L90LS
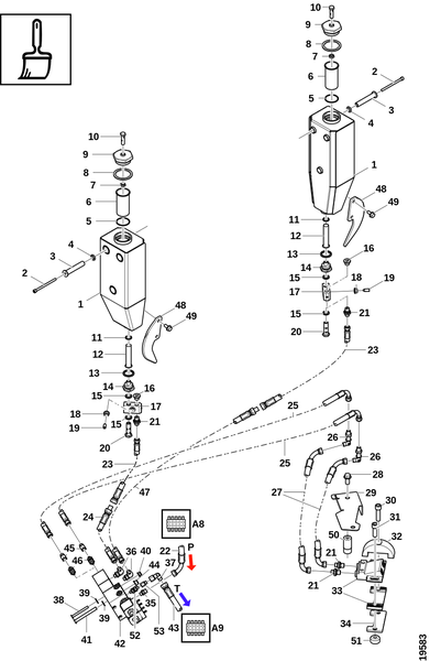
Пила SuperCut 100
Пила SuperCut 100
Пила SuperCut 100 MKII s.13 № 10
Пила SuperCut 100 MKII s.13 № 10
Пила и подача пилы "A10" s.14 № 06
Пила и подача пилы "A10" s.14 № 06
Пила и подача пилы "A10" s.–14 № 05
Пила и подача пилы "A10" s.–14 № 05
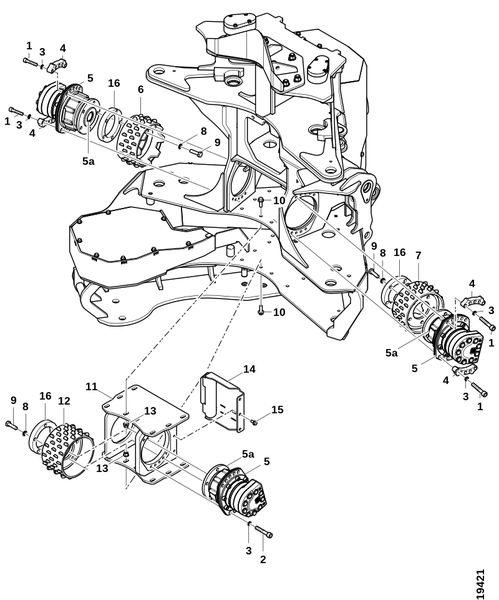
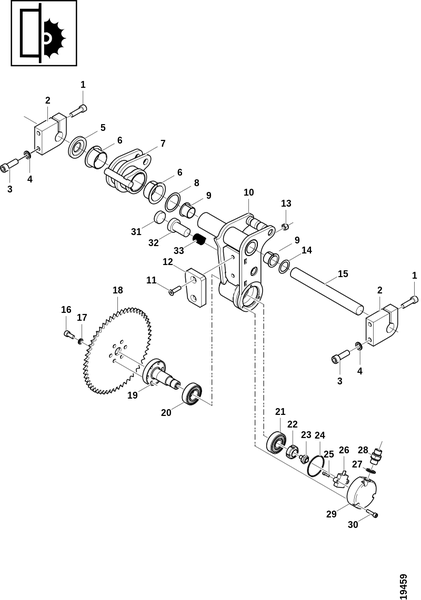
Рычаги колёс
Рычаги колёс
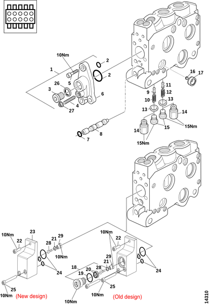
Секция управления L90LS, продолжение
Секция управления L90LS, продолжение
Секция управления L90LS, продолжение
Секция управления L90LS, продолжение
Система цветовой маркировки (HULTDINS)
Система цветовой маркировки (HULTDINS)
Система цветовой маркировки (ROTTNE)
Система цветовой маркировки (ROTTNE)
Соединения "A3"
Соединения "A3"
Соединения "A8"
Соединения "A8"
Соединения "A9"
Соединения "A9"
Соединения, блок наклона
Соединения, блок наклона
Соединения, верхние ножи сучкорезки "A7"
Соединения, верхние ножи сучкорезки "A7"
Соединения, гидроцилиндр
Соединения, гидроцилиндр
Соединения, качающийся рычаг "A4"
Соединения, качающийся рычаг "A4"
Соединения, колёса и гидромотор s. 13 № 01
Соединения, колёса и гидромотор s. 13 № 01
Соединения, колёса и гидромотор s. –12 № 10
Соединения, колёса и гидромотор s. –12 № 10
Соединения, натяжитель цепи
Соединения, натяжитель цепи
Соединения, нижние ножи сучкорезки "A6"
Соединения, нижние ножи сучкорезки "A6"
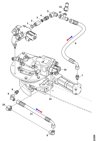
Соединения, пила
Соединения, пила
Соединения, пила
Соединения, пила
Соединения, пила "A10" s.–14 № 05
Соединения, пила "A10" s.–14 № 05
Соединения, подающие колёса "A9"
Соединения, подающие колёса "A9"
Соединения, подающие колёса A1, A2 s.13 № 01
Соединения, подающие колёса A1, A2 s.13 № 01
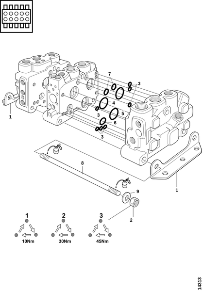
Соединения, распределительный клапан
Соединения, распределительный клапан
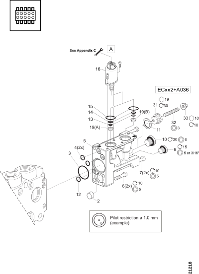
Соединения, распределительный клапан L90LS
Соединения, распределительный клапан L90LS
Соединения, рычаги колёс
Соединения, рычаги колёс
Соединения, система цветовой маркировки
Соединения, система цветовой маркировки
Соединения, система цветовой маркировки (пила)
Соединения, система цветовой маркировки (пила)
Соединения, устройство измерения длины
Соединения, устройство измерения длины
Узел 2479
Узел 2479
Узел 2492
Узел 2492
Узел 2504
Узел 2504
Узел 2505
Узел 2505
Уплотнение, SuperCut 100
Уплотнение, SuperCut 100
Уплотнительные кольца L90LS
Уплотнительные кольца L90LS
Устройство измерения длины
Устройство измерения длины
Устройство измерения длины
Устройство измерения длины
Шасси s. 13
Шасси s. 13
Шасси s. –12
Шасси s. –12
Шланги, натяжитель цепи
Шланги, натяжитель цепи
Электропроводка, электроника и датчик
Электропроводка, электроника и датчик
Не нашли нужную деталь? Отправьте запрос — подберём запчасти для HARVESTER HEAD по артикулу или описанию.
Корзина