+7 933 113 06 10
|
sale@unitservice-parts.ru
|
Москва · Ярцево
|
Написать
Канал
Rottne
Komatsu Forest
Техбаза
Запросить детали
+7 933 113 06 10
sale@unitservice-parts.ru
Москва · Ярцево
Написать в Telegram
Telegram канал
Каталог Rottne
Каталог Komatsu Forest
Техбаза
Rottne
›
Харвестеры
Форвардеры
Харвестеры
Харвестерные головки
›
H21E
H11D Stage V
H11D Tier 4 Final
H11E
H21D Final Tier 4
H21D Stage V
H21E
H8D Final Tier 4
H8D Stage V
H8E
›
Двигатель
Двигатель
Система трансмиссии
Гидравлическая система
Электрическая система
Кабина
Рама/шасси
Кран
Блок навесного оборудования
HARVESTER HEAD
Разное
Сервисный комплект
H21E
Двигатель
✕
Бак DEF
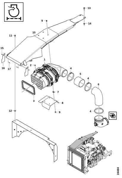
Воздушный фильтр
Воздушный фильтр
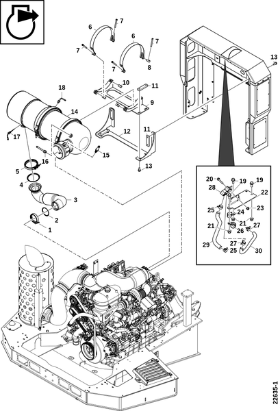
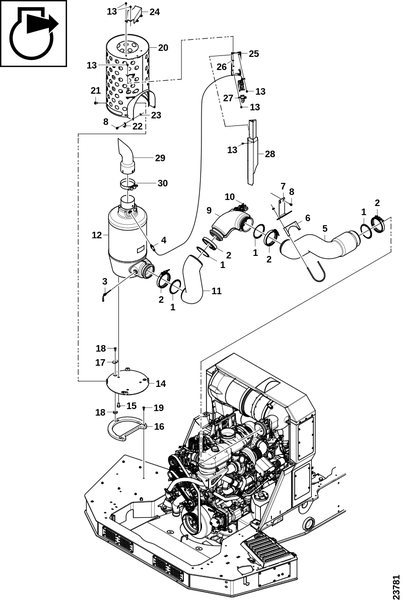
Глушитель
Глушитель
Датчик, верхний
Датчик, верхний
Датчик, левая сторона
Датчик, правая сторона
Датчик, верх
Датчик, левая сторона
Датчик, левая сторона
Детали двигателя, адаптированные ROTTNE
Заправочные насосы
Интеркулер
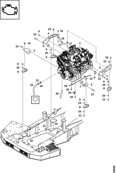
Крепление двигателя
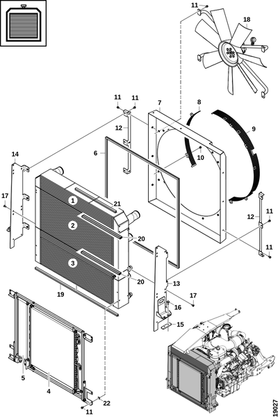
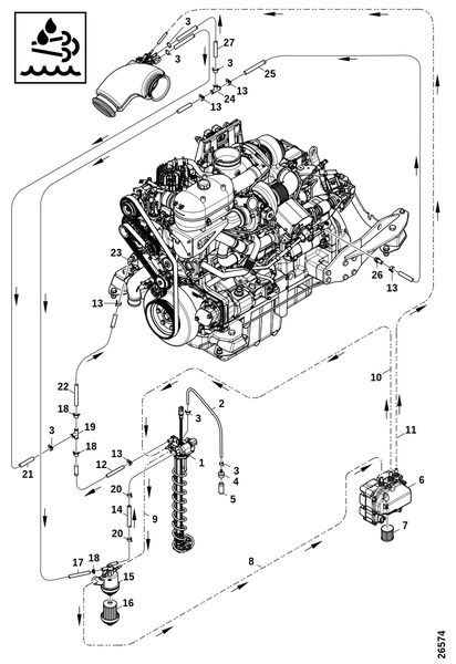
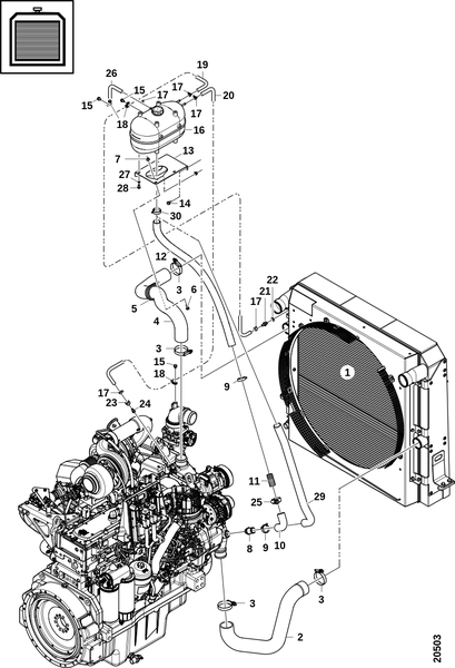
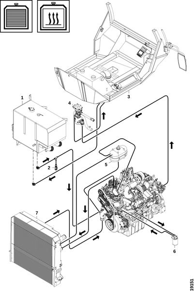
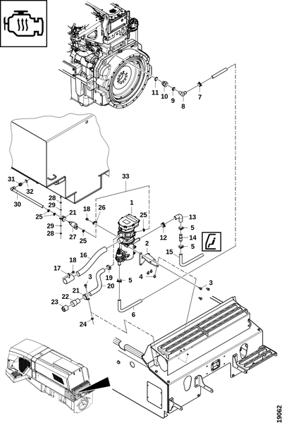
Обзор системы охлаждения/нагрева
Обзор, воздушная/выхлопная система
Обзор, топливная система
Охладитель топлива
Подогреватель двигателя
Сервисные части
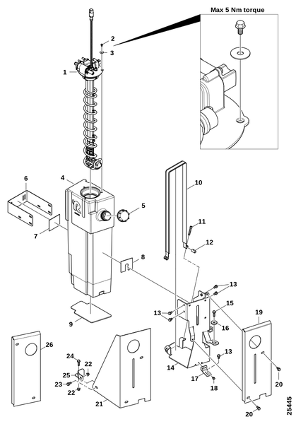
Система DEF
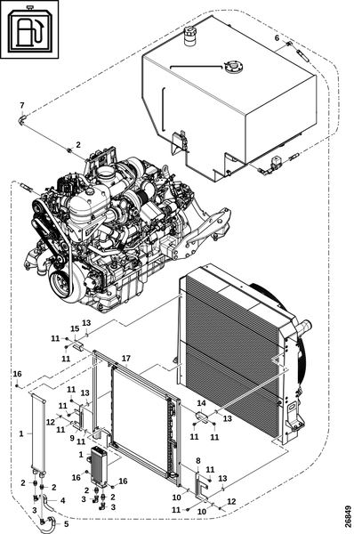
Топливный бак в передней раме
Топливный бак и заправочный насос
Фильтр выхлопа DPF
Фильтр выхлопа DPF
Шланги, радиатор
Шланги, система охлаждения/нагрева
Не нашли нужную деталь?
Отправьте запрос — подберём запчасти для Двигатель по артикулу или описанию.
Запросить запчасти
✕
Запрос деталей
Имя *
Телефон *
Способ связи
Телефон
Telegram
MAX
Email
По артикулу
?
Можно прикрепить файл со списком
артикулов вместо ручного ввода
По названию
?
Опишите нужную деталь словами —
укажите название, модель и серийный номер
Артикул
Кол.
Примечание
✕
+ Добавить позицию
Модель техники *
Серийный номер *
Отправить ПТС / документы вместо заполнения
Прикрепите файл ниже — поля заполнять не нужно
отменить
📎 Перетащите файлы или нажмите для выбора
Excel, PDF, фото — любые форматы
Отправить запрос
✅
Запрос отправлен!
Менеджер свяжется с вами в ближайшее время.
Закрыть
0
Корзина
0
×
Очистить корзину
Прикрепить фото, список или документы
▾
✓ Данные прикреплены
изменить
×
Запросить по названию
Отправить ПТС / документы вместо заполнения
Прикрепите файл ниже — поля заполнять не нужно
отменить
📎 Перетащите файлы или нажмите
Прикрепить к заказу
Узнать стоимость и наличие →
Ваши контакты
Телефон
Telegram
MAX
Email
Отправить заявку →
✅
Заявка отправлена!
Мы свяжемся с вами в ближайшее время
Закрыть