+7 933 113 06 10
|
sale@unitservice-parts.ru
|
Москва · Ярцево
|
Написать
Канал
Rottne
Komatsu Forest
В наличии
Техбаза
Запросить детали
+7 933 113 06 10
sale@unitservice-parts.ru
Москва · Ярцево
Написать в Telegram
Telegram канал
Каталог Rottne
Каталог Komatsu Forest
Техбаза
Rottne
›
Harvester
Форвардеры
Харвестеры
Харвестерные головки
›
H21D Final Tier 4
H11D Stage V
S/N R56901–R57325
H11D Tier 4 Final
S/N R56600–R56824
H11E
S/N R57401-
H21D Final Tier 4
S/N R91000–R91412
H21D Stage V
S/N R91501–R92108
H21E
S/N R92201-
H8D Final Tier 4
S/N R63600–R63820
H8D Stage V
S/N R63901–R63920
H8E
S/N R64001-
›
Гидравлическая система
Двигатель
Система трансмиссии
Гидравлическая система
Электрическая система
Кабина
Рама/ шасси
Кран
Харвестерная головка
Блок навесного оборудования
Разное
Безопасность
Инструкции для оператора
Система управления
Техническое обслуживание
›
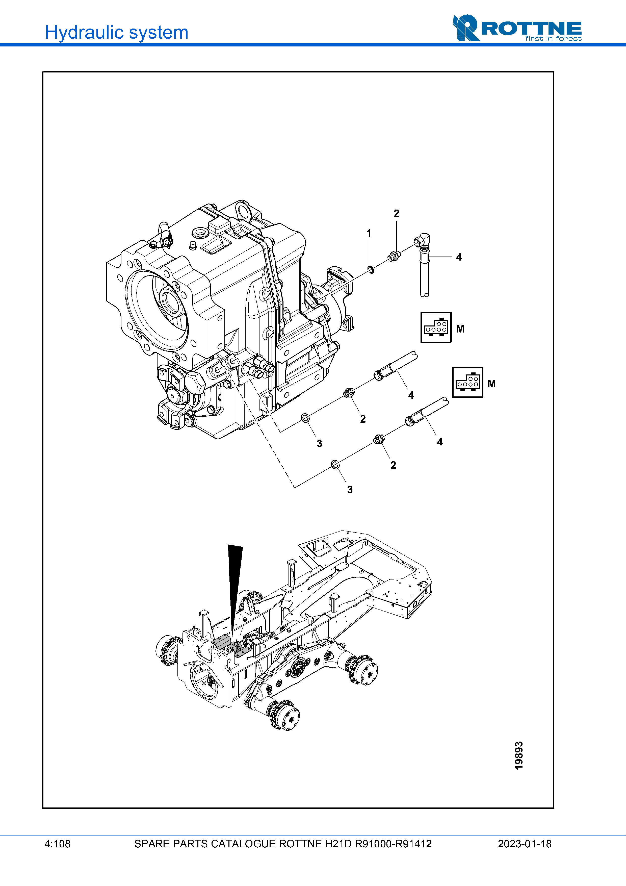
Распределительная коробка
Гидравлическая система — Запасные части
Расположение компонентов
Гидравлический масляный бак "A"
Возвратный фильтр
Фильтр возвратной линии (Environment)
Заправочный насос и фильтр Kleenoil
Сапунный фильтр и вакуумный насос
Радиаторы "B"
Теплообменник "C", -R91010
Теплообменник "C", R91101-
Привод, -R91003
Привод, R91004-R91010
Привод, R91101-
Соединение насоса
Rexroth A11V O210 "E1"
Rexroth A11V O210 "E1", R91301-
Rexroth A11V O175 "E2"
Rexroth A11V O175 "E2", R91301-
Соединения, (K220LS) "F"
Соединения, (K220LS) "F"
Соединения LS-клапана "G"
Соединения LS-клапана "G", R91301-
Соединения шаровых кранов "I"
Соединения "J"
Соединения "L"
Соединения, демультипликатор "M"
Соединения "N", -R91010
Соединения "N", R91101-
Соединения "D"
Соединения "K"
Соединения, клапан кабины "H", -R91103
Соединения, клапан кабины "H", R91104-
Клапан кабины "H"
Аккумуляторы
Кабина, наклон и вращение
Цилиндр наклона кабины
Лестница
Лестница, цилиндр
Рулевое управление, Orbitrol "Q"
Счётчик частиц
Соединения "P"
Рулевое управление
Рулевое управление, цилиндр
Стабилизация центрального шарнира
Стабилизация центрального шарнира, цилиндр
Тормоз и дифференциал, передний
Тормоз и дифференциал, задний
Распределительная коробка
Золотниковая секция 1, наклон
Золотниковая секция 2, рулевое управление
Золотниковая секция 3, стрела вылета
Золотниковая секция 4, подъёмная стрела
Золотниковая секция 4, подъёмная стрела
Золотниковая секция 5, выдвижение
Золотниковая секция 6, поворот
Конечная секция
"J"
"L"
"N", -R91010
"N", R91101-
Гидравлическая система
H21D Final Tier 4
Распределительная коробка
Сортировка
Поз.
Кол-во
Артикул
Наименование
1
1
620-8085
Медная шайба 14X18X1,5
2
3
634-9144
Штуцер M14X1,5X R1/4"60°
3
2
640-0114
Резиновая шайба GBM 14
4
3
655-0271
РВД 1/4" L=750
Не нашли нужную позицию или хотите уточнить стоимость?
Запросить у менеджера
✕
Запрос деталей
Имя *
Телефон *
Способ связи
Телефон
Telegram
MAX
Email
По артикулу
?
Можно прикрепить файл со списком
артикулов вместо ручного ввода
По названию
?
Опишите нужную деталь словами —
укажите название, модель и серийный номер
Артикул
Кол.
Примечание
✕
+ Добавить позицию
Модель техники *
Серийный номер *
Отправить ПТС / документы вместо заполнения
Прикрепите файл ниже — поля заполнять не нужно
отменить
📎 Перетащите файлы или нажмите для выбора
Excel, PDF, фото — любые форматы
Отправить запрос
✅
Запрос отправлен!
Менеджер свяжется с вами в ближайшее время.
Закрыть
0
Корзина
0
×
Очистить корзину
Прикрепить фото, список или документы
▾
✓ Данные прикреплены
изменить
×
Запросить по названию
Отправить ПТС / документы вместо заполнения
Прикрепите файл ниже — поля заполнять не нужно
отменить
📎 Перетащите файлы или нажмите
Прикрепить к заказу
Узнать стоимость и наличие →
Ваши контакты
Телефон
Telegram
MAX
Email
Отправить заявку →
✅
Заявка отправлена!
Мы свяжемся с вами в ближайшее время
Закрыть