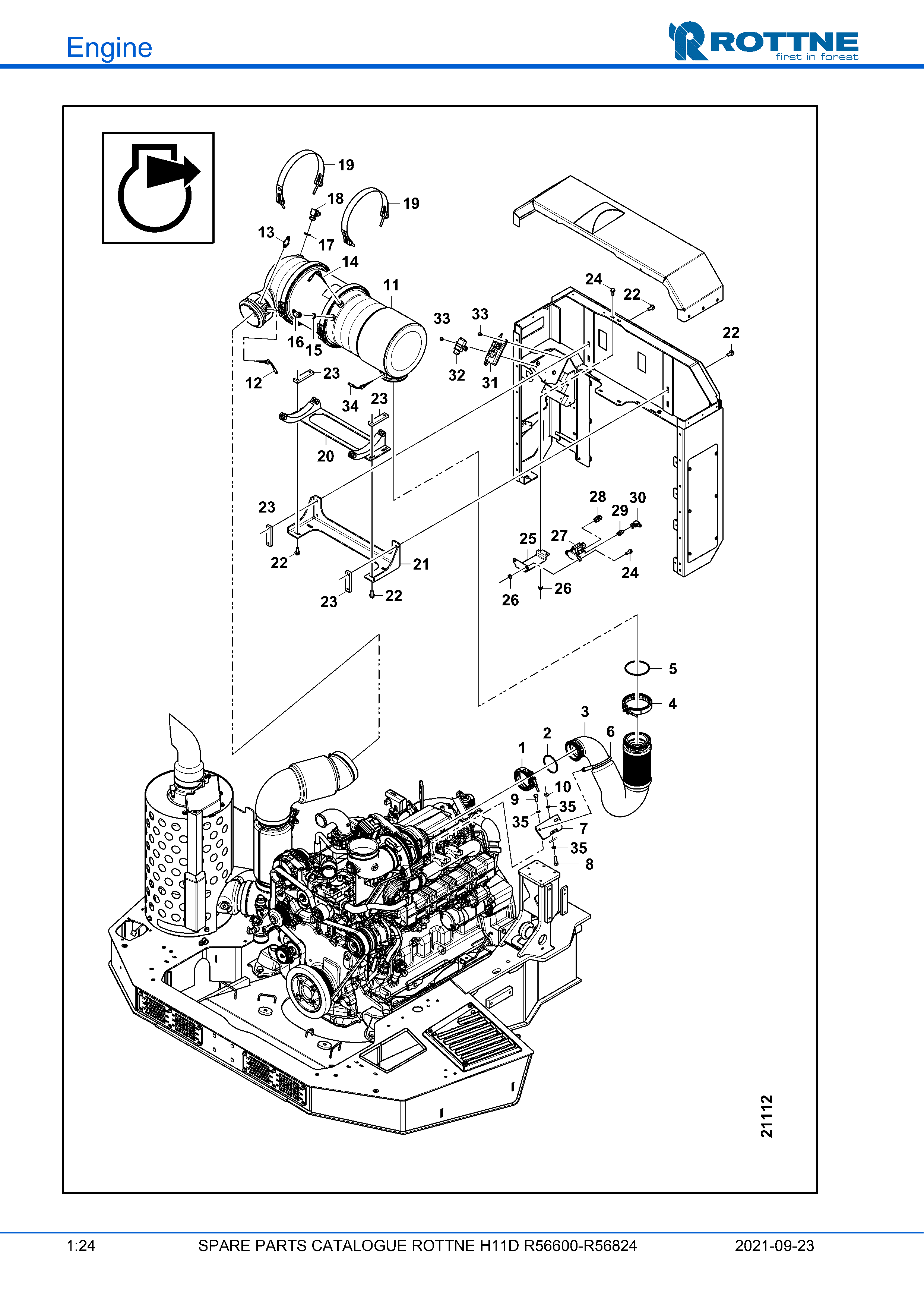
| 1 |
1 |
J-RE289839
|
Хомут |
| 2 |
1 |
J-R528112
|
Уплотнение |
| 3 |
1 |
118-64698
|
Выхлопная труба |
| 4 |
1 |
J-RE298757
|
Хомут |
| 5 |
1 |
J-R300529
|
Уплотнительное кольцо |
| 6 |
1 |
106-0065
|
Хомут Ø 88,9 |
| 7 |
1 |
118-59870
|
Опорная часть, выходная труба |
| 8 |
1 |
600-2199
|
Винт |
| 9 |
1 |
600-2195
|
Винт M6S 10 X 25 |
| 10 |
1 |
610-2010
|
Гайка |
| 12 |
1 |
J-RE552185
|
Датчик температуры |
| 13 |
1 |
J-DZ109125
|
Химический датчик |
| 15 |
1 |
100-0045
|
Шайба 15X24X2,5 FZB DIN 433 |
| 16 |
1 |
126-0023
|
ELBOW COUPLING 9/16 JIC 90° |
| 17 |
1 |
100-0046
|
Шайба 19X30X2,5 FZB DIN 433 |
| 18 |
1 |
126-0024
|
ELBOW COUPLING 3/4 JIC 90° |
| 19 |
2 |
106-0073
|
Монтажный ремень в сборе |
| 20 |
1 |
118-59218
|
Фильтр выхлопа консоли |
| 21 |
1 |
118-59215
|
Фильтр выхлопа консоли |
| 22 |
4 |
607-1629
|
Винт |
| 23 |
4 |
120-61887
|
Резьбовая часть 2X M10 |
| 24 |
4 |
607-1621
|
Винт |
| 25 |
1 |
120-60438
|
120-60438 |
| 26 |
4 |
611-9008
|
Гайка |
| 27 |
1 |
J-RE538131
|
Датчик давления (DPF Delta P) |
| 28 |
1 |
J-RE543081
|
Адаптер фитинг |
| 29 |
1 |
J-RE542003
|
Адаптер фитинг |
| 30 |
1 |
118-0026
|
ELBOW COUPLING J EVW10/SF |
| 31 |
1 |
J-RE552183
|
Химический датчик |
| 33 |
4 |
607-1611
|
Винт |
| 35 |
3 |
620-5210
|
Шайба |