+7 933 113 06 10 | sale@unitservice-parts.ru | Москва · Ярцево | Написать Канал
EGS706

EGS706

L90LS, средний входной блок
L90LS, средний входной блок
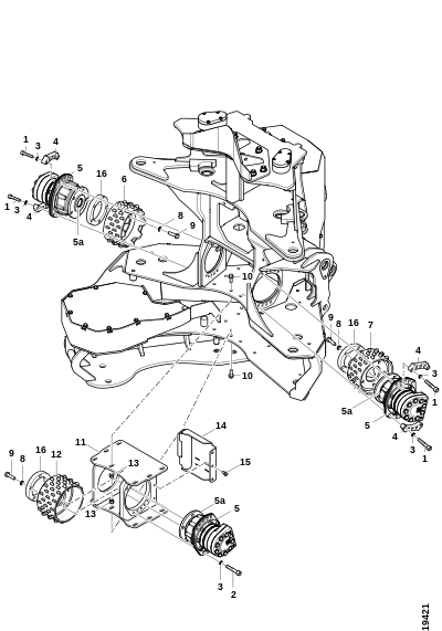
Верхние подающие колёса
Верхние подающие колёса
Гидромотор пилы PARKER F11-IP
Гидромотор пилы PARKER F11-IP
Гидромотор пилы QXM42-HS
Гидромотор пилы QXM42-HS
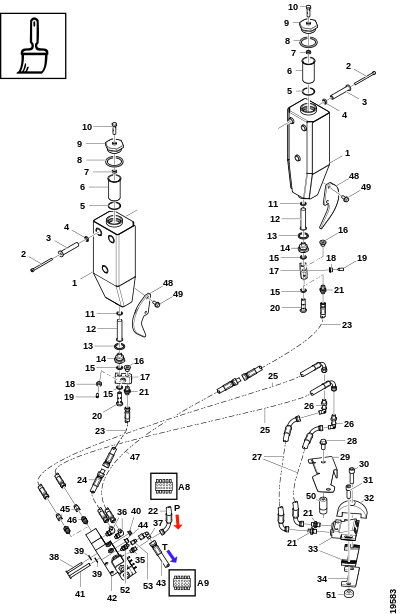
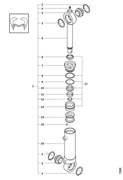
Гидроцилиндр пилы
Гидроцилиндр пилы
Гидроцилиндр пилы
Гидроцилиндр пилы
Гидроцилиндр пилы, продолжение
Гидроцилиндр пилы, продолжение
Гидроцилиндр, верхние ножи сучкорезки
Гидроцилиндр, верхние ножи сучкорезки
Гидроцилиндр, нижние ножи сучкорезки
Гидроцилиндр, нижние ножи сучкорезки
Гидроцилиндр, рычаги колёс
Гидроцилиндр, рычаги колёс
Гидроцилиндр, устройство измерения длины
Гидроцилиндр, устройство измерения длины
Импульсный энкодер
Импульсный энкодер
Качающийся рычаг и оси
Качающийся рычаг и оси
Качающийся рычаг, гидроцилиндр
Качающийся рычаг, гидроцилиндр
Клапан возврата пильной шины
Клапан возврата пильной шины
Клапан пильной шины
Клапан пильной шины
Комплект переоборудования распределительного клапана EGS706
Комплект переоборудования распределительного клапана EGS706
Комплект шлангов
Комплект шлангов
PDF
Конечная секция L90LS
Конечная секция L90LS
Корпус с энкодером положения пилы
Корпус с энкодером положения пилы
Корпус с энкодером положения пилы
Корпус с энкодером положения пилы
Крепление пильной шины
Крепление пильной шины
Крепление пильной шины
Крепление пильной шины
Механизм измерения диаметра
Механизм измерения диаметра
Монтажная плита
Монтажная плита
Насос системы цветовой маркировки
Насос системы цветовой маркировки
Натяжитель цепи
Натяжитель цепи
Натяжитель цепи, пилотный клапан
Натяжитель цепи, пилотный клапан
Натяжитель цепи, пилотный клапан
Натяжитель цепи, пилотный клапан
Нижние подающие колёса
Нижние подающие колёса
Ножи сучкорезки и оси
Ножи сучкорезки и оси
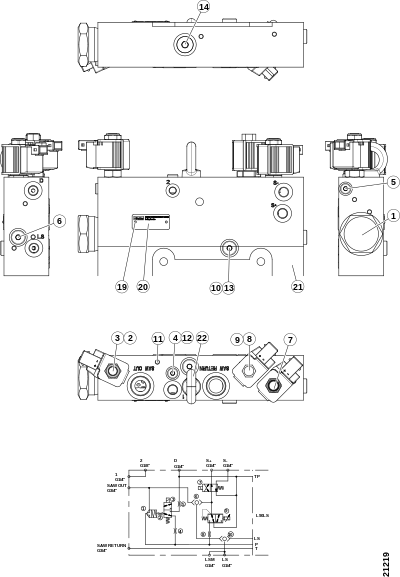
Обзор, L90LS
Обзор, L90LS
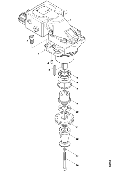
Пила SuperCut 100
Пила SuperCut 100
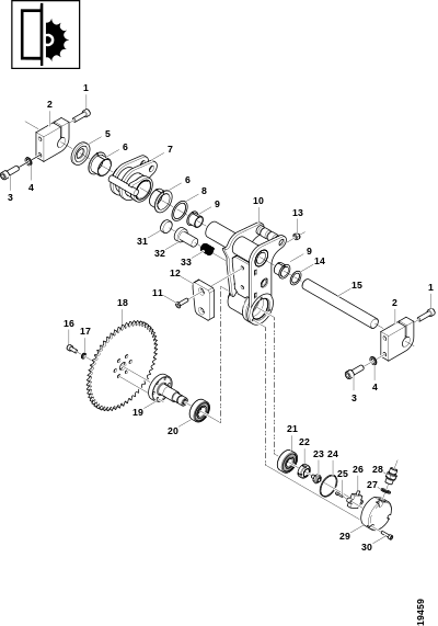
Пила и подача пилы "A10" s.14 № 06–
Пила и подача пилы "A10" s.14 № 06–
Пила и подача пилы "A10" s.–14 № 05
Пила и подача пилы "A10" s.–14 № 05
Полевой ремонтный комплект
Полевой ремонтный комплект
PDF
Рычаги колёс
Рычаги колёс
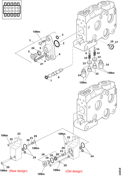
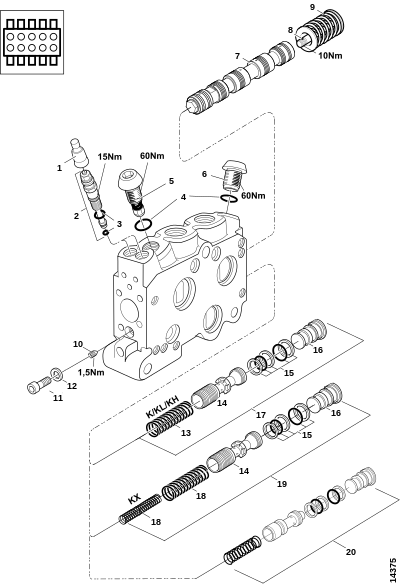
Секция управления L90LS
Секция управления L90LS
Секция управления L90LS, продолжение
Секция управления L90LS, продолжение
Секция управления L90LS, продолжение
Секция управления L90LS, продолжение
Система цветовой маркировки (HULTDINS)
Система цветовой маркировки (HULTDINS)
Система цветовой маркировки (ROTTNE)
Система цветовой маркировки (ROTTNE)
Соединения "A8"
Соединения "A8"
Соединения "A9"
Соединения "A9"
Соединения рычагов колёс
Соединения рычагов колёс
Соединения устройства измерения длины
Соединения устройства измерения длины
Соединения, блок наклона
Соединения, блок наклона
Соединения, верхние ножи сучкорезки "A7"
Соединения, верхние ножи сучкорезки "A7"
Соединения, гидроцилиндр
Соединения, гидроцилиндр
Соединения, качающийся рычаг "A4"
Соединения, качающийся рычаг "A4"
Соединения, колесо и гидромотор s. 13 № 01–
Соединения, колесо и гидромотор s. 13 № 01–
Соединения, колесо и гидромотор s. –12 № 10
Соединения, колесо и гидромотор s. –12 № 10
Соединения, натяжитель цепи
Соединения, натяжитель цепи
Соединения, нижние ножи сучкорезки "A6"
Соединения, нижние ножи сучкорезки "A6"
Соединения, пила
Соединения, пила
Соединения, пила
Соединения, пила
Соединения, пила "A10" s.–14 № 05
Соединения, пила "A10" s.–14 № 05
Соединения, подающие колёса "A9"
Соединения, подающие колёса "A9"
Соединения, подающие колёса A1, A2 s.–12 № 10
Соединения, подающие колёса A1, A2 s.–12 № 10
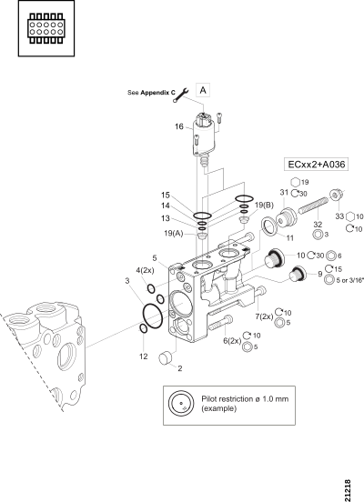
Соединения, распределительный клапан
Соединения, распределительный клапан
Соединения, распределительный клапан L90LS
Соединения, распределительный клапан L90LS
Соединения, система цветовой маркировки
Соединения, система цветовой маркировки
Соединения, система цветовой маркировки (Пила)
Соединения, система цветовой маркировки (Пила)
Уплотнение, SuperCut 100
Уплотнение, SuperCut 100
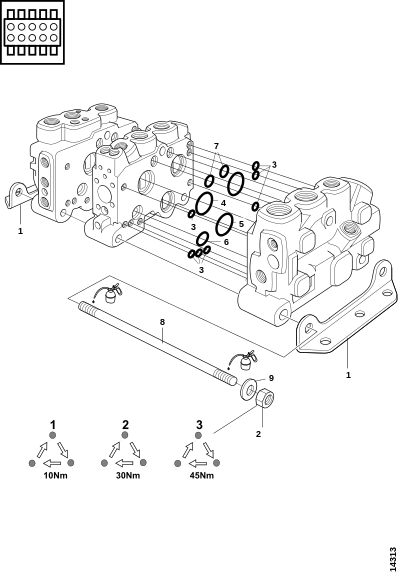
Уплотнительные кольца L90LS
Уплотнительные кольца L90LS
Устройство измерения длины
Устройство измерения длины
Устройство измерения длины
Устройство измерения длины
Шасси s. 13–
Шасси s. 13–
Шасси s. –12
Шасси s. –12
Шланги, натяжитель цепи
Шланги, натяжитель цепи
Электропроводка, электроника и датчик
Электропроводка, электроника и датчик
Не нашли нужную деталь? Отправьте запрос — подберём запчасти для EGS706 по артикулу или описанию.
Корзина