+7 933 113 06 10 | sale@unitservice-parts.ru | Москва · Ярцево | Написать Канал
EGS406

EGS406

Saw
Saw
Блок пилы "A7"
Блок пилы "A7"
Входной блок L90LS
Входной блок L90LS
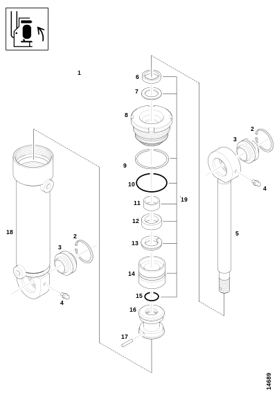
ГИДРОЦИЛИНДР В СБОРЕ 50/30 L=490
ГИДРОЦИЛИНДР В СБОРЕ 50/30 L=490
Гидроцилиндр давления s. 17 № 02–
Гидроцилиндр давления s. 17 № 02–
Гидроцилиндр давления s. –17 № 01
Гидроцилиндр давления s. –17 № 01
Гидроцилиндр, ножи сучкорезки
Гидроцилиндр, ножи сучкорезки
Гидроцилиндр, пила
Гидроцилиндр, пила
Гидроцилиндр, устройство измерения длины s. 17 № 02–
Гидроцилиндр, устройство измерения длины s. 17 № 02–
Гидроцилиндр, устройство измерения длины s. –17 № 01
Гидроцилиндр, устройство измерения длины s. –17 № 01
Импульсный энкодер s. 17 № 02–
Импульсный энкодер s. 17 № 02–
Импульсный энкодер s. –17 № 01
Импульсный энкодер s. –17 № 01
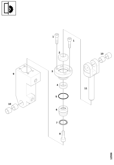
Качающийся рычаг и оси
Качающийся рычаг и оси
Качающийся рычаг, гидроцилиндр
Качающийся рычаг, гидроцилиндр
Комплект запасных частей EGS406 s.15–
Комплект запасных частей EGS406 s.15–
PDF
Комплект шлангов EGS406 s.15–
Комплект шлангов EGS406 s.15–
PDF
Комплект шлангов EGS406 s.18-11-
Комплект шлангов EGS406 s.18-11-
Маятниковый рычаг серия 23 № 01-
Маятниковый рычаг серия 23 № 01-
Механизм измерения диаметра
Механизм измерения диаметра
Ножи сучкорезки
Ножи сучкорезки
О-образные кольца L90LS
О-образные кольца L90LS
Обзор, устройство измерения длины s. 17 № 02–
Обзор, устройство измерения длины s. 17 № 02–
Обзор, устройство измерения длины s.–17 № 01
Обзор, устройство измерения длины s.–17 № 01
Подающее колесо и гидромотор
Подающее колесо и гидромотор
Полевой ремонтный комплект EGS406 s.15–
Полевой ремонтный комплект EGS406 s.15–
PDF
Применение системы распыления на пни
Применение системы распыления на пни
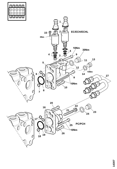
РАСПРЕД. КЛАПАН L90LS-05-036826
РАСПРЕД. КЛАПАН L90LS-05-036826
Рычаги колёс
Рычаги колёс
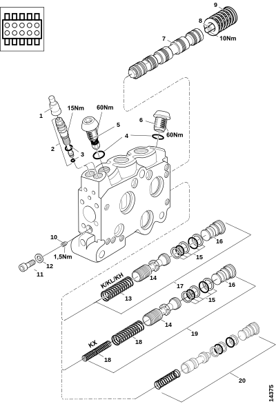
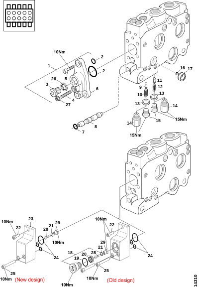
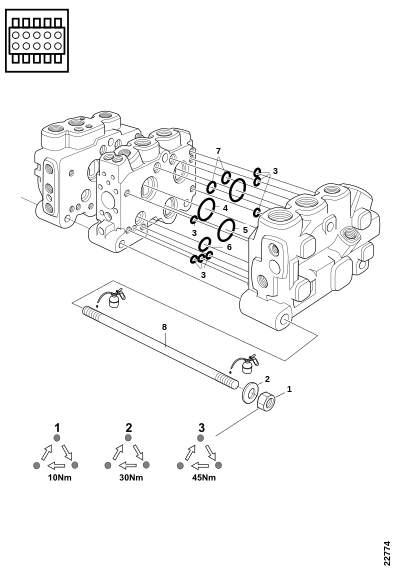
Секция управления L90LS
Секция управления L90LS
Секция управления L90LS, продолжение
Секция управления L90LS, продолжение
Секция управления L90LS, продолжение
Секция управления L90LS, продолжение
Система цветовой маркировки
Система цветовой маркировки
Смазка цепи
Смазка цепи
Соединения, верхние ножи сучкорезки "A2"
Соединения, верхние ножи сучкорезки "A2"
Соединения, входной блок L90LS
Соединения, входной блок L90LS
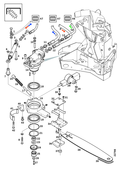
Соединения, качающийся рычаг "A5"
Соединения, качающийся рычаг "A5"
Соединения, нижние ножи сучкорезки "A4"
Соединения, нижние ножи сучкорезки "A4"
Соединения, пила "A7"
Соединения, пила "A7"
Соединения, подающее колесо
Соединения, подающее колесо
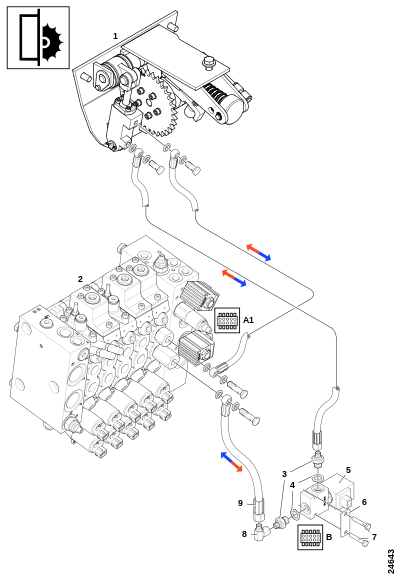
Соединения, рычаги колёс "A1"
Соединения, рычаги колёс "A1"
Устройство измерения длины s. 17 № 02–
Устройство измерения длины s. 17 № 02–
Устройство измерения длины s. –7 № 01
Устройство измерения длины s. –7 № 01
Харвестерная головка, задняя
Харвестерная головка, задняя
Харвестерная головка, передняя
Харвестерная головка, передняя
Харвестерная головка, рама
Харвестерная головка, рама
Электропроводка, электроника и датчик
Электропроводка, электроника и датчик
Энкодер положения пилы
Энкодер положения пилы
Не нашли нужную деталь? Отправьте запрос — подберём запчасти для EGS406 по артикулу или описанию.
Корзина