+7 933 113 06 10
|
sale@unitservice-parts.ru
|
Москва · Ярцево
|
Написать
Канал
Rottne
Komatsu Forest
Техбаза
Запросить детали
+7 933 113 06 10
sale@unitservice-parts.ru
Москва · Ярцево
Написать в Telegram
Telegram канал
Каталог Rottne
Каталог Komatsu Forest
Техбаза
Rottne
›
Форвардеры
Форвардеры
Харвестеры
Харвестерные головки
›
F18E/ F20E
F10D/ F11D Stage 4
S/N R13000–R13510
F10D/ F11D Stage V
S/N R13601–R13815
F10E/ F11E
S/N R13901-
F13D/ F13D Compact/ F15D Stage V
S/N R83601–R83945
F13D/ F15D Final Tier 4
S/N R83001–R83530
F13E/ F13E Compact/ F15E
S/N R84001-
F15D Tier 3 Volvo
S/N R83118–R83530
F18D/F20D Final Tier 4
S/N R37500–R37805
F18D/F20D Stage V
S/N R37901–R38407
F18E/ F20E
S/N R38501-
›
Разное
Двигатель
Система трансмиссии
Гидравлическая система
Электрическая система
Кабина
Рама/ шасси
Кран
Захват
Разное
Сервисный комплект
F18E/ F20E
Разное
✕
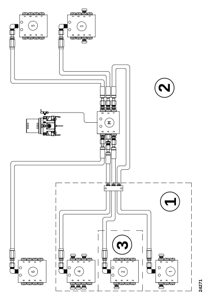
Блок смазки 1
Блок смазки 2
Блок смазки 3
Блок смазки 4
Блок смазки 5
Блок смазки 6
Блок смазки H
Дополнительный огнетушитель
Защита, центральная смазка
Знаки и наклейки машины
PDF
Комплект, дополнительный экран обратной камеры
Комплект, комплект обратной камеры F18D/F20D
Комплект, подготовка к радиосвязи
PDF
Краска
Наклейки безопасности 1
Наклейки безопасности 2
Наклейки безопасности 3
Обзор машины, центральная смазка
Обзор системы, центральная смазка
Огнетушитель
Полевой ремонтный комплект, базовая машина
Трубы Fogmaker и огнетушитель
Не нашли нужную деталь?
Отправьте запрос — подберём запчасти для Разное по артикулу или описанию.
Запросить запчасти
✕
Запрос деталей
Имя *
Телефон *
Способ связи
Телефон
Telegram
MAX
Email
По артикулу
?
Можно прикрепить файл со списком
артикулов вместо ручного ввода
По названию
?
Опишите нужную деталь словами —
укажите название, модель и серийный номер
Артикул
Кол.
Примечание
✕
+ Добавить позицию
Модель техники *
Серийный номер *
Отправить ПТС / документы вместо заполнения
Прикрепите файл ниже — поля заполнять не нужно
отменить
📎 Перетащите файлы или нажмите для выбора
Excel, PDF, фото — любые форматы
Отправить запрос
✅
Запрос отправлен!
Менеджер свяжется с вами в ближайшее время.
Закрыть
0
Корзина
0
×
Очистить корзину
Прикрепить фото, список или документы
▾
✓ Данные прикреплены
изменить
×
Запросить по названию
Отправить ПТС / документы вместо заполнения
Прикрепите файл ниже — поля заполнять не нужно
отменить
📎 Перетащите файлы или нажмите
Прикрепить к заказу
Узнать стоимость и наличие →
Ваши контакты
Телефон
Telegram
MAX
Email
Отправить заявку →
✅
Заявка отправлена!
Мы свяжемся с вами в ближайшее время
Закрыть