+7 933 113 06 10
|
sale@unitservice-parts.ru
|
Москва · Ярцево
|
Написать
Канал
Rottne
Komatsu Forest
Техбаза
Запросить детали
+7 933 113 06 10
sale@unitservice-parts.ru
Москва · Ярцево
Написать в Telegram
Telegram канал
Каталог Rottne
Каталог Komatsu Forest
Техбаза
Rottne
›
Форвардеры
Форвардеры
Харвестеры
Харвестерные головки
›
F18E/ F20E
F10D/ F11D Stage 4
F10D/ F11D Stage V
F10E/ F11E
F13D/ F13D Compact/ F15D Stage V
F13D/ F15D Final Tier 4
F13E/ F13E Compact/ F15E
F15D Tier 3 Volvo
F18D/F20D Final Tier 4
F18D/F20D Stage V
F18E/ F20E
›
Рама/ шасси
Двигатель
Система трансмиссии
Гидравлическая система
Электрическая система
Кабина
Рама/ шасси
Кран
Захват
Разное
Сервисный комплект
F18E/ F20E
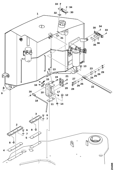
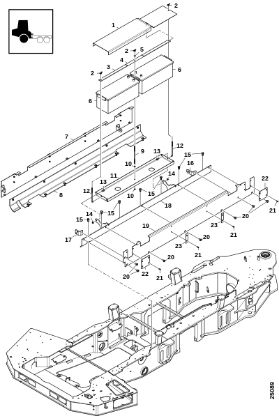
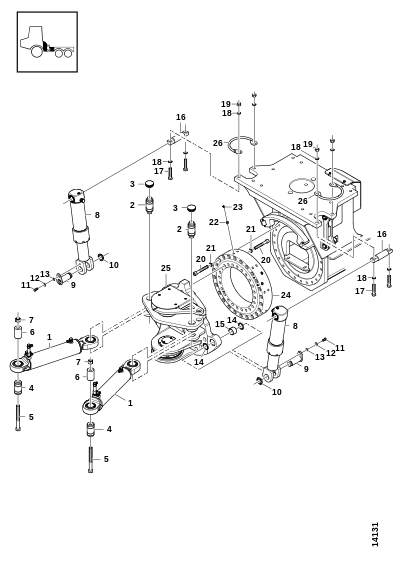
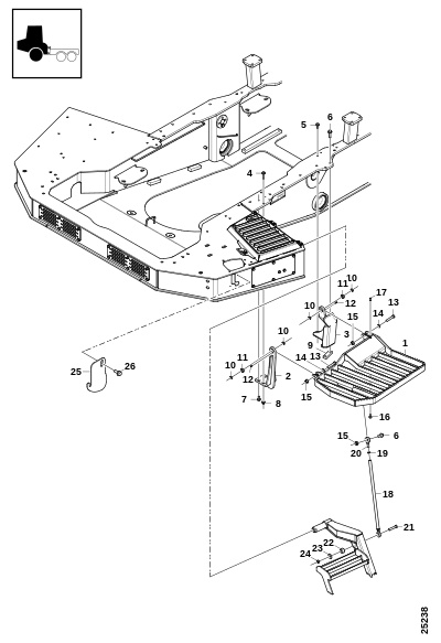
Рама/ шасси
✕
Гидравлические стойки, широкая нагрузка
Дополнительная защита радиатора
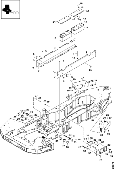
Задняя рама
Защитные пластины
Кабина шасси, Comfort Line 3
Кабина шасси, без Comfort Line
Капот двигателя
Консоли ламп, широкие грузовые стойки
Консоли ламп, широкие грузовые стойки XL
Крышка пластины
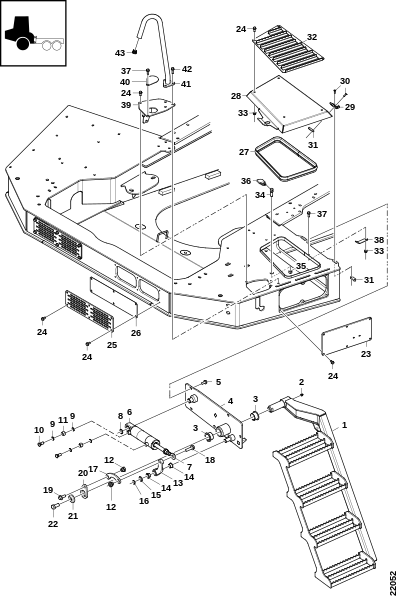
Лестница и ступени, передняя
Люки и крышки
Наклон бака, гидравлический бак
Наклон бака, топливный бак
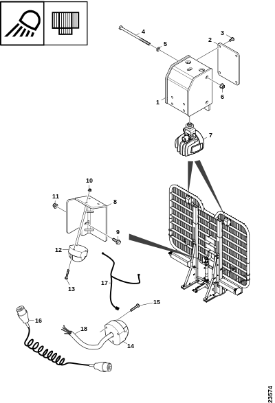
Освещение передней панели
Отвал
Отсек для инструментов
Передняя защита
Передняя панель
Подножка, передняя
Подъём кабины
Промежуточная крышка
Соединение рамы, гидроцилиндры и шаровой поворотный стол
Соединение, стойки широкая нагрузка XL
Соединительные оси
Стойка, стандарт
Стойки, широкая нагрузка
Стойки, широкая нагрузка XL
Узел 0
PDF
Не нашли нужную деталь?
Отправьте запрос — подберём запчасти для Рама/ шасси по артикулу или описанию.
Запросить запчасти
✕
Запрос деталей
Имя *
Телефон *
Способ связи
Телефон
Telegram
MAX
Email
По артикулу
?
Можно прикрепить файл со списком
артикулов вместо ручного ввода
По названию
?
Опишите нужную деталь словами —
укажите название, модель и серийный номер
Артикул
Кол.
Примечание
✕
+ Добавить позицию
Модель техники *
Серийный номер *
Отправить ПТС / документы вместо заполнения
Прикрепите файл ниже — поля заполнять не нужно
отменить
📎 Перетащите файлы или нажмите для выбора
Excel, PDF, фото — любые форматы
Отправить запрос
✅
Запрос отправлен!
Менеджер свяжется с вами в ближайшее время.
Закрыть
0
Корзина
0
×
Очистить корзину
Прикрепить фото, список или документы
▾
✓ Данные прикреплены
изменить
×
Запросить по названию
Отправить ПТС / документы вместо заполнения
Прикрепите файл ниже — поля заполнять не нужно
отменить
📎 Перетащите файлы или нажмите
Прикрепить к заказу
Узнать стоимость и наличие →
Ваши контакты
Телефон
Telegram
MAX
Email
Отправить заявку →
✅
Заявка отправлена!
Мы свяжемся с вами в ближайшее время
Закрыть