+7 933 113 06 10
|
sale@unitservice-parts.ru
|
Москва · Ярцево
|
Написать
Канал
Rottne
Komatsu Forest
Техбаза
Запросить детали
+7 933 113 06 10
sale@unitservice-parts.ru
Москва · Ярцево
Написать в Telegram
Telegram канал
Каталог Rottne
Каталог Komatsu Forest
Техбаза
Rottne
›
Форвардеры
Форвардеры
Харвестеры
Харвестерные головки
›
F18D/F20D Stage V
F10D/ F11D Stage 4
F10D/ F11D Stage V
F10E/ F11E
F13D/ F13D Compact/ F15D Stage V
F13D/ F15D Final Tier 4
F13E/ F13E Compact/ F15E
F15D Tier 3 Volvo
F18D/F20D Final Tier 4
F18D/F20D Stage V
F18E/ F20E
›
Рама/шасси
Двигатель
Система трансмиссии
Гидравлическая система
Электрическая система
Кабина
Рама/шасси
Кран
Захват
Разное
Система управления
Инструкции для оператора
Безопасность
Техническое обслуживание
F18D/F20D Stage V
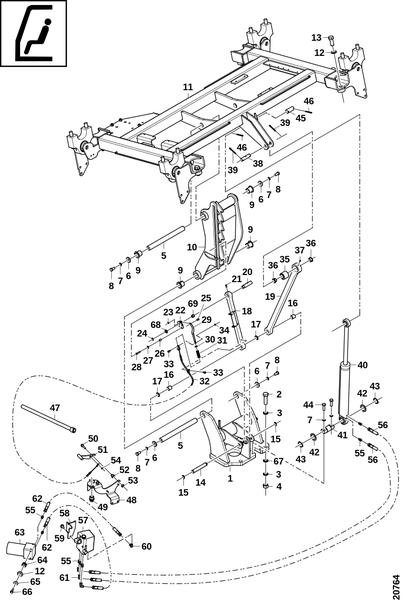
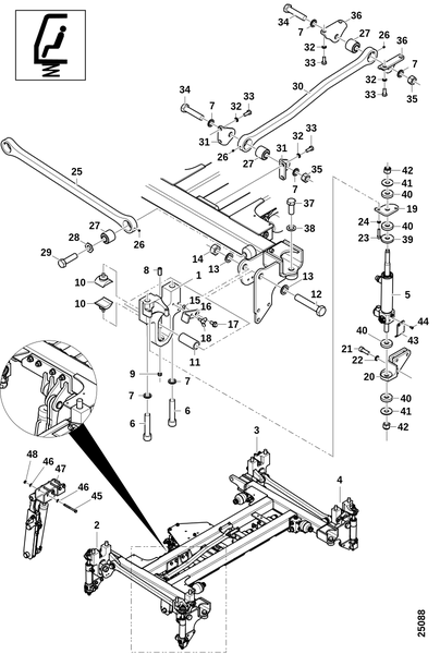
Рама/шасси
✕
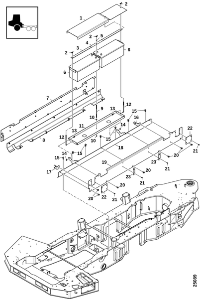
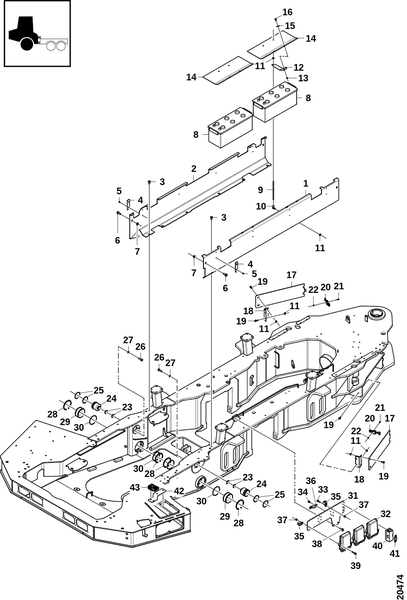
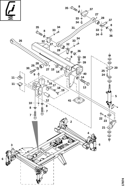
Задняя рама
Защитные пластины
Капот двигателя
Консоли ламп, ложементы Wide Load XL
Консоли ламп, широкие стойки
Крышка
Лестница и ступени, передняя
Лестница, задняя
Ложемент, Std
Ложементы, Wide Load
Ложементы, Wide Load XL
Люки и крышки
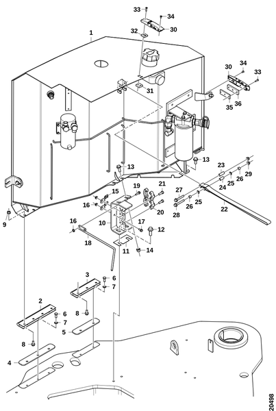
Наклон бака, гидравлический бак
Наклон бака, топливный бак
Освещение передней стенки
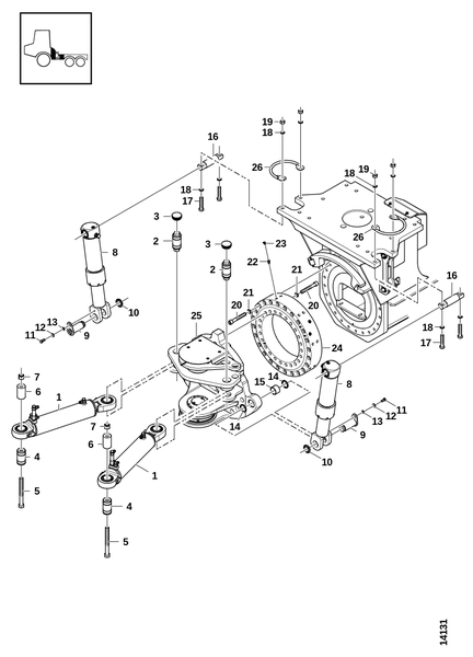
Оси соединения
Отвал
Отсек для инструментов
Передняя защита
Передняя стенка
Подвеска кабины, Comfort Line
Подвеска кабины, Comfort Line
Подвеска кабины, без Comfort Line
Подвеска кабины, без Comfort Line
Подножка, передняя
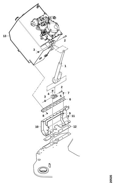
Подъём кабины
Подъём кабины
Промежуточная крышка
Соединение рамы, гидроцилиндры и поворотный стол
Соединение, ложементы Wide Load XL
Не нашли нужную деталь?
Отправьте запрос — подберём запчасти для Рама/шасси по артикулу или описанию.
Запросить запчасти
✕
Запрос деталей
Имя *
Телефон *
Способ связи
Телефон
Telegram
MAX
Email
По артикулу
?
Можно прикрепить файл со списком
артикулов вместо ручного ввода
По названию
?
Опишите нужную деталь словами —
укажите название, модель и серийный номер
Артикул
Кол.
Примечание
✕
+ Добавить позицию
Модель техники *
Серийный номер *
Отправить ПТС / документы вместо заполнения
Прикрепите файл ниже — поля заполнять не нужно
отменить
📎 Перетащите файлы или нажмите для выбора
Excel, PDF, фото — любые форматы
Отправить запрос
✅
Запрос отправлен!
Менеджер свяжется с вами в ближайшее время.
Закрыть
0
Корзина
0
×
Очистить корзину
Прикрепить фото, список или документы
▾
✓ Данные прикреплены
изменить
×
Запросить по названию
Отправить ПТС / документы вместо заполнения
Прикрепите файл ниже — поля заполнять не нужно
отменить
📎 Перетащите файлы или нажмите
Прикрепить к заказу
Узнать стоимость и наличие →
Ваши контакты
Телефон
Telegram
MAX
Email
Отправить заявку →
✅
Заявка отправлена!
Мы свяжемся с вами в ближайшее время
Закрыть