+7 933 113 06 10
|
sale@unitservice-parts.ru
|
Москва · Ярцево
|
Написать
Канал
Rottne
Komatsu Forest
Техбаза
Запросить детали
+7 933 113 06 10
sale@unitservice-parts.ru
Москва · Ярцево
Написать в Telegram
Telegram канал
Каталог Rottne
Каталог Komatsu Forest
Техбаза
Rottne
›
Форвардеры
Форвардеры
Харвестеры
Харвестерные головки
›
F18D/F20D Stage V
F10D/ F11D Stage 4
F10D/ F11D Stage V
F10E/ F11E
F13D/ F13D Compact/ F15D Stage V
F13D/ F15D Final Tier 4
F13E/ F13E Compact/ F15E
F15D Tier 3 Volvo
F18D/F20D Final Tier 4
F18D/F20D Stage V
F18E/ F20E
›
Двигатель
Двигатель
Система трансмиссии
Гидравлическая система
Электрическая система
Кабина
Рама/шасси
Кран
Захват
Разное
Система управления
Инструкции для оператора
Безопасность
Техническое обслуживание
F18D/F20D Stage V
Двигатель
✕
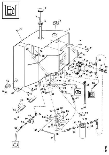
DEF-бак
DEF-система
DEF-система
Водяной фильтр
Воздушный фильтр
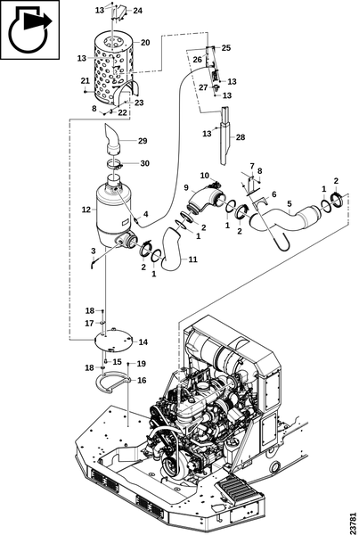
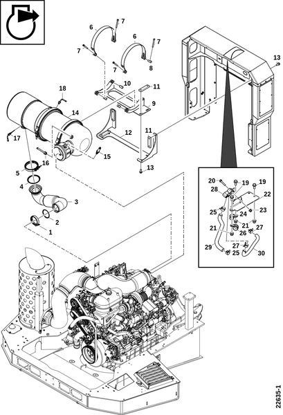
Глушитель
Датчик, верх
Датчик, верх
Датчик, левая сторона
Датчик, правая сторона
Датчик, правая сторона
Датчик, правая сторона
Интеркулер
Крепление двигателя
Крепёжный зажим, только F18D
Крышка вентилятора
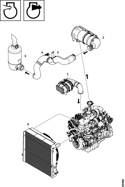
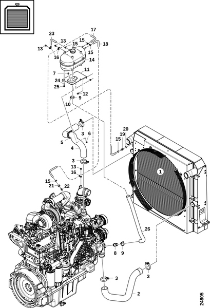
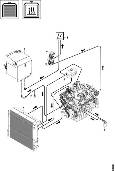
Обзор системы охлаждения/отопления
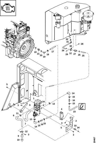
Обзор, система подачи воздуха/выхлопа
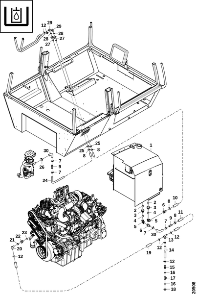
Обзор, соединения шлангов
Обзор, топливная система
Охладитель топлива
Подогреватель двигателя
Сервисные части
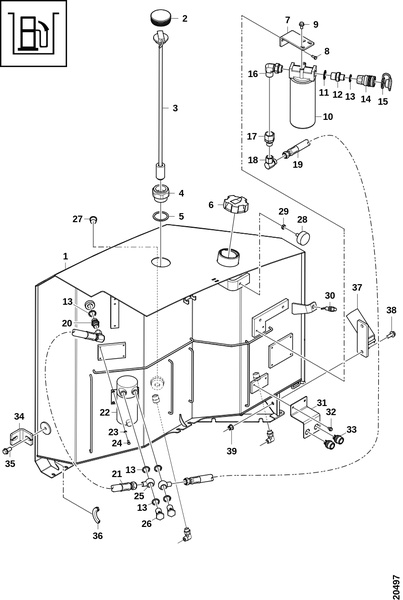
Топливный бак и заправочный насос
Топливный бак и насос для заправки
Фильтр выхлопа DPF
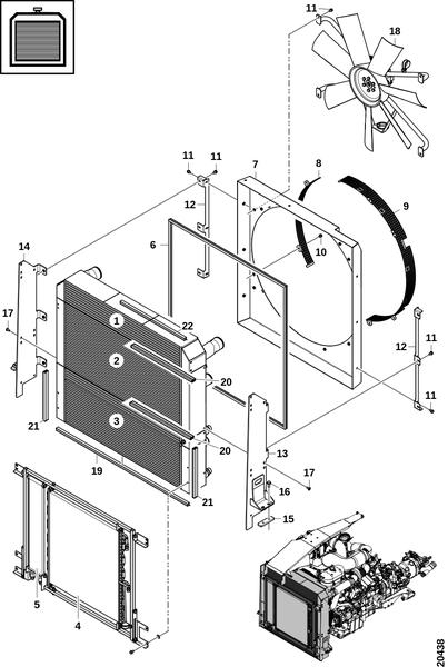
Шланги, радиатор
Не нашли нужную деталь?
Отправьте запрос — подберём запчасти для Двигатель по артикулу или описанию.
Запросить запчасти
✕
Запрос деталей
Имя *
Телефон *
Способ связи
Телефон
Telegram
MAX
Email
По артикулу
?
Можно прикрепить файл со списком
артикулов вместо ручного ввода
По названию
?
Опишите нужную деталь словами —
укажите название, модель и серийный номер
Артикул
Кол.
Примечание
✕
+ Добавить позицию
Модель техники *
Серийный номер *
Отправить ПТС / документы вместо заполнения
Прикрепите файл ниже — поля заполнять не нужно
отменить
📎 Перетащите файлы или нажмите для выбора
Excel, PDF, фото — любые форматы
Отправить запрос
✅
Запрос отправлен!
Менеджер свяжется с вами в ближайшее время.
Закрыть
0
Корзина
0
×
Очистить корзину
Прикрепить фото, список или документы
▾
✓ Данные прикреплены
изменить
×
Запросить по названию
Отправить ПТС / документы вместо заполнения
Прикрепите файл ниже — поля заполнять не нужно
отменить
📎 Перетащите файлы или нажмите
Прикрепить к заказу
Узнать стоимость и наличие →
Ваши контакты
Телефон
Telegram
MAX
Email
Отправить заявку →
✅
Заявка отправлена!
Мы свяжемся с вами в ближайшее время
Закрыть