+7 933 113 06 10 | sale@unitservice-parts.ru | Москва · Ярцево | Написать Канал
Рама/шасси

F13D/ F15D Final Tier 4

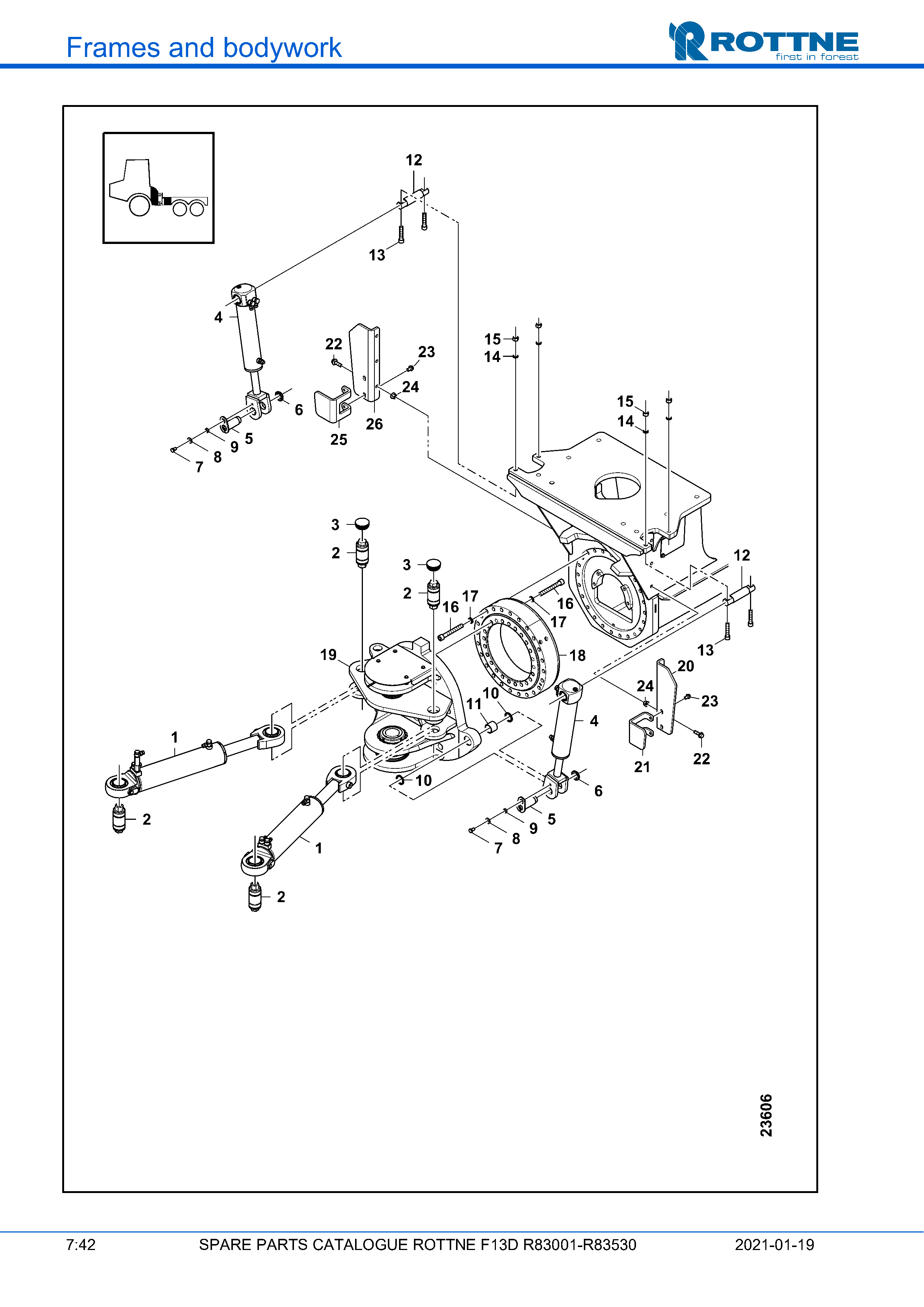
Цилиндры и шаровой поворотный круг (F13D R83001–R83530, 2021-01-19)

Цилиндры и шаровой поворотный круг (F13D R83001–R83530, 2021-01-19)

Поз. Кол-во Артикул Наименование
1 2 069-0035 Гидроцилиндр в сборе 100/56 L=719
2 4 100-0010 Вал расширяющийся Ø60 L=90
3 2 100-0044 Пластиковая заглушка GL65 58-62 черная
4 2 120-43787 Гидроцилиндр в сборе 75/36 L=515
5 2 117-36519 Вал Ø40 L=99,5
6 2 646-0107 Стопорная гайка GUK 7 M35X1,5
7 2 600-2230 Винт M6S 12 X 20
8 2 620-4013 Удерживающая плита 12 H=13
9 2 117-36403 Прокладка T=6,6
10 4 628-9012 Стриппер PAK 40/50X4,5 -L
11 2 646-4725 Втулка PWM 404840
12 2 120-43794 Вал Ø40 L=194
13 4 601-5295 Винт MC6S 16 X 75 12.9
14 4 620-5216 Шайба
15 4 610-3016 Гайка M6M 4 8 Fzb
16 48 601-5326 Винт MC6S 18 X 140 12.9
17 48 010-0073 Шайба 19X29X4 HB450
18 1 010-0074 Шариковый подшипник, поворотный
19 1 120-45170 Соединительный элемент
20 1 120-72926 Защита
21 1 120-72750 Защита
22 6 607-1641 Винт
23 4 607-1637 Винт с буртом M6SF 12 X 20
24 6 611-8012 Гайка
25 1 120-72931 Защита
26 1 120-72752 Защита
Не нашли нужную позицию или хотите уточнить стоимость?
Корзина