+7 933 113 06 10
|
sale@unitservice-parts.ru
|
Москва · Ярцево
|
Написать
Канал
Rottne
Komatsu Forest
Техбаза
Запросить детали
+7 933 113 06 10
sale@unitservice-parts.ru
Москва · Ярцево
Написать в Telegram
Telegram канал
Каталог Rottne
Каталог Komatsu Forest
Техбаза
Rottne
›
Форвардеры
Форвардеры
Харвестеры
Харвестерные головки
›
F10E/ F11E
F10D/ F11D Stage 4
F10D/ F11D Stage V
F10E/ F11E
F13D/ F13D Compact/ F15D Stage V
F13D/ F15D Final Tier 4
F13E/ F13E Compact/ F15E
F15D Tier 3 Volvo
F18D/F20D Final Tier 4
F18D/F20D Stage V
F18E/ F20E
›
Гидравлическая система
Двигатель
Система трансмиссии
Гидравлическая система
Электрическая система
Кабина
Рама/шасси
Кран
Захват
Разное
Сервисный комплект
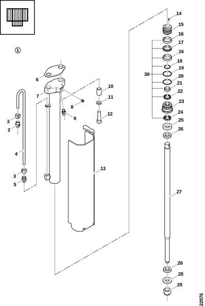
F10E/ F11E
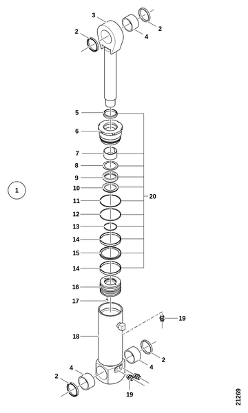
Гидравлическая система
✕
L90LS - Удлинение Epsilon
L90LS - Удлинение Epsilon и наклон манипулятора
Вентиль Comfort Line 3
Возвратный блок "B"
Возвратный фильтр, "окружающая среда"
Возвратный фильтр, "окружающая среда"
Входная секция P70CP
Входной блок L90LS
Гидравлический масляный бак "A"
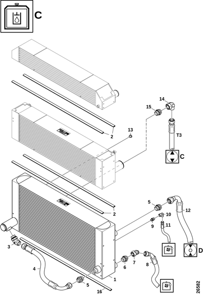
Гидравлический масляный охладитель "C"
Гидравлический насос, A11VO 110 "D"
Гидроцилиндр передней панели
Гидроцилиндр, лестница кабины
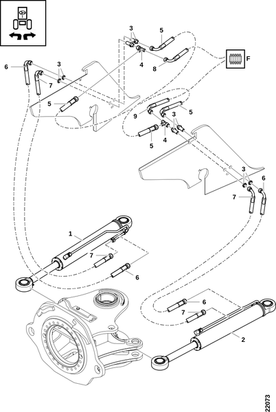
Гидроцилиндр, отвал
Гидроцилиндр, подъём тележки
Гидроцилиндр, рулевое управление
Гидроцилиндр, центральная стабилизация
Гидроцилиндры, шланги и трубы, Comfort Line 3
Заправочный насос
Клапан удержания нагрузки
Клапан, отвал "K"
Конечная секция L90LS
Конечная секция P70CP
Лебёдка
Лестница кабины
О-кольца L90LS
Обзор, рабочая гидравлика
Привод вентилятора
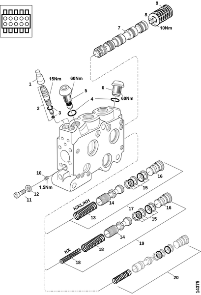
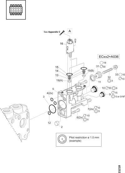
Распределительный клапан L90LS "E"
Распределительный клапан L90LS "E", продолжение
Распределительный клапан, RCA
Рулевое управление (P70CP), машины без рулевого управления Orbitrol "F"
Рулевое управление Orbitrol (EHPS тип 80/8-2) "F"
Секция управления L90LS
Секция управления L90LS, продолжение
Секция управления P70CP
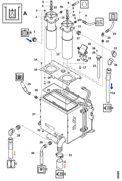
Сервисный блок "G"
Сервисный блок "H"
Сервисный блок "I"
Сервисный блок "K, L & M"
Соединения, блок тормозов "I"
Соединения, гидроцилиндр передней панели
Соединения, отвал
Соединения, перепускной клапан для функций передней панели
Соединения, рулевое управление
Соединения, сервисный блок "H"
Соединения, сервисный блок подъёма тележки
Соединения, тормоза и дифференциалы, задняя ось
Соединения, тормоза и дифференциалы, передняя ось
Соединения, центральная стабилизация
Счётчик частиц
Фильтр Kleenoil и дыхательный фильтр
Не нашли нужную деталь?
Отправьте запрос — подберём запчасти для Гидравлическая система по артикулу или описанию.
Запросить запчасти
✕
Запрос деталей
Имя *
Телефон *
Способ связи
Телефон
Telegram
MAX
Email
По артикулу
?
Можно прикрепить файл со списком
артикулов вместо ручного ввода
По названию
?
Опишите нужную деталь словами —
укажите название, модель и серийный номер
Артикул
Кол.
Примечание
✕
+ Добавить позицию
Модель техники *
Серийный номер *
Отправить ПТС / документы вместо заполнения
Прикрепите файл ниже — поля заполнять не нужно
отменить
📎 Перетащите файлы или нажмите для выбора
Excel, PDF, фото — любые форматы
Отправить запрос
✅
Запрос отправлен!
Менеджер свяжется с вами в ближайшее время.
Закрыть
0
Корзина
0
×
Очистить корзину
Прикрепить фото, список или документы
▾
✓ Данные прикреплены
изменить
×
Запросить по названию
Отправить ПТС / документы вместо заполнения
Прикрепите файл ниже — поля заполнять не нужно
отменить
📎 Перетащите файлы или нажмите
Прикрепить к заказу
Узнать стоимость и наличие →
Ваши контакты
Телефон
Telegram
MAX
Email
Отправить заявку →
✅
Заявка отправлена!
Мы свяжемся с вами в ближайшее время
Закрыть