+7 933 113 06 10
|
sale@unitservice-parts.ru
|
Москва · Ярцево
|
Написать
Канал
Rottne
Komatsu Forest
Техбаза
Запросить детали
+7 933 113 06 10
sale@unitservice-parts.ru
Москва · Ярцево
Написать в Telegram
Telegram канал
Каталог Rottne
Каталог Komatsu Forest
Техбаза
Rottne
›
Форвардеры
Форвардеры
Харвестеры
Харвестерные головки
›
F10E/ F11E
F10D/ F11D Stage 4
F10D/ F11D Stage V
F10E/ F11E
F13D/ F13D Compact/ F15D Stage V
F13D/ F15D Final Tier 4
F13E/ F13E Compact/ F15E
F15D Tier 3 Volvo
F18D/F20D Final Tier 4
F18D/F20D Stage V
F18E/ F20E
›
Кран
Двигатель
Система трансмиссии
Гидравлическая система
Электрическая система
Кабина
Рама/шасси
Кран
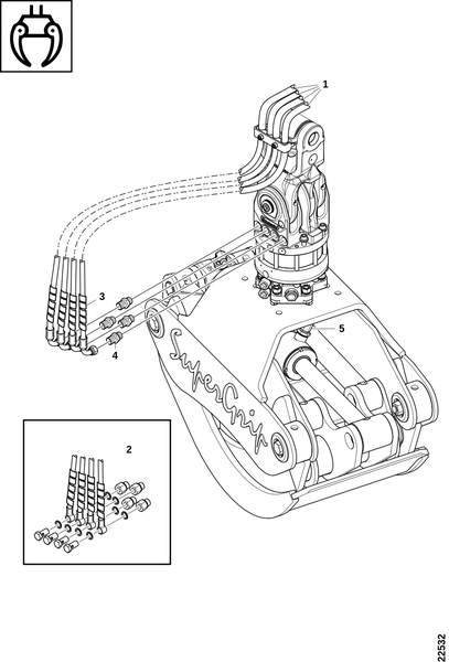
Захват
Разное
Сервисный комплект
F10E/ F11E
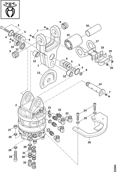
Кран
✕
Внешний профиль удлинительного блока s.9-
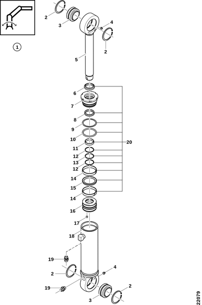
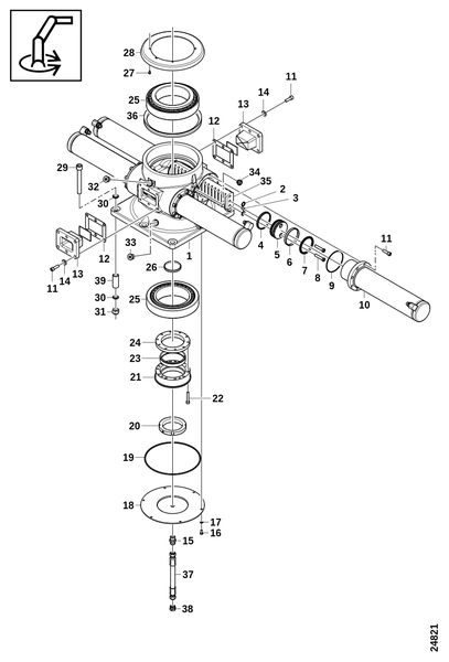
Гидроцилиндр, наклон манипулятора
Гидроцилиндр, удлинительный блок
Гидроцилиндр, удлинительный блок s.9-
Датчик, поворот манипулятора
Демпфер качания для ротатора G121
Демпфер качания и ротатор, 80-184 HD, GV 12 LS
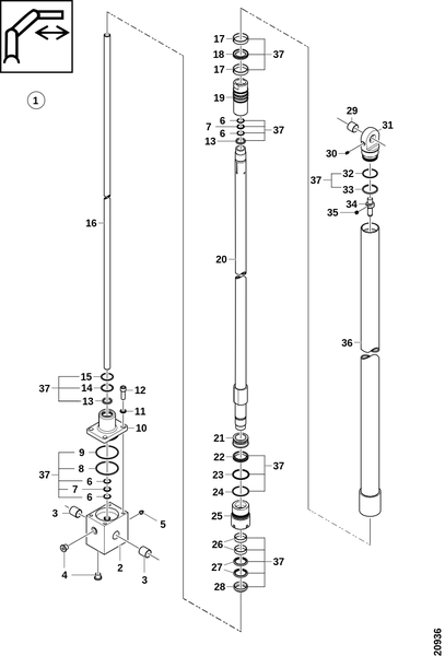
Длинный подъёмный рычаг
Крепление, наконечник манипулятора - демпфер качания
Кронштейн шланга, подъёмный рычаг
Пластина наклона
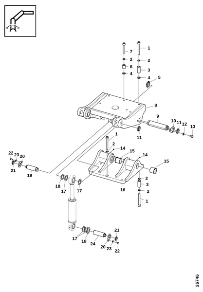
Поворотный стол
Поворотный стол и стойка манипулятора
Подъёмный рычаг RK105
Ротатор G121
Ротатор, удлинительный блок s.09-
Соединения, наклон манипулятора
Соединительный шланг, ротатор, удлинительный блок CRANAB
Соединительный шланг, ротатор, удлинительный блок ROTTNE
Стойка манипулятора
Удлинительная часть Rottne удлинительный блок s.9-
Удлинительный блок ROTTNE (7,5м и 7,9м манипулятор)
Удлинительный блок, EPSILON
Шкала звена
Шкала звена MPB 1-184
Шкала манипулятора, индуктивный датчик
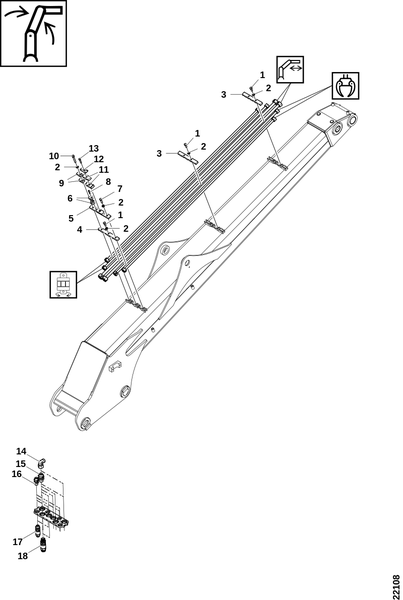
Шланги и трубы, подъёмный рычаг
Шланги и трубы, удлинительный блок
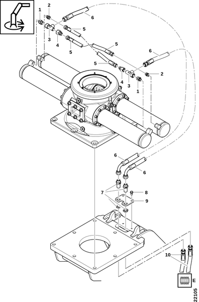
Шланги, поворотный стол
Не нашли нужную деталь?
Отправьте запрос — подберём запчасти для Кран по артикулу или описанию.
Запросить запчасти
✕
Запрос деталей
Имя *
Телефон *
Способ связи
Телефон
Telegram
MAX
Email
По артикулу
?
Можно прикрепить файл со списком
артикулов вместо ручного ввода
По названию
?
Опишите нужную деталь словами —
укажите название, модель и серийный номер
Артикул
Кол.
Примечание
✕
+ Добавить позицию
Модель техники *
Серийный номер *
Отправить ПТС / документы вместо заполнения
Прикрепите файл ниже — поля заполнять не нужно
отменить
📎 Перетащите файлы или нажмите для выбора
Excel, PDF, фото — любые форматы
Отправить запрос
✅
Запрос отправлен!
Менеджер свяжется с вами в ближайшее время.
Закрыть
0
Корзина
0
×
Очистить корзину
Прикрепить фото, список или документы
▾
✓ Данные прикреплены
изменить
×
Запросить по названию
Отправить ПТС / документы вместо заполнения
Прикрепите файл ниже — поля заполнять не нужно
отменить
📎 Перетащите файлы или нажмите
Прикрепить к заказу
Узнать стоимость и наличие →
Ваши контакты
Телефон
Telegram
MAX
Email
Отправить заявку →
✅
Заявка отправлена!
Мы свяжемся с вами в ближайшее время
Закрыть