+7 933 113 06 10
|
sale@unitservice-parts.ru
|
Москва · Ярцево
|
Написать
Канал
Rottne
Komatsu Forest
Техбаза
Запросить детали
+7 933 113 06 10
sale@unitservice-parts.ru
Москва · Ярцево
Написать в Telegram
Telegram канал
Каталог Rottne
Каталог Komatsu Forest
Техбаза
Rottne
›
Харвестеры
Форвардеры
Харвестеры
Харвестерные головки
›
H8E
H11D Stage V
H11D Tier 4 Final
H11E
H21D Final Tier 4
H21D Stage V
H21E
H8D Final Tier 4
H8D Stage V
H8E
›
Кабина
Двигатель
Система трансмиссии
Гидравлическая система
Электрическая система
Кабина
Рама/ шасси
Кран
Харвестерная головка
Блок навесного оборудования
Разное
Сервисный комплект
H8E
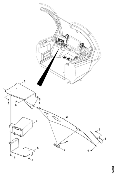
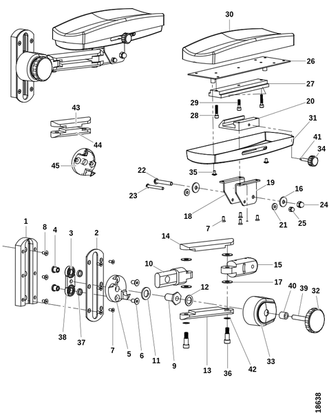
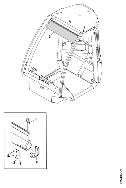
Кабина
✕
SITTAB, скользящая направляющая
Внутренние панели
Воздуховод и внешние фильтры
Дверь, левая
Дверь, правая
Звукоизоляция
Зеркала заднего вида
Кабина внутри, левая дверь
Кабина внутри, правая дверь
Комплект для переоборудования Сеть/кабель питания EGS 406 — Запасные части
PDF
Комплект солнцезащиты переднего окна
Конденсатор
Кондиционер
Окна
Омывающая жидкость
Планедемпфер, 4-ходовой
Плоский амортизатор, двухсторонний
Подлокотник, Armflex 120/80 мм
Подогреватель для обеда
Подушка
Подушка, спинка и подлокотник
Пол
Потолочные панели
Световая сборка
Сиденье, BE-GE 3100DPS Airvent
Сиденье, BE-GE 7100 FL Airvent
Солнцезащитные шторки
Стеклоочистители, боковые окна
Стеклоочиститель, передний
Шланги, система охлаждения
Ящик для инструментов
Ящик для пильной шины, сервисная лестница
Не нашли нужную деталь?
Отправьте запрос — подберём запчасти для Кабина по артикулу или описанию.
Запросить запчасти
✕
Запрос деталей
Имя *
Телефон *
Способ связи
Телефон
Telegram
MAX
Email
По артикулу
?
Можно прикрепить файл со списком
артикулов вместо ручного ввода
По названию
?
Опишите нужную деталь словами —
укажите название, модель и серийный номер
Артикул
Кол.
Примечание
✕
+ Добавить позицию
Модель техники *
Серийный номер *
Отправить ПТС / документы вместо заполнения
Прикрепите файл ниже — поля заполнять не нужно
отменить
📎 Перетащите файлы или нажмите для выбора
Excel, PDF, фото — любые форматы
Отправить запрос
✅
Запрос отправлен!
Менеджер свяжется с вами в ближайшее время.
Закрыть
0
Корзина
0
×
Очистить корзину
Прикрепить фото, список или документы
▾
✓ Данные прикреплены
изменить
×
Запросить по названию
Отправить ПТС / документы вместо заполнения
Прикрепите файл ниже — поля заполнять не нужно
отменить
📎 Перетащите файлы или нажмите
Прикрепить к заказу
Узнать стоимость и наличие →
Ваши контакты
Телефон
Telegram
MAX
Email
Отправить заявку →
✅
Заявка отправлена!
Мы свяжемся с вами в ближайшее время
Закрыть