+7 933 113 06 10 | sale@unitservice-parts.ru | Москва · Ярцево | Написать Канал
Блок навесного оборудования

H21D Final Tier 4

Смазка, дополнительное оборудование

Смазка, дополнительное оборудование

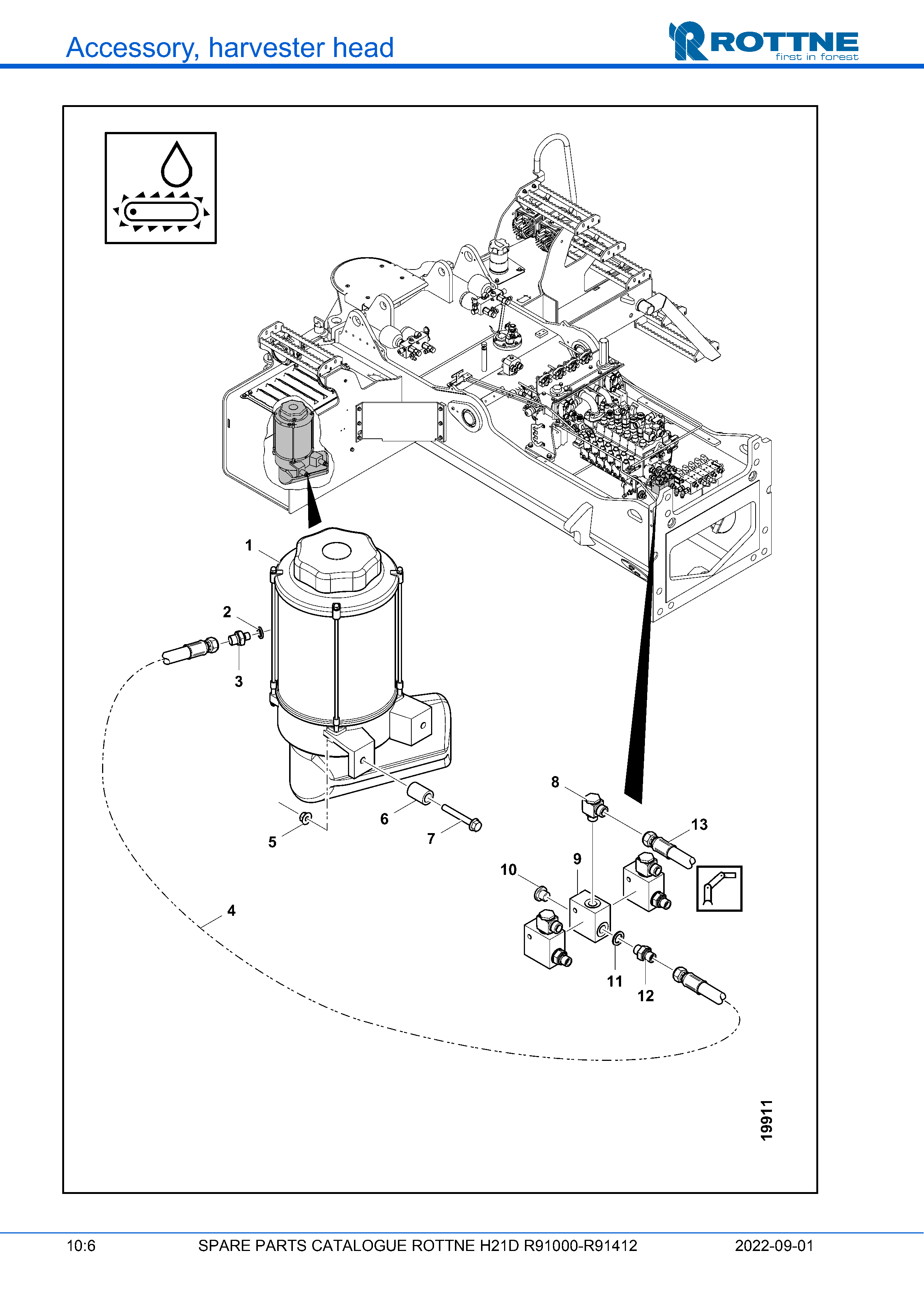
Поз. Кол-во Артикул Наименование
2 1 640-0012 Резиновая шайба GBR 1/8"
3 1 633-0204 Штуцер R1/8" X R1/4"
4 1 655-0226 РВД 1/4" L=3000
5 2 611-8008 Гайка
6 2 129-62293
7 2 607-1625 Винт
9 1 059-0165 Тройник
10 1 638-5402 Заглушка с уплотнением R1/4" VSTI
11 1 640-0014 Резиновая стальная шайба GB-R 1/4"
12 1 633-0404 Штуцер R1/4" X R1/4"
Не нашли нужную позицию или хотите уточнить стоимость?
Корзина