+7 933 113 06 10
|
sale@unitservice-parts.ru
|
Москва · Ярцево
|
Написать
Канал
Rottne
Komatsu Forest
Техбаза
Запросить детали
+7 933 113 06 10
sale@unitservice-parts.ru
Москва · Ярцево
Написать в Telegram
Telegram канал
Каталог Rottne
Каталог Komatsu Forest
Техбаза
Rottne
›
Харвестеры
Форвардеры
Харвестеры
Харвестерные головки
›
H21D Stage V
H11D Stage V
S/N R56901–R57325
H11D Tier 4 Final
S/N R56600–R56824
H11E
S/N R57401-
H21D Final Tier 4
S/N R91000–R91412
H21D Stage V
S/N R91501–R92108
H21E
S/N R92201-
H8D Final Tier 4
S/N R63600–R63820
H8D Stage V
S/N R63901–R63920
H8E
S/N R64001-
›
Кабина
Двигатель
Система трансмиссии
Гидравлическая система
Электрическая система
Кабина
Рама/шасси
Кран
Блок навесного оборудования
HARVESTER HEAD
Разное
H21D Stage V
Кабина
✕
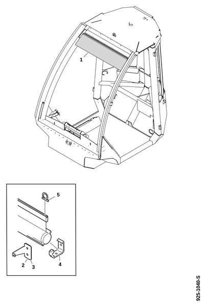
SITTAB, скользящая направляющая
Внутренние панели
Воздуховод
PDF
Воздуховод и внешние фильтры
Дверь, левая
Дверь, правая
Защитные гофры
Звукоизоляция
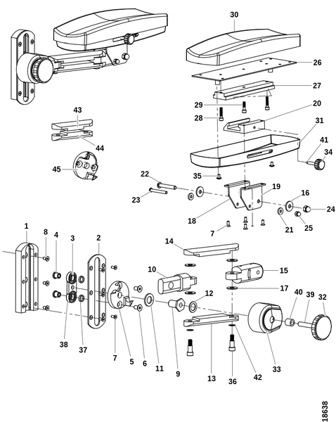
Зеркала заднего вида
Кабина внутри, дверь левая
Кабина внутри, дверь правая
Комплект солнцезащиты переднего окна
Конденсатор
Конденсатор, послепродажный
PDF
Кондиционер
Крышки
Окна
Омывающая жидкость
Планедемпфер, 4-ходовой
Планедемпфер, двухсторонний
Пластина сиденья
Подлокотник, Armflex 120/80 мм
Подогреватель для ланч-бокса
Подушка
PDF
Подушка, спинка и подлокотник
Пол
Потолочные панели
Поясничная поддержка
PDF
Световая сборка
Сиденье, BE-GE 3100DPS Airvent
Сиденье, BE-GE 7100 FL Airvent
Солнцезащитные шторы
Спинка
Стеклоочистители, боковые окна
Стеклоочиститель, передний
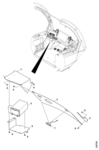
Управление
PDF
Ходовая часть
PDF
Шланги, система охлаждения
Электропроводка
PDF
Ящик для инструментов
Не нашли нужную деталь?
Отправьте запрос — подберём запчасти для Кабина по артикулу или описанию.
Запросить запчасти
✕
Запрос деталей
Имя *
Телефон *
Способ связи
Телефон
Telegram
MAX
Email
По артикулу
?
Можно прикрепить файл со списком
артикулов вместо ручного ввода
По названию
?
Опишите нужную деталь словами —
укажите название, модель и серийный номер
Артикул
Кол.
Примечание
✕
+ Добавить позицию
Модель техники *
Серийный номер *
Отправить ПТС / документы вместо заполнения
Прикрепите файл ниже — поля заполнять не нужно
отменить
📎 Перетащите файлы или нажмите для выбора
Excel, PDF, фото — любые форматы
Отправить запрос
✅
Запрос отправлен!
Менеджер свяжется с вами в ближайшее время.
Закрыть
0
Корзина
0
×
Очистить корзину
Прикрепить фото, список или документы
▾
✓ Данные прикреплены
изменить
×
Запросить по названию
Отправить ПТС / документы вместо заполнения
Прикрепите файл ниже — поля заполнять не нужно
отменить
📎 Перетащите файлы или нажмите
Прикрепить к заказу
Узнать стоимость и наличие →
Ваши контакты
Телефон
Telegram
MAX
Email
Отправить заявку →
✅
Заявка отправлена!
Мы свяжемся с вами в ближайшее время
Закрыть