+7 933 113 06 10 | sale@unitservice-parts.ru | Москва · Ярцево | Написать Канал
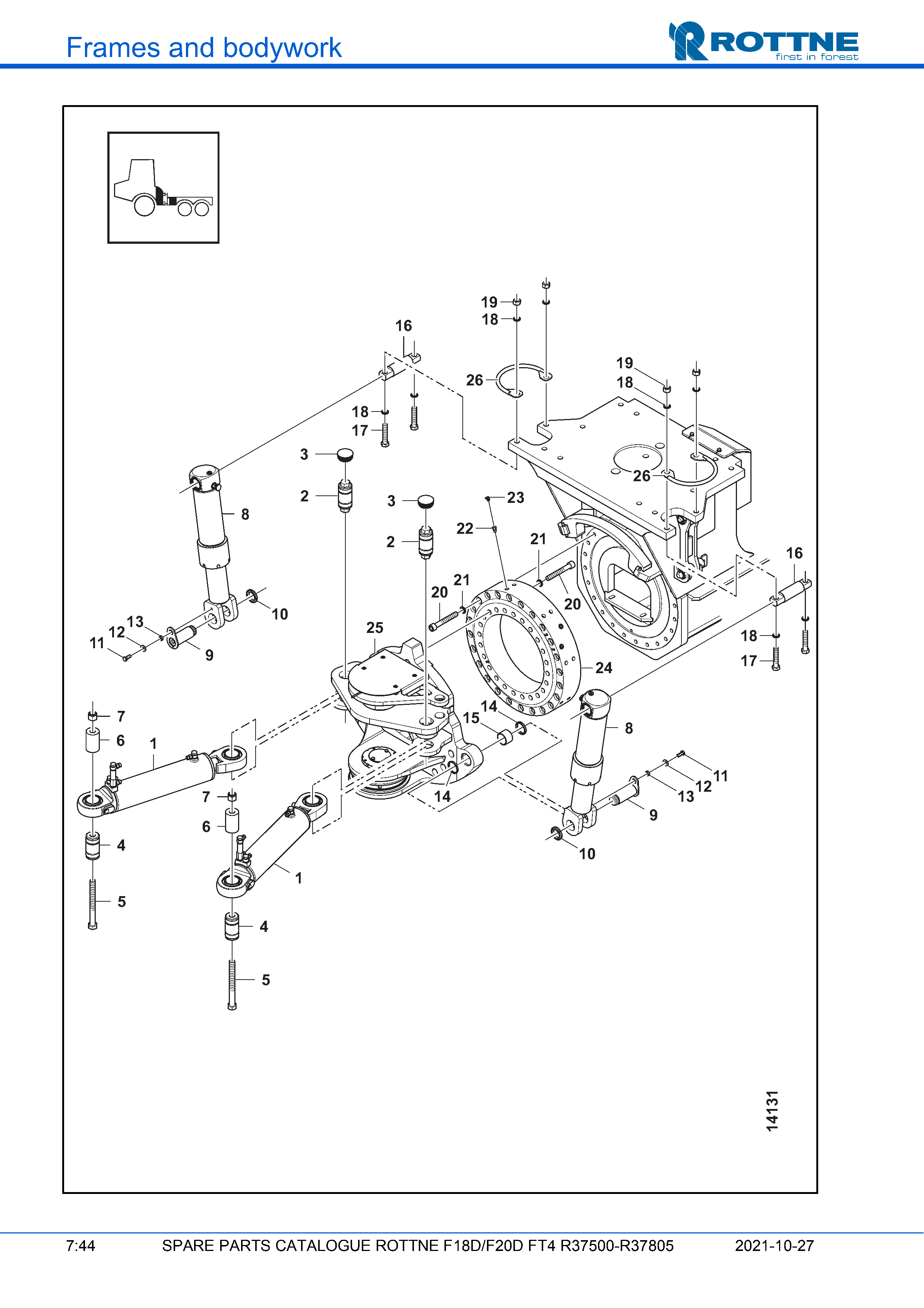
Рама/ шасси

F18D/F20D Final Tier 4

Цилиндры и шаровой поворотный круг

Цилиндры и шаровой поворотный круг

Поз. Кол-во Артикул Наименование
2 2 117-0034 Вал, расшир. Ø60 L=110
3 2 100-0044 Пластиковая заглушка GL65 58-62 черная
4 2 100-0010 Вал расширяющийся Ø60 L=90
5 2 600-2386 Винт M6S 24 X 240
6 2 117-39758 Прокладка L=97
7 2 611-2024 Гайка M6M 24 8 LOC-KING
8 2 117-34739 Гидроцилиндр в сборе 100/90 L=544
9 2 117-36409 Вал Ø50 L=128
10 2 646-0109 Стопорная гайка GUK 9 M45X1,5
11 2 600-2234 Винт M6S 12 X 30
12 2 620-4013 Удерживающая плита 12 H=13
13 2 117-36403 Прокладка T=6,6
14 4 628-9017 Стриппер PAK 50/60X7 -L
15 2 646-4732 Втулка PWM 505840
16 2 117-34882 Вал Ø50 L=220
17 4 600-2339 Винт
18 8 620-5220 Шайба
19 4 610-2020 Гайка
20 48 601-5348 Винт
21 48 100-24979 Шайба 21X32X4
22 4 117-45472 Подключение M10X1 - 1/8"
23 4 624-9020 Масленка R1/8" 90°
24 1 117-0004 Шариковый подшипник, поворотный
25 1 117-59015 Соединитель F18
26 2 117-61416 Поддержка шланга
Не нашли нужную позицию или хотите уточнить стоимость?
Корзина