+7 933 113 06 10
|
sale@unitservice-parts.ru
|
Москва · Ярцево
|
Написать
Канал
Rottne
Komatsu Forest
Техбаза
Запросить детали
+7 933 113 06 10
sale@unitservice-parts.ru
Москва · Ярцево
Написать в Telegram
Telegram канал
Каталог Rottne
Каталог Komatsu Forest
Техбаза
Rottne
›
Форвардеры
Форвардеры
Харвестеры
Харвестерные головки
›
F13E/ F13E Compact/ F15E
F10D/ F11D Stage 4
F10D/ F11D Stage V
F10E/ F11E
F13D/ F13D Compact/ F15D Stage V
F13D/ F15D Final Tier 4
F13E/ F13E Compact/ F15E
F15D Tier 3 Volvo
F18D/F20D Final Tier 4
F18D/F20D Stage V
F18E/ F20E
›
Рама/шасси
Двигатель
Система трансмиссии
Гидравлическая система
Электрическая система
Кабина
Рама/шасси
Кран
Захват
Разное
HARVESTER HEAD
Сервисный комплект
F13E/ F13E Compact/ F15E
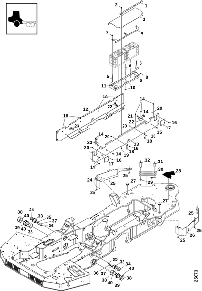
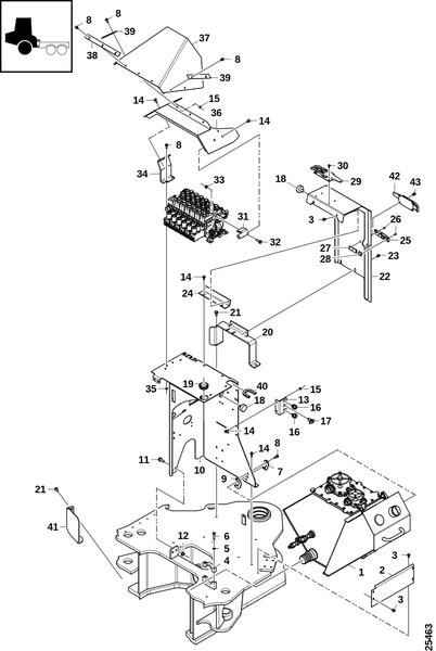
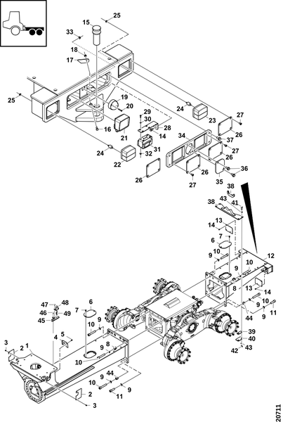
Рама/шасси
✕
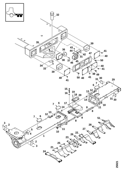
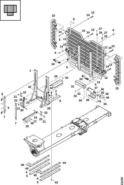
Головная доска
Дополнительная защита радиатора
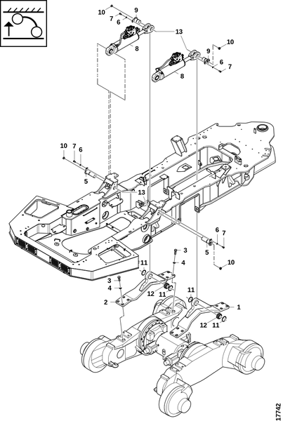
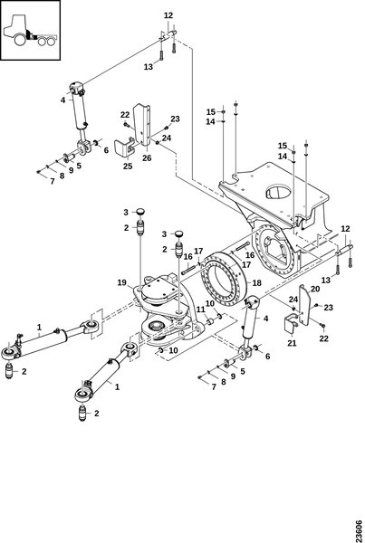
Задняя рама F13, лампы и крышки
Задняя рама, F15D, F13D Compact
Задняя рама, шарнирный вагон F13D
Защитные пластины
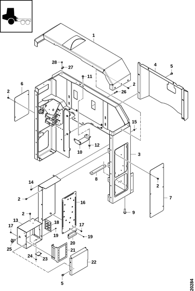
Капот двигателя
Койки
Койки, широкая нагрузка
Койки, широкая нагрузка, телескопические стойки
PDF
Консоли ламп, широкие грузовые ложементы
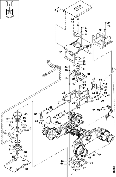
Крепление тележки
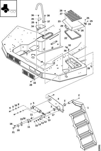
Лестница, задняя
Лестница, передняя
Люки и крышки
Освещение головной доски
Отвал
Отсек для инструментов
Передняя защита
Пластина наклона, наклон манипулятора
Подножка, передняя
Подставка
Подъём кабины
Подъём тележки
Промежуточная крышка
Соединение рамы, гидроцилиндры и поворотный стол
Шарнирные оси
Шасси кабины, Comfort Line 3
Шасси кабины, без Comfort Line
Не нашли нужную деталь?
Отправьте запрос — подберём запчасти для Рама/шасси по артикулу или описанию.
Запросить запчасти
✕
Запрос деталей
Имя *
Телефон *
Способ связи
Телефон
Telegram
MAX
Email
По артикулу
?
Можно прикрепить файл со списком
артикулов вместо ручного ввода
По названию
?
Опишите нужную деталь словами —
укажите название, модель и серийный номер
Артикул
Кол.
Примечание
✕
+ Добавить позицию
Модель техники *
Серийный номер *
Отправить ПТС / документы вместо заполнения
Прикрепите файл ниже — поля заполнять не нужно
отменить
📎 Перетащите файлы или нажмите для выбора
Excel, PDF, фото — любые форматы
Отправить запрос
✅
Запрос отправлен!
Менеджер свяжется с вами в ближайшее время.
Закрыть
0
Корзина
0
×
Очистить корзину
Прикрепить фото, список или документы
▾
✓ Данные прикреплены
изменить
×
Запросить по названию
Отправить ПТС / документы вместо заполнения
Прикрепите файл ниже — поля заполнять не нужно
отменить
📎 Перетащите файлы или нажмите
Прикрепить к заказу
Узнать стоимость и наличие →
Ваши контакты
Телефон
Telegram
MAX
Email
Отправить заявку →
✅
Заявка отправлена!
Мы свяжемся с вами в ближайшее время
Закрыть