+7 933 113 06 10
|
sale@unitservice-parts.ru
|
Москва · Ярцево
|
Написать
Канал
Rottne
Komatsu Forest
Техбаза
Запросить детали
+7 933 113 06 10
sale@unitservice-parts.ru
Москва · Ярцево
Написать в Telegram
Telegram канал
Каталог Rottne
Каталог Komatsu Forest
Техбаза
Rottne
›
Форвардеры
Форвардеры
Харвестеры
Харвестерные головки
›
F10D/ F11D Stage V
F10D/ F11D Stage 4
F10D/ F11D Stage V
F10E/ F11E
F13D/ F13D Compact/ F15D Stage V
F13D/ F15D Final Tier 4
F13E/ F13E Compact/ F15E
F15D Tier 3 Volvo
F18D/F20D Final Tier 4
F18D/F20D Stage V
F18E/ F20E
›
Кабина
Двигатель
Система трансмиссии
Гидравлическая система
Электрическая система
Кабина
Рама/шасси
Кран
Захват
Разное
F10D/ F11D Stage V
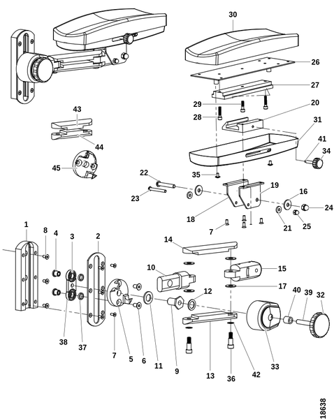
Кабина
✕
Боковые пластины и зеркала заднего вида
Вентиляция
Воздуховод
Воздухозаборник
Дверь, левая
Дверь, правая
Держатель окна
Замок двери
Защитные гофры
Изоляция
Комплект переоборудования конденсатора F10D/H8D
Кондиционер
Коробка для принтера
Крепление дисплея, ROTTNE
Крыша панели
Крышки
Литьё, панели
Окна кабины
Панели
Планедемпфер, 2-сторонний
Плановый демпфер, 4-ходовой
Пластина сиденья
Поворотный механизм
Подлокотник, Armflex 120/80 мм
Подушка
Подушка, спинка и подлокотник
Пол и ковёр
Поясничная поддержка
Рама конденсатора
Рулевое колесо, орбитрол рулевое управление
Световая сборка
Сервисный люк, левая сторона
Сервисный люк, правая сторона
Сиденье BE-GE 3100 DPS
Сиденье Right, S/S Tilt
Солнцезащитные шторки
Спинка
Стеклоочистители
Управление
Шасси
Шланги, кондиционер
Электропроводка
Не нашли нужную деталь?
Отправьте запрос — подберём запчасти для Кабина по артикулу или описанию.
Запросить запчасти
✕
Запрос деталей
Имя *
Телефон *
Способ связи
Телефон
Telegram
MAX
Email
По артикулу
?
Можно прикрепить файл со списком
артикулов вместо ручного ввода
По названию
?
Опишите нужную деталь словами —
укажите название, модель и серийный номер
Артикул
Кол.
Примечание
✕
+ Добавить позицию
Модель техники *
Серийный номер *
Отправить ПТС / документы вместо заполнения
Прикрепите файл ниже — поля заполнять не нужно
отменить
📎 Перетащите файлы или нажмите для выбора
Excel, PDF, фото — любые форматы
Отправить запрос
✅
Запрос отправлен!
Менеджер свяжется с вами в ближайшее время.
Закрыть
0
Корзина
0
×
Очистить корзину
Прикрепить фото, список или документы
▾
✓ Данные прикреплены
изменить
×
Запросить по названию
Отправить ПТС / документы вместо заполнения
Прикрепите файл ниже — поля заполнять не нужно
отменить
📎 Перетащите файлы или нажмите
Прикрепить к заказу
Узнать стоимость и наличие →
Ваши контакты
Телефон
Telegram
MAX
Email
Отправить заявку →
✅
Заявка отправлена!
Мы свяжемся с вами в ближайшее время
Закрыть